电子油门一般都采用线性霍尔,其工作是汽车油门踏板与磁铁联动,踩动踏板时候油门联动轴带动磁铁转动,此时霍尔与磁铁之间距离改变,相应的线性霍尔输出的电压值也变化,测量这种输出电压值与磁铁的位置的对应关系,就可以计算出油门的踏板的角度位移数据。传送油门踩踏深浅与快慢的信号,这个信号会被控制系统接收,然后再发出控制指令要节气门依指令快速精准的开启它应当张开的角度。
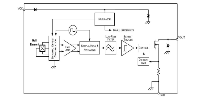
电子油门控制系统主要由油门踏板、踏板位移传感器、ECU(电控单元)、数据总线、伺服电动机和节气门执行机构组成。位移传感器安装在油门踏板内部,随时监测油门踏板的位置,根据不同的车型和应用方案,电子油门一般采用可编程的线性霍尔以控制更高的精度,本文推荐使用中科阿尔法AH508用于汽车离合器踏板,AH508为高灵敏度单极霍尔开关。

AH508是一款基于BCDMOS技术设计的霍尔开关芯片,芯片包括温度补偿、比较器和输出驱动器。机械应力对芯片的磁性参数影响很小,适用于工业环境和汽车应用,且符合 AEC-Q100 汽车电子行业测试标准。

AH508应用图
中科阿尔法AH508芯片特征:
1、AH508的工作电压为2.7 V~30 V的范围,功耗低至2.5mA;
2、AH508的ESD高达:±12KV,芯片过压保护高达40V;
3、AH508有较强的抗机械应力特性;
4、AH508的工作温度范围是-40℃~150℃;
5、AH508的电源引脚具有反向电压保护特征;
6、AH508有三种封装形式,分别是TO92S、Small-SOT23和SOT23-3L,且封装符合 ROHS 标准。
关键字:霍尔开关
引用地址:
国芯思辰 |霍尔开关AH508在汽车离合器踏板上应用,功耗低至2.5mA
推荐阅读最新更新时间:2026-03-17 23:06
国芯思辰 |全极耐高压霍尔开关AH451可兼容SS451A用于烟雾报警器
随着经济的快速发展,在生产与生活中容易引起火灾的危险性物品的使用越来越多,发生火灾的危险性也相应增加,火灾发生次数及造成的财产损失和人员伤亡数量呈现上升趋势,防火也成为了各类商业建筑不可忽视的问题。 烟雾报警器是一种用于检测烟雾的感应传感器,一旦发生火灾危险,其内部的电子扬声器便会及时警醒人们。为了确保报警器能够在火灾发生时正常工作,报警器的内部专门设有自检电路和起触发作用的霍尔传感器,便于进行日常维护。 用磁铁来靠近烟雾报警器,当报警器内部的霍尔感应到磁场时会自动接通内部的自检电路,进行自查,从而观察当发现火灾时烟雾报警器能否正常工作。若工作指示灯正常亮起,则证明烟雾报警器一切正常,反之就要进一步检查烟雾报警器了。必要时
[嵌入式]
国芯思辰|低功耗全极性霍尔开关AH462可用于绞肉机电机转速测量
绞肉机在作业时,将生肉通过孔板上的旋转刃口,在螺杆挤压力的效果下,生料不断地排出机器。根据不同的资料功用和加工要求,可以配备相应的刀具和孔板,并对不同标准的颗粒进行加工,以满意下一工序的工艺要求;因此霍尔元件在绞肉机中首要起到了转速测量的左右。 用霍尔元件测量电机转速时,通常是将霍尔元件固定在电机的旋转部分,装置了一个具有出色导磁功用的磁铁。在旋转过程中,每次磁铁靠近霍尔元件时,霍尔元件都以为电机旋转一次,以此来核算电机的转速。当霍尔元件靠近导磁物体时,霍尔元件内部的磁场发作变化。由于霍尔效应,产生不同的霍尔电动势,然后判别导磁物体是否靠近。 AH462是一款低功耗高灵敏全极性霍尔开关芯片,采用CMOS工艺设计生产。该芯片
[嵌入式]
国芯思辰 | BTD21520x用于电机驱动器,绝缘电压高达5700Vrms
电机驱动器是在电机运行中通过控制电机的旋转角度和运转速度,来实现对占空比的控制来达到对电机怠速控制的方式。对于电机应用而言,除了需要挑选适合的电机类型,驱动控制是电机提升能效的关键所在,因此,如果能找到一款合适的电机驱动芯片,便能够在开发效率、系统能效、集成度和可靠性等多方面助力电机方案的设计。 基本半导体BTD21520x是一款双通道隔离式驱动器,产品峰值拉电流达4.5A,峰值灌电流达6A,通过5.7KVRMS的增强型隔离栅将两个输出驱动进行隔离,开关通断时间平均为 19ns。原边电源 3V 至 18V 的宽输入范围使得该驱动器适用于连接数字和模拟控制器。驱动器副边实现功能绝缘,支持高达 1500 VDC 的工作电压。每个驱
[嵌入式]
国芯思辰 | 24位ADC SC1644(可替换AD7173-8)用于液体流量计
液体流量计主要应用于检测流体流速,通过检测累计流量可以做到控制流体体积的功能。液体流量计用于测量各种流体的流量,例如测量密封管道中液体、气体、蒸汽流量等;随着人们消耗的的水会越来越大,流量计既能监测生活废水,也是污水处理厂过程控制系统不可或缺的一部分。由于液体流量计是工业领域中非常精密的测量仪器,对ADC模块需要更高的性能要求来达到更高速度和精度的监测。本文重点提到国产芯炽ADC SC164的应用性能。 芯炽SC1644是一款快速建立、高度精确、低功耗、8/16通道、多路复用的 ADC,芯片内部集成了精密模拟输入缓冲器和参考输入缓冲器,采用了2.5 V精密基准电压。目前大多液体流量计一般要求ADC的数据速率在20KSPS以上,
[测试测量]
国芯思辰 |铁电存储器PB85RS2MC可用于PLC控制器,容量可达2M
可编程序控制器简称PLC,在各个产业企业中普遍使用,PLC与触摸屏结合具有操作简洁、界面舒服美观、编程容易懂、抗干扰能力强等特征。PLC的主机部分由中央处理器(CPU)、输入/输出接口(I/0接口)通信、扩展接口、储存器、设备接口和电源等部分构成。而PLC控制系统则由PLC主机、输入装置、输出装置构成。 在PLC系统设计方案中,存储器主要用于存储系统程序、用户程序和数据,需要用到可大量读/写操作的随机存储器,非易失性新型铁电存储器则是最佳的选择,推荐使用国产拍字节PB85RS2MC作为PLC系统的数据存储。 拍字节PB85RS2MC是通过铁电工艺和硅栅CMOS工艺技术形成非易失性存储单元,2M bit大容量,适用场景广泛
[嵌入式]
国芯思辰 |基于霍尔传感器AH693的工业机器人轴电流监测方案
工业机器人通常由多轴机械臂构成,轴关节是工业机器人的核心部分,伺服电机是工业机器人轴关节主要部件之一,因此轴电机是否处于健康状态,关系到整个工业机器人能否正常工作.评估轴电机健康状态的参数有多种,如电机温度、电机扭矩、电机噪声和电机电流等,所以采集工业机器人轴电机电流数据具有重要意义。 为了便于监测工业机器人轴电流,本方案是一种基于霍尔传感器的系统实现方案(如下图所示),系统选用的是中科阿尔法霍尔线性电流传感器AH693,利用可编程逻辑控制器(PLC)实现工业机器人轴电流非接触式测量与采集;该系统有非接触式采集轴电流数据的特点,可导出特定时间段内轴电流数据,便于进行数据分析。 中科阿尔法AH693用于工业机器人轴电流监测的
[嵌入式]
国芯思辰 | 通用型CN90C4S40液晶驱动芯片可用于汽车显示屏
如今,传统的车用机械仪表盘已呈现出向数字仪表过度的趋势,与之对应的全部功能显示也将被渲染后的高清画面所取代。LED显示屏是通过计算机控制,将光、电融为一体的大屏幕智能显示屏,LED显示屏的像素点采用LED发光二极管,将许多发光二极管以点阵方式排列起来,构成LED阵列,进而构成LED屏幕。通过不同的LED驱动方式,可得到不同效果的图像;因此液晶驱动芯片的优劣,对LED显示屏的显示质量起着重要的作用。本文重点介绍芯北科技CN90C4S40液晶驱动芯片。 CN90C4S40是一款通用型高性能4COM段式LCD液晶驱动芯片,可以有效提高触控显示装置的集成度,使移动电子设备更轻薄、成本更低、显示效果更好。CN90C4S40具有4COM和
[嵌入式]
国芯思辰 |铁电存储器PB85RS2MC在自动驾驶技术中的应用
车联网通信技术和人工智能决策平台是自动驾驶技术的核心技术。传感器,CAN通信,infotainment这些系统都需要实时和持续的存储当前状态信息,并进行实时分析和处理信息。因此需要提高存储器的性能和耐久性设计,这些要求使国产铁电存储器PB85RS2MC成为最佳的存储选择。 PB85RS2MC配置为262,144×8位,是通过铁电工艺和硅栅CMOS工艺技术形成非易失性存储单元,该芯片不需要电池就可以保持数据。和EEPROM比较,PB85RS2MC具有读写速度快(最高100万次)、写入寿命长、写入耗能小等优点。 1、铁电存储器在Car Infotainment中的应用: 高速读写,高读写耐久性:系统常常会会受到发动机关闭,导航
[嵌入式]