
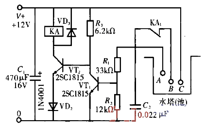
电路工作原理:当处于正常水位时,由于继电器在KA的常
闭(动断)触点KA,为闭合状态,电源经水体电阻,再经风、
Rz为VT.提供基极电流,使VT1达到饱和导通(一般水体电阻
R水=7~ 30 kΩ),电流Ib1,等于电源电压减去VT1的基极发射极压
降再除以R1与R水的和,即Ib1=(12 -0.7)/(33+30)≈
0.17 mA,在VT,的集电极负载电阻R3 =6.2 kfl,的前提下,VT1
已达饱和导通,VT2无基极电流而截止,KA保持释放状态。
电子电路资源推荐
- 开关电源环路设计与实例详解.pdf

来源:下载中心
- 8051单片机彻底研究 入门篇.pdf

来源:下载中心
- 模拟电子技术基础

来源:大学堂
- Keysight 示波器基础培训

来源:大学堂
- 电阻和电阻定律以及0欧电阻和上、下拉电阻的作用

来源:电路图
- 电工基础:电路的组成

来源:电路图
推荐帖子 最新更新时间:2026-03-20 03:05
- platform builder 怎么使用定制wince系统
- 我现在想定制wince系统,用platform builder 可是具体设置,及每一项我都不是很清楚,有没有前辈帮帮小弟,或者提供参考资料,谢谢~ platform builder 怎么使用定制wince系统 晕,先找个入门的资料看一下吧 能给推荐推荐么?我是初学者,还请见谅。。
smart10010
嵌入式系统
- 为什么51系列单片机常用11.0592MHz的晶振设计?
- 1 、因为它能够准确地划分成时钟频率,与 UART( 通用异步接收器 / 发送器 ) 量常见的波特率相关。特别是较高的波特率 (19600 , 19200) ,不管多么古怪的值,这些晶振都是准确,常被使用的。 2 、当定时器 1 被用作波特率发生器时,波特率工作
tao282515641
51单片机
- FPGA的最大灌电流是多少
- 请问EP2C8Q208 最大允许灌电流是多少啊 FPGA的最大灌电流是多少 片子使用的是LVTTL电平 ,那么LZ可以查一下LVTTL电平能支持的最大藻电流就行了。。期待哪个给出答案。。。。 回复 楼主 白丁 的帖子 应该是4毫安! 这样的问题应该去看器件手册,必须以器件手册
白丁
FPGA/CPLD
- TinyOS在以51为内核的第二代无线射频芯片CC2530上移植
- 目前TinyOS还仅支持以51为内核的无线射频SOC CC2430,而对TI最新推出的第二代SOC芯片CC2530还未能支持,并且,对CC2430支持的功能还非常简单,并没有体现TinyOS操作系统的概念。 前段时间把TinyOS移植到了CC2530上,基本功能都已经实现,
hwwr
51单片机
- stm8s103F2的UART Rx用作通用IO,设置外部中断问题求助
- 用 stm8s103F2P6的UART RX 作为通用输入口,设置如下: GPIOD- DDR &= ~(1 6); //设为输入 GPIOD- CR1 |= 1 6; //带上拉输入 GPIOD- CR2 |= 1 6; //使能外部中断 EXTI
wdpptang
stm32/stm8
- 430 与RF通信 电路 求指教
- 小弟冒昧请问 我分配了430f149的引脚给 RF模块(加*的是RF模块信号 不知道这么分配clk和数据收发端 能不能行啊 求指教 ) 430 与RF通信 电路 求指教 求虐求虐 求指教
kings316
微控制器 MCU
- 谁有PIC24H的CAN程序
- DIY 9B96开发板讨论之仿真器篇
- 【求大神】USB型msp430仿真器的制作
- MOSFET及MOSFET驱动电路总结
- 基于msp430F2013的智能循迹小车研究
- 中国计量院低温冷却设备指定品牌
- 2012电子设计大赛 A题微弱信号检测装置 交流群!
- 奇怪,我昨天还登录 IT 课堂正常,今天就进不去了,登录本网站是正常
- K9F1G08U0A读ID错误
- 有没有人会用OV7670的啊?
- 求助啊
- USB D+与D-数据线上的波形是哪一个
- LM3S1601最小系统电路图
- 联发科上调全年智能机芯片达9500万套 EDGE动能最猛
- 刚学can总线,大家看理解对不?
- 初学51大家来看看我说的对吗?
- 公司加热垫程序,谁能帮我写注释?PIC的,跪求...
- 关于IAPoverIIC的例程
- 收到MAXIM的气象站了,质量不错.但觉得有必要做进一步改进
- 【转】微软也情趣 IE9圣诞节测试体验上线
- MC33074ADTBR2G 二阶高通有源滤波器的典型应用
- 具有迟滞的 LM358EDR2G 比较器的典型应用
- STA333W,数字电视数字音频系统演示板
- OP297GSZ-REEL精密绝对值放大器典型应用
- 使用 NXP Semiconductors 的 PCA9545A 的参考设计
- 用于白光 LED 驱动器的 TCA62735FLG 电荷泵 DC/DC 转换器的典型应用
- CN0232
- LTC2992HDE -48V 冗余馈电的典型应用,具有高达 200V 的瞬态保护(1.5kHz I2C 接口)
- 用于半桥谐振转换器的 FSFR2100U 功率开关 (FPS) 的典型应用
- DC1096,用于 LTC2642 16 位 +/-5V 无缓冲 Vout DAC 的演示板







京公网安备
11010802033920号