
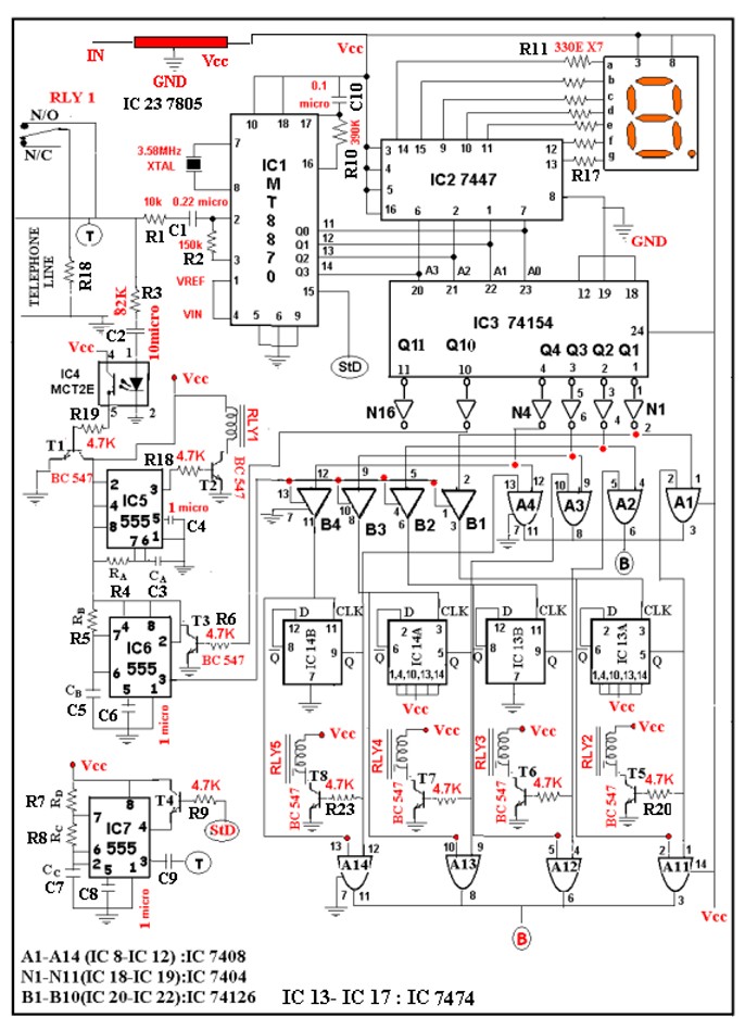
使用DTMF的设备控制
使用开关控制设备是常见的。几十年来,使用遥控开关如红外遥控开关、无线遥控开关、光控开关来控制设备变得越来越流行。但这些技术都有其自身的局限性。激光束对人类有害。
这里还没有内容,您有什么问题吗?
电子电路资源推荐
- stm32f103vet6封装库

来源:下载中心
- 电子滤波器设计手册

来源:下载中心
- 新唐 8051单片机教程

来源:大学堂
- 电源小白到实战

来源:大学堂
- 常用的13种半导体功率器件介绍

来源:电路图
- 电工基础:电路的组成

来源:电路图
推荐帖子 最新更新时间:2026-03-24 23:42
- 【低功耗】低功耗FPGA应用论文
- 【低功耗】低功耗FPGA应用论文 顶,支持! 还不全 还要继续努力 回复 沙发 eeleader 的帖子
常见泽1
FPGA/CPLD
- LM3S9B96项目使用心得
- 1)使用LM3S9B96做过远程管理机,既实现网络+电话+串口三种方式实现设备的控制。主要利用了TI提供的参考设计大大加快了项目的开发。网络底层驱动和 TCP、IP协议TI已经给我们做好了。虽然提供的是http服务器的例子,而我的应用是基于RAW API实现的单片机网络服务器
gongjian32
微控制器 MCU
- aduc842
- 哪位大侠用过aduc842?求帮忙~~~~QQ:2602796607 拜托各位了~~~ aduc842
061234217
实时操作系统RTOS
- 用两个CD4094分时复用控制7个数码管和7个按键怎么处理
- 两个CD4094一个控制段选,一个控制位选,控制位选的4094的Q1到Q7还接上7个按键,然后把按键连起来一个IO口控制,想问,怎么样处理数码管位选和按键冲突的?我写的程序数码管管能正常使用,但是按键用不。我还是个菜鸟,请各位高手指教一下,或者给我发详细的个程序代码,在下感激不禁
nashihuabai
51单片机
- 解答FPGA工程师面试第5 6 题(每日一题)
- 最近忙了点,一直没有时间上后面的题,今天终于空下来了。学校不放行了,我也没有办法了。哈哈,不过坛子还是要顶起的嘛。 对吧。 好了废话少说了。现在我上出FPGA工程师面试题的第五题、第六题、第七题。。。 希望大家共同学习。。。。。 5 、什么是竞争与冒险现象?怎样判断?
shilaike
FPGA/CPLD
- MSP430经典讲解
- MSP430经典讲解 顶一个啊 顶一个啊
zwf0530
微控制器 MCU
- 为什么我今天才知道有团购这一回事。。。
- 【DIY数控电源】子板成立!!!
- 请大虾介绍一下塞孔的原理
- 电子专业
- 低电平测量对测试夹具有何要求?
- 关于Cyclone III和IV的未用到时钟专用管脚
- 一个应届毕业生3家公司的工作经历及迷茫(转)
- FIR滤波怪现象
- 定位一组数据中的最小值或最大值
- 出几款LCD及一堆技术书籍
- 基于msp430f149的ds1302程序
- 数字地和模拟地的区别
- 贡献MMA7445程序
- DM36X,DM644x,DM6467方案转让
- RFID文献之一dickson charge pump的工作原理
- 07年E题 两个方案均一等奖(含图)
- IAR限时版今天刚装就过期了,怎么解决?
- 【颁奖礼】M4开发板试用获奖名单
- OPA2340PA
- 请教STM32的JTAG和SW,Trace-Synchro接口的问题。
- MTRCKTSPNZVM128: 采用S12 MagniV® MC9S12ZVML128 MCU的3相无传感器PMSM开发套件
- LT3761IMSE-1 升压 LED 驱动器的典型应用电路,具有输出短路保护和外部驱动 PWM
- 使用 ROHM Semiconductor 的 BU4244 的参考设计
- 使用 NXP Semiconductors 的 PTN5110 的参考设计
- MIC2287C 的典型应用:在 2mm x 2mm MLF 和薄型 SOT-23 中具有 OVP 的 1.2MHz PWM 白光 LED 驱动器
- 使用 VIPer22A PWM 控制器的电流可选 LED 驱动器
- 具有多重线性稳压器的 MCZ33730 - 33730 开关电源的典型应用
- LTC1727ES8-2.5 三路电源监视器的典型应用
- STEVAL-ISA191V1,基于 VIPer37LE 5V - 12V、15W 双输出隔离反激式转换器的评估板
- 使用 NXP Semiconductors 的 MC34PF3000A0EP 的参考设计







京公网安备
11010802033920号