50瓦功率放大器
来源:互联网发布者:dqLuEpNdu 关键词: 功率放大器 更新时间: 2026/03/20

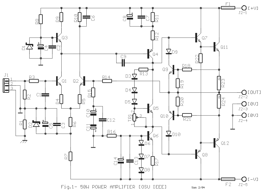
50W 功率放大器
这个简单的音频功率放大器最初是为一个电路板工作坊设计的,由OSU IEEE学生小组举办。在工作坊中,20名参与者每人构建了这个放大器,通过蚀刻和钻孔单面电路板、焊接所有组件、并安装一个预构建的散热器组件与输出晶体管。在1995年至1996年间举办了三次工作坊。尽管设计简单,这些放大器具有令人印象深刻的性能,频率响应达到约40 kHz,非常低的噪声,相当快的转换速率,和约50瓦(真实“RMS”功率),使用适当的+/- 40伏未稳压电源。

这里还没有内容,您有什么问题吗?
电子电路资源推荐
- 开关电源功率变换器拓扑与设计_张兴柱

来源:下载中心
- 电磁兼容原理与应用(原书第2版)

来源:下载中心
- 示波器的使用方法教学

来源:大学堂
- ADC与DAC

来源:大学堂
- 常用的13种半导体功率器件介绍

来源:电路图
- PCB板基础知识讲解

来源:电路图
推荐帖子 最新更新时间:2026-03-25 03:25
- AD7705和CS5523哪个比较好一点
- 正在做一个线缆电阻的检测,不知道这两个AD,哪一个比较好一点,或者有没有其他更好的啊? AD7705和CS5523哪个比较好一点
伍师傅32
综合技术交流
- 基于CAN控制电机转速——只用两个按键就可以实现电机的正反转
- 经过一段时间的学习,终于把 CAN 基本的东西给搞定,还有许多东西还要去学,在此先发一部分这段时间的学习内容,希望高手拍砖,让讨论抵御这大冷的冬天!! 在刚开始申请板子的时候是想采用 232 通信来完成电机的控制,但是拿到板子后发现该板子有好多资源,比如 CAN
fxw451
微控制器 MCU
- EE_FPGA,期待热情的你加入!
- 自EE_FPGA学习板推出以来,获得了诸多朋友们的关注。 但由于带头人chenzhufly也是利用业余时间为大家做一些事情,包括之前PCB板子的打样和配件,都花费了大量时间,但是仍然会有一些顾及不到的地方。 为了保证EE_FPGA能够顺利走下去,所以, 邀请2~3个
soso
FPGA/CPLD
- 最原始的DIY/40V/4A数控电源,实验电源从这里开始
- 让自己拥有一台高精度的数控电源,同时了解数控电源设计要点。 如果你也事拥有一台高精度的数控电源,来吧电源设计从这里开始。 最原始的DIY/40V/4A数控电源,实验电源从这里开始 已经做好一台了 最原始的DIY/40V/4A数控电源,实验电源从这里开始 不知道是怎么回事 我好
qixiangyujj
DIY/开源硬件专区
- 9B96开发板团购,我也来参与
- 以前用过LM3S8962,官方的那个8962开发板也用过。 感觉有几大问题:首先:发热问题实在是很严重,高温环境下是否可以长期持续运行是值得怀疑的。 再者:发热强就代表功耗高,对于一些对功耗有要求的场合(注意:不是对功耗有特别高的要求)都可能无法使用。不知道有没有网友测
0212009623
微控制器 MCU
- 求软硬件工程师
- 有兴趣的朋友QQ:2417370549 求软硬件工程师 楼主把工作地点和大家说一下,方便大家选择
chhsonic
求职招聘
- SD+TFT+ZNFAT32+8962
- LM3S 比较器详解
- ez430-RF2500开发板内部AD是怎么转换的
- 【召集】launchpad大学堂,每三天一主题——中断和定时器
- 适全于电赛的小车
- 单片机实现ds18b20三路温度采集出错 求解
- 求C8051F020资料
- STM8的UART问题
- 通过sd卡下载更新的方案
- 嵌入式linux下的usb
- 【M4 开发板入门】EKK-LM4F232的spmu272文件的SCH问题
- 10.19【每周讨论】多种警笛声音的简易实现
- 寻求合作伙伴
- 【TI建议】开辟TI少量购买及样片申请绿色通道
- 有人用过CCS4 吗?合众达的买仿真器送ccs4还在进行吗?
- 求助:串口通讯运行的问题
- 在MSP430 Launchpad下利用PWM控制舵机
- 购入一块ARM7开发板,求指导
- 为什么我的TWR-K40X256开发板的复位灯一直亮?
- 小信号频率响应
- 使用 Microchip Technology 的 MIC2776N-YM5 的参考设计
- 交流电机控制应用的典型控制板电路
- PI352x-0x-EVAL1,基于 PI3525 的 Cool-Power ZVS 开关稳压器 60 Vin Buck 客户评估板
- LTC7149EFE 12V 输入至 -12V 输出、1MHz 降压稳压器的典型应用电路
- ADR423 超精密、低噪声、3.00 Vout XFET 电压基准作为精密升压输出稳压器的典型应用
- LTC2953IDD-1 电压监控器的典型应用电路
- EVAL-ADE7878EB,用于评估 ADE7878 电能计量 IC 的评估板
- LTC3523EUD 演示板,1MHz 双路 400mA 降压 + 600mA 同步升压
- LT3973EMSE-5 5V、2MHz 降压转换器的典型应用
- 使用 TC7117 模数转换器实现二极管或电阻器限制封装功耗的典型应用







京公网安备
11010802033920号