年前有个项目上位机需要采集这个配电柜的能耗,所以选个电能表,型号是iEM2055,支持modbus RTU协议,PLC侧选用了CM 1241 (RS422/485),支持一路485通讯。
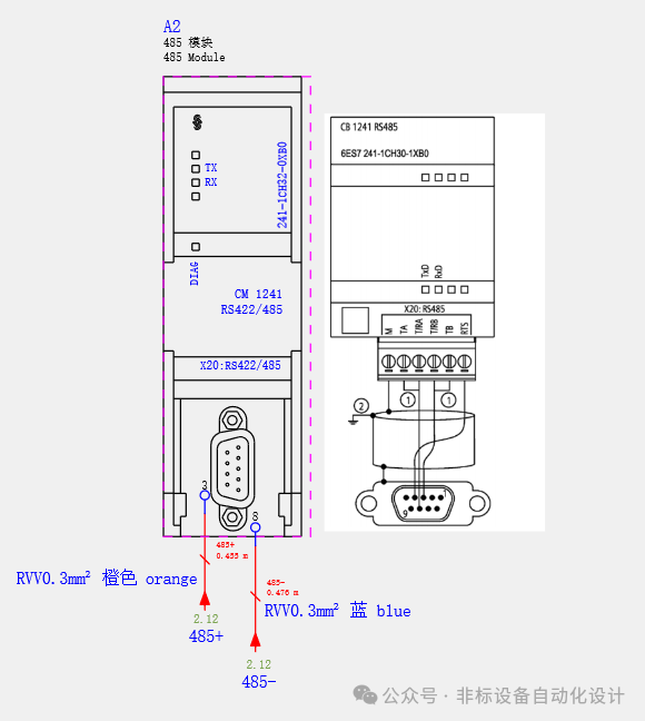
硬件图如下:

iEM2055配线定义如下

主电路图如下,就是火线进火线出,零线进零线出

通讯模块用的DB9插头,3是+,8是-

配完线就是程序设置了
先是端口配置:

默认的 9600,8位数据位,偶校验,1位停止位

这个端口大家看不明白可以点这个块,ctrl+F1
会出现下面的帮助菜单,对着配置就行。

唯一需要注意的是红框这个背景块D38,是下面要用到的读取地址指令块的背景块。


端口配置完就按地址读取了,因为是零散的几个,不好批量读取,所以就一个个的读了,这里是参考官方例子的,利用'Master'.Step的数值进行轮询,'Master'.Step=1读取电流


'Master'.Step=2读取电压,


'Master'.Step=3读取功率,

Master'.Step=4读取能耗

完了继续'Master'.Step置1,循环读取

可能很多小伙伴地址对不上,这里推荐个调试工具,modbus poll,用电脑连接电能表测试,确认好地址。

手册地址和PLC去读取的地址可能会相差1,3001的电流,我们可以把43000,43001,4002数据都读出来,看哪个是我们的需要的电流数据,再确定正确地址,下面也有报文,想走无协议通讯的可以根据这个报文编写发送数据。
关键字:S71200 modbus通讯 能耗
引用地址:
S71200-modbus通讯电路图解析
推荐阅读最新更新时间:2026-03-20 07:39
Profibus转Modbus网关:大屏数据通讯的协议转换方案
在快速发展的制造业环境中,工业自动化技术的运用已成为企业提升生产效率、优化资源分配的关键。通讯协议作为工业自动化系统的基础,确保了设备间的数据交换和指令传达。Profibus和Modbus作为两种广泛使用的通讯协议,各自在不同工业自动化系统中发挥着重要作用。当面对特定应用需求如LED大屏显示时,实现这两种协议之间的无缝连接和数据通讯显得尤为重要。无锡耐特森Profibus转Modbus网关MCN-PB3001便成为了关键的接口设备,它的出现为工厂生产线的效率提升、生产环境的监控与管理提供了强有力的技术支持。 要深入了解Profibus转Modbus网关的作用,首先需要明白Profibus和Modbus各自的工作原理及应用领域。
[嵌入式]
介绍S7-1200PLC和V20变频器的Modbus通讯详细步骤
1.找一台带有RS485通讯模块的S7-1200PLC和一台V20变频器。 2.将RS485模块与V20变频器相连,接线的方法是红色线接P+,绿色线接N-。 3.设置V20的变频器参数。 4.创建博途项目并上传S7-1200PLC的硬件组态。 5.设置RS485模块的参数,模块的通讯参数要与V20设置的通讯参数要一致,我这里设置的是9600,8,偶。 6.添加Modbus通讯指令。 7.修改初始化指令背景DB里的mode参数为4。 8.程序测试,电机正常启动停止,其中modbus地址为40100的地址为命令源,047E为停止,047F为正转,0C7F为反转,地址为40100的地址为频率源,16#0-1
[嵌入式]
Modbus转Profinet网关连接LED大屏与PLC通讯
Modbus转Profinet网关(XD-MDPN100)的主要功能是实现Modbus协议和Profinet协议之间的转换和通信。Modbus转Profinet网关集成了Modbus和Profinet两种协议,支持Modbus RTU主站/从站,并可以与RS485接口的设备,如变频器、智能高低压电器、电量测量装置等进行连接。通过Modbus转Profinet网关,LED大屏与PLC之间的通讯得以实现,使得生产现场的监控与控制更加便捷精准。 Modbus转Profinet网关连接LED大屏与PLC通讯的过程,涉及到硬件连接、配置和通讯调试等步骤。 1、硬件连接: 确保LED大屏和PLC都已正确连接电源,并处于工作状态。将Mo
[嵌入式]
Modbus转Profinet网关连接打印设备与PLC通讯
Modbus转Profinet网关(XD-MDPN100)是一种能够实现Modbus协议和Profinet协议之间转换的设备。Modbus转Profinet网关可提供单个或多个RS485接口,使得不同设备之间可以顺利进行通信。当我们需要连接打印设备与PLC进行通讯时,Modbus转Profinet网关可以将打印设备与PLC之间建立起稳定的沟通通道,实现数据的快速传输和指令的准确执行。 使用Modbus转Profinet网关将打印设备与PLC进行通讯涉及多个步骤,包括硬件连接、配置和通讯调试。以下是一个基本的操作指南: 一、硬件连接 连接打印设备与Modbus转Profinet网关: 使用适当的线缆将打印设备的Modbus接口连
[嵌入式]
Modbus转Ethernet/IP网关模块与汇川PLC通讯在网关配置软件中的配置
通过Modbus转Ethernet/IP网关模块(XD-MDEP100),可以实现不同协议之间的互连,从而使得设备之间的数据交换更加便捷高效。网关做为 ETHERNET/IP 网络的从站,可以连接 AB(罗克韦尔)、欧姆龙、基恩士、CODESYS、汇川等品牌的 PLC。 Modbus转Ethernet/IP网关模块 在实际案例中,汇川PLC作为控制系统部件与Modbus转Ethernet/IP网关模块(XD-MDEP100)结合使用,可以实现PLC与其他设备的无缝通信,极大地提高了系统的整体运行效率和稳定性。用户可以根据具体需求设置Modbus转Ethernet/IP网关模块的参数。通过建立可靠的通信通道,实现数据的快速传
[嵌入式]
Ethernet IP转Modbus网关模块与汇川PLC通讯在编程软件中的配置
Ethernet/IP和Modbus是工业通讯中两种常见的通讯协议,而汇川PLC支持Ethernet/IP,EthernetCAT协议,在实际项目中经常需要与485Modbus从站设备进行通讯。为了实现这一诉求,可在PLC与从站中间加个Ethernet/IP转Modbus网关(XD-MDEP100)模块,就可解决此类问题。 Ethernet/IP转Modbus网关模块 本文将详细介绍如何在汇川PLC编程软件中配置Ethernet/IP转Modbus网关模块(XD-MDEP100)与从站通讯方法,帮助工程师和技术人员更好地实现设备间的数据交互和通讯。 Ethernet/IP转Modbus网关模块 一、MODBUS-RTU 技
[嵌入式]
浅谈S7-1200PLC和V20变频器之间的Modbus通讯
1.找一台带有RS485通讯模块的S7-1200PLC和一台V20变频器。 2.将RS485模块与V20变频器相连,接线的方法是红色线接P+,绿色线接N-。 3.设置V20的变频器参数。 4.创建博途项目并上传S7-1200PLC的硬件组态。 5.设置RS485模块的参数,模块的通讯参数要与V20设置的通讯参数要一致,我这里设置的是9600,8,偶。 6.添加Modbus通讯指令。 7.修改初始化指令背景DB里的mode参数为4。 8.程序测试,电机正常启动停止,其中modbus地址为40100的地址为命令源,047E为停止,047F为正转,0C7F为反转,地址为40100的地址为频率源,16#0
[嵌入式]
西门子S7-200 SMART与超声波流量计MODBUS通讯
S7-200 Smart作为西门子替代S7-200的新控制器,其优点是本地具备了串行通讯接口和以太网接口,可以实现常规仪表的MODBUS通讯,也可以对上位机进行以太网通讯或者连接profinet IO设备。 对于水处理的超声波流量计,一般我们采用通讯的方式获取数据,一则保障数据的一致性,二则是便于采集累计流量。 本次介绍与超声波流量计通讯的程序设计。 1、流量计 设置地址,串行口参数,选择协议等。 2、PLC程序设计 (1)调用库文件(本次采用的SB CM01扩展卡) (2)通讯控制设置 波特率9600,无校验,端口1,。 (3)轮询计数设计 (4)读数据程序 瞬时流量的地址是40002,正向累计
[嵌入式]