前言
本项目主要通过使用STM32F103C8T6作为主控MCU,ESP8266作为数据透传模块,接入机智云AIoT云平台,通过在线智能产品,实现了远程联网、温湿度监测、APP控制等功能。
上文介绍了“创建云端产品,烧录Gagent”,“DHT11驱动的编写”。本文主要介绍,机智云代码工程移植、采集数据上发、控制数据下拉、配置入网。
机智云代码工程移植
前面我们有说到,在机智云平台创建产品完成后,生成了一个 MCU 的工程,这个工程是 CubeMX 所创建的,为了保持一致性,我们选择使用 HAL 库进行开发。
1、创建一个新的 CubeMX 工程。
芯片选型为:STM32F103RCTx
2、配置相关外设
2.1 SYS 配置为 SWD 调试

2.2 使能外部高速时钟,并配置为外部晶振

2.3 配置 TIM3 相关参数,机智云的通信协议中会用到

2.4 配置 TIM2 相关参数,用于实现 us 级的延时

2.5 配置 USART1,用在 PC 端打印信息

2.6 配置 USART2,用于连接 ESP-8266

2.6 配置所用到的 IO 口
两个按键
两个按键的公共端配置为 推挽输出模式、低电平且下拉
两个按键的自由端配置为 输入模式、上拉
DHT11 DATA 引脚
配置为 推挽输出模式、高电平且上拉
LED 灯
配置为 推挽输出模式、低电平

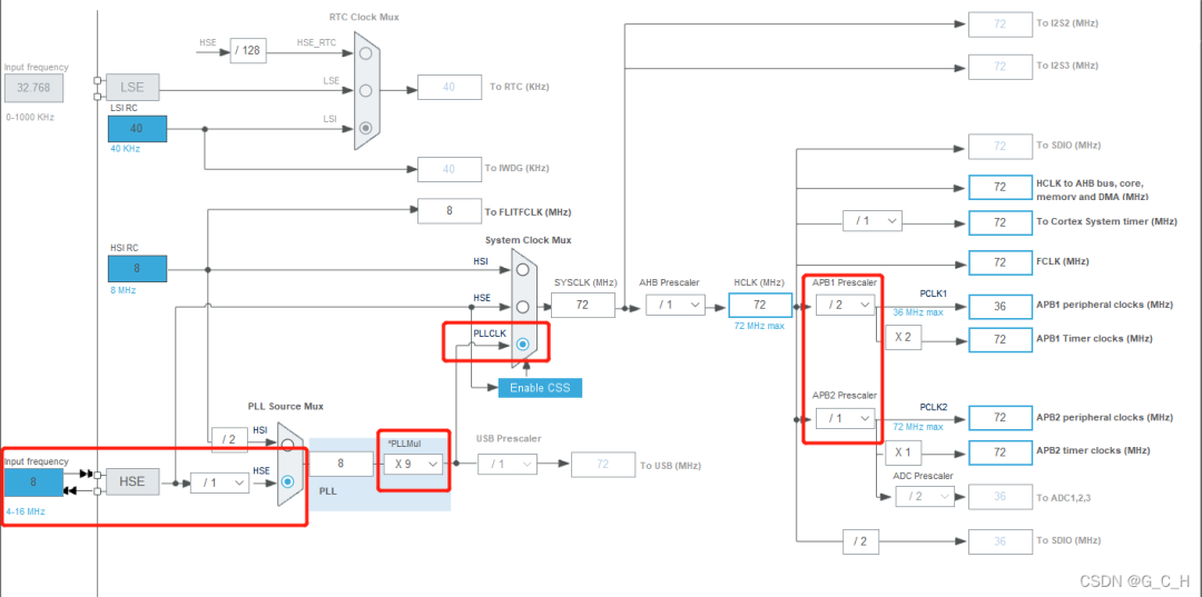
2.7 配置时钟树
输入频率根据板子上的晶振频率填写,我们现在是 8 MHz。接着锁相环进行 9 倍频,使 AHB、APB1、APB2 桥的频率达到最高。

2.8 自动生成 CubeMX 工程
最好对下面的选项进行勾选。

3、将机智云平台生成的协议 demo 移植进入自己的工程
打开机智云工程文件夹,将其中的 Gizwits、Hal、Utils 文件夹复制到自己的工程文件夹中。

在 Keil 中将复制的所有文件导入工程


修改 hal_key.c 中的初始化
语句中对应的IO 口和引脚号改为自己配置好的

完成上述步骤后,工程移植成功。
采集数据的上发
voidgizwitsHandle(dataPoint_t*dataPoint)
参数 dataPoint [in]:用户设备数据点。
该函数中完成了相应协议数据的处理即数据上报的等相关操作。
自定义相关代码如下:
void userHandle(void)
{DHT11_Read_Data(&temperature, &humidity);
currentDataPoint.valuetemperature = temperature;//Add Sensor Data Collection
currentDataPoint.valuehumidity = humidity;//Add Sensor Data Collection
}
控制数据的下拉
int8_tgizwitsEventProcess(eventInfo_t*info,uint8_t*gizdata,uint32_tlen)
参数 info [in]:事件队列
参数 data [in]:数据
参数 len [in]:数据长度
用户数据处理函数,包括wifi状态更新事件和控制事件。
自定义相关代码如下:
case EVENT_LED:
currentDataPoint.valueLED = dataPointPtr->valueLED;
GIZWITS_LOG('Evt: EVENT_LED %d n', currentDataPoint.valueLED);if(0x01 == currentDataPoint.valueLED)
{//user handle
PCout(15) = 1; // led灯亮
}
else
{//user handle
PCout(15) = 0; // led灯灭
}
break;
ESP8266配置入网
有两种配网的方式:airlink、softap。
这里我们选用 softap 模式进行配网。
步骤如下:
1、板子上电后,短按 按键2 进入 softap 模式
如果想要查询是否处于 softap 模式,可以将串口连接至 PC,查看打印出的相关信息。
2、进入机智云 APP 中选择 热点配置
填写要连接的路由器的账号和密码,以及ESP-8266发出的 WIFI 名前缀和密码。

3、选择乐鑫模组

4、按照提示,连接前缀为 XPG-GAgent- 的热点信号

5、等待几秒钟时间

6、连接成功

至此,即完成了 ESP-8266 softap 模式的配网。
上一篇:基于机智云AIoT开发平台的智能仓库设计
下一篇:基于物联网的远程温湿度监测系统(1):创建云端产品,烧录Gagent
推荐阅读最新更新时间:2026-03-20 12:19
- 使用 ON Semiconductor 的 FAN2518S 的参考设计
- LTC1530S8、3.3V/3A 稳压器
- 使用 ON Semiconductor 的 ADP3167 的参考设计
- 使用 Analog Devices 的 LT3420EDD 的参考设计
- 基于Kinetis® M的低成本单相电表参考设计
- LTC3708、具有上升/下降轨跟踪功能的 2.5V/15A 和 1.2V/15A 稳压器
- NXQ1TXH5插件板
- 应变仪仪表放大器
- WRL-13287,基于 ESP8266 802.11 无线局域网的 SparkFun Wi-Fi Shield
- 4.1W、3-LED 通用 LED 照明驱动器
- 预约直播有礼:验证5G核心网,确保最佳性能(4G改变生活,懂5G能改变什么?)
- 求助:写了个用DS18B20程序但是不知道为什么只显示85摄氏度求各位帮我看看该怎么办
- AVRDRAGON+AVR Butterfly官方英文手把手教程+个人中文翻译+源码包,贡献给每个喜爱
- freescale s12硬件测试程序
- 【 STM32WB55 测评】6# STM32WB开发板UART的使用
- 【年味大比拼】+晒年夜饭+新年7天乐,恭祝大家新年发财,顺顺利利,扬帆起航。。
- 【Simple Switcher 25周年】讲讲您和易电源的故事,还有免费样片快速申请!
- 出售TI POS机套件芯片
- 4串锂电池充电电路,没加保护板
- 升压电路原理

Azure RTOS ThreadX内核用户手册,含SMP多核(中文版)
2025 DigiKey“智控万物,改变生活”创意大赛 《智能家居之智慧能源卫士》源码
现代雷达系统的信号设计
BFR340T






京公网安备 11010802033920号