
两路电源可互为备用。
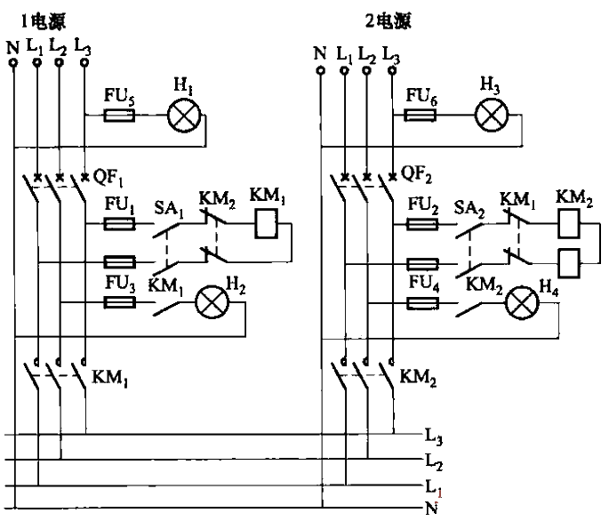
元件选择:低压断路器QFi、QFz选用D210-100/3(由负载容量决定)。组合开关
SAi、SA2选用H210-10/2型。熔断器选用RLl-15/5A。接触器KMi、KM2选用CJlo-
100/380V(由负载容量决定)。指示灯选用XD3-220/15V、2V.A或其他型号。
上述元件的选择也可作为下面介绍的各电路的参考。
这里还没有内容,您有什么问题吗?
电子电路资源推荐
- 纯电动汽车整车及三电系统设计开发

来源:下载中心
- 图解数字电路

来源:下载中心
- 唐老师讲运算放大器

来源:大学堂
- 电容器的选择和使用

来源:大学堂
- 戴维宁定理:概念介绍及其求解过程

来源:电路图
- 戴维宁定理:概念介绍及其求解过程

来源:电路图
推荐帖子 最新更新时间:2026-03-24 11:22
- 【低功耗】FPGA在便携式产品中应用的低功耗实现方法
- FPGA在便携式产品中应用的低功耗实现方法 【低功耗】FPGA在便携式产品中应用的低功耗实现方法 顶,支持 谢谢版主支持啊~~ 回复 沙发 eeleader 的帖子
hangsky
FPGA/CPLD
- 学DSP,arm哪个更好
- 我是一般的本科生(电子信息专业),刚学完C语言、51单片机、MSP430,但单片机学得差不多,我现在要自学DSP或ARM,这两个哪个难一点?或者哪个将来更能派上用场(之前听过DSP到研究生才可以深入,这说法对不?),如果学DSP又有什么好的学习板介绍一下,有什么好的视频?哪方面
风亦路
DSP 与 ARM 处理器
- CCM模式APFC电路设计
- 传统的工频交流整流电路,因为整流桥后面有一个大的电解电容来稳定输出电压,所以使电网的电流波形变成了尖脉冲,滤波电容越大,输入电流的脉宽就越窄,峰值越高,有效值就越大。这种畸变的电流波形会导致一些问题,比如无功功率增加、电网谐波超标造成干扰等。 功率因数校正电路的目的,就
wxf1357
模拟与混合信号
- DSP电机控制
- DSP电机控制 DSP电机控制 英文的? 谢谢分享英文的很权威,不过要花点功夫细细品读了哈哈哈 我頂個先~~~~~~~~~~~~~~~~~~~~~ 谢谢
小煜
微控制器 MCU
- 刚学的画板,哪位大虾帮我看下我画的问题有哪些
- 刚学画板,找了块简单的板照画 哪位大虾帮我看下我画的问题有哪些 帮忙指正,谢谢哈! 刚学的画板,哪位大虾帮我看下我画的问题有哪些 我看不到图。。。。是我网速不行吗。。 可以啦,比我画得好 额。不要笑我 画得确实不错,但做的不好,哪家做的? 板子找人要的,不知道哪家做的
happy41598
PCB设计
- 【咨询】哪位用过飞凌S3C6410开发板LVDS的10寸屏?好用吗?和8寸的LVDS比起来呢?
- 现在公司做项目打算用工业屏,初步计划是用10寸或15寸的,分辨率800*600或1024*768的。刚问了一下飞凌的技术,他们用的是群创和LG的10寸屏,使用没问题。可没有演示的照片。看不到效果,不太放心啊。有没有哪位朋友用过?麻烦告诉一下吧,谢谢了。 【咨询】哪位用过飞凌S3C
july90
嵌入式系统
- 请哪位高手帮忙分析下!非常感谢。
- 求高手看看这个程序哪里错了。(应该是LCALL那)
- 求购TI M3开发板
- EDA QQ群(83962599)
- DSP288335的IIC模块与PCF8563的通信问题
- 10.16【每周讨论】假如生命只剩下5年
- #eeworld漫画力作#TI MCU漫画,电子小强&TI MCU 第一次接触 !
- 【吉时利白皮书】2602新型序列式测试仪器技术即将与大家分享!
- 小鸟问一下一个关于MSP430的串口
- 亲历易电源——易电源电源模块试用第二帖——高温85度下带载、效率再次验证常温带载
- 1788 以太网 实现
- 求一款体积小、自带AD DA的单片机
- 方波波形不平的问题~~~
- 关于教学视频和LAB的学习
- 基于msp430f149的24c02程序
- G2553的官方例程有些代码有错误
- 2012ti电子设计竞赛200人大群
- f149比较器全攻2
- 求G2553 SPI 寄存器资料
- 很牛的键盘电路
- LTC3624EMSE-5 5V 输出电压、2A 同步降压型稳压器的典型应用,具有 2.25MHz
- ADR360A 2.048-Vout 低功耗、低噪声电压基准的典型应用,具有灌电流/拉电流能力
- AS5215-AB,基于 AS5215 磁性位置传感器的适配器评估套件
- LT8641EUDC 2MHz、3.3V、3.5A 降压转换器的典型应用电路
- LTC2236IUH 演示板,高速 ADC,VDD = +3.0V,25Msps,10 位 1MHz <艾因< 70MHz
- MC78M15ACDTRKG 15V 电流调节器的典型应用
- 基于 LT1055 运算放大器的复位稳定振荡器
- LT3653,电路显示从 USB 输入或高压输入为单节锂离子电池充电
- ADR364B、4.096V 低功耗、低噪声负参考电压的典型应用
- 使用 Analog Devices 的 AD9528BCPZ 的参考设计







京公网安备
11010802033920号