一款自制红外线自动门控制器电路图
来源:互联网发布者:无人共我 关键词: 电源通信电源 更新时间: 2020/10/10
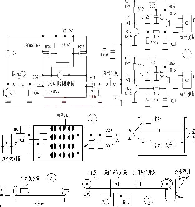
图1是红外接收和电机驱动电路,在无人的时候红外接收器正常接收来自另一侧发过来的红外光束。用60mm长刚好插入红外发射管的导向管(图3)在墙壁上平行固定,高度适当,并和对面的接收器对准,这样发出的红外线是一束,不易干扰另一个接收器。具体安装方法见图4所示。经BG6、BG7、CR等放大滤波后输出低电平,此时BG5截止,BG2、BG3导通执行关门动作。当人走到门口时,红外光被挡住,BG7输出高电平经一路限位开关驱动BG1、BG4执行开门动作,另一路经R1驱动BG5使BG2关断,当门开到指定位置时开门限位开关断开,使电机不再继续运转。当人离开时,BG7不再输出高电平,经电容C1延时三秒钟后执行关门动作。
发射电路可用电视机遥控器成品改制(图2),将原发射管卸掉用引线接至已做好的专用发射器上,两个发射器并联并注意极性。然后找一个合适的按键把它短路,让它一直发射,最好是“屏显”键,为的是尽量不干扰可能在辐射区的电视机。发射功率用RW调整,以刚好能接收到为好。
主要元件选择:电机驱动电路用的四只功率管是IRF9540/P型/100V/19A和IRF540/N型/100V/28A的场效应管,因为它是以电压驱动的,几乎不消耗驱动功率。它的内阻小,温升很小,可以将它们装在一块很小的铝板上,并注意绝缘。电机可以到汽配商店去买12V的雨刮器电机,卸掉它的力臂,装上一个四冲程摩托车发动机的齿轮,用几个小链条接起来,然后用一块钢板做一个支架固定在门上,具体安装方法见图5.

为了防止停电对门的正常使用造成影响,所以我设计了用变压器降压配上12V的蓄电池,主要电路用12V供电,与市电隔离,安全性提高了。
电子电路资源推荐
- 模拟电子电路

来源:大学堂
- 轻轻松松学欧姆龙PLC

来源:下载中心
- 电阻电容电感样本汇集 32册

来源:下载中心
- FPGA外围电路简介(英特尔官方教程)

来源:大学堂
- 电阻的串联、并联及混联电路介绍及作用

来源:电路图
- 电阻的串联、并联及混联电路介绍及作用

来源:电路图
推荐帖子 最新更新时间:2026-03-15 13:35
- 华为生产计划手册,看到有人需要
- 【资料名称】:华为生产计划手册 \'|:S:A\'j$y;`\"d&x mscbsc 移动通信论坛拥有30万通信专业人员,超过50万份GSM/3G等通信技术资料,是国内领先专注于通信技术和通信人生活的社区。;A#K3^9o8R3L%F.{4h#` 【资料作者】:华为 移动通信
gina
无线连接
- 免费申请Launchpad
- 免费申请Launchpad http://focus.ti.com/asia/general/1007-MSP-EX430G2-reg.htm 免费申请Launchpad 谢谢楼主 是不是已经结束了啊? 估计像我这种非电子行业的人去申请肯定是申请不到的 好像没,还有表
问路者
微控制器 MCU
- FPGA开方实现一种简单的算法
- 理论基础: 我们先来看看10进制下是如何手工计算开方的。 先看下面两个算式, x = 10*p + q (1) 公式(1)左右平方之后得: x^2 = 100*p^2 + 20pq + q^2 (2) 现在假设我们知道x^2和p,希望求出q来,求出了q也就求出了x^2的开方
eeleader
FPGA/CPLD
- build option
- 不太会写啊 有人懂不 build option
lengfengchuiguo
DSP 与 ARM 处理器
- 关于延时程序的问题
- 请问void Delay_ms(unsigned long nValue)//毫秒为单位,8MHz为主时钟 { unsigned long nCount; int i; unsigned long j; nCount = 2667; for(i = nValu
yushengl
微控制器 MCU
- 汇编代码中的加号什么意思啊
- 小弟刚学430,看汇编代码时总看到语句里面有加号即“+”。比如“mov.w #WDTPW+WDTHOLD,&WDCTL\"这个加号什么意思呢。在此先谢谢啦 汇编代码中的加号什么意思啊 #define WDTPW (0x5A00) #define WDTHOLD
苍穹的眼泪
微控制器 MCU
- MSP430开发工具支持器件
- 求教PID电机控制问题
- 【TI建议】组织DIY学习板,更新参考原理图
- 触摸屏
- AD里面求平均值都有些什么作用啊 求踊跃发言
- 各位达人,帮我看看运放和三极管的电路图,可否?
- CO2传感器T6603 接头焊盘定义里面引脚的排列顺序是什么样的?
- 朋友们,CCS V5 编程时怎么使用asin() 函数啊, 包含头文件“math.h”不好使啊
- 【问TI】LM3S系列IQmath如何使用?
- 差分放大电路的输入阻抗测量问题
- 明天TI杯正式开始,亲们准备好了吗?
- 各位大侠帮忙看看单片机发热的问题
- 求救啊 DXP
- msp430从低功耗模式唤醒之后,程序怎么执行?
- msp430g2553驱动LCD12864显示问题
- 不会上传资料、、、、、、、前面废了两个贴了、、、、、ADS7841程序
- 双向IO口仿真测试
- 有没有STM32培训班(石家庄)
- ccs
- DM9161,怎么才能得到他的物理地址,即5bit的PHY地址
- DC2226A,基于具有时钟功能的 LTC6951 多通道 JESD204B ADC 的演示板
- LTC2270CUP、16 位、20Msps 低噪声双通道 ADC 的典型应用电路
- LT3972EMSE 演示板、3.5A、33V 降压型开关稳压器,具有 SYNC 功能
- LT3990IDD 12V 降压转换器的典型应用
- LT1172CSW、5V/1.25A 正电流升压降压转换器的典型应用
- 使用 ON Semiconductor 的 KA7808E 的参考设计
- RT8463 高压多拓扑 LED 驱动器的典型应用 PWM 到模拟调光降压-升压配置
- 用于工业应用的 LT3973HDD-3.3 3.3V 降压转换器的典型应用
- DER-508 - 4.75 W 双输出电源
- 使用 ON Semiconductor 的 KA7806E 的参考设计







京公网安备
11010802033920号