一款RKC XTE-7000的温度控制器电路图
来源:互联网发布者:桂花蒸 关键词: 电源通信电源 更新时间: 2020/02/08
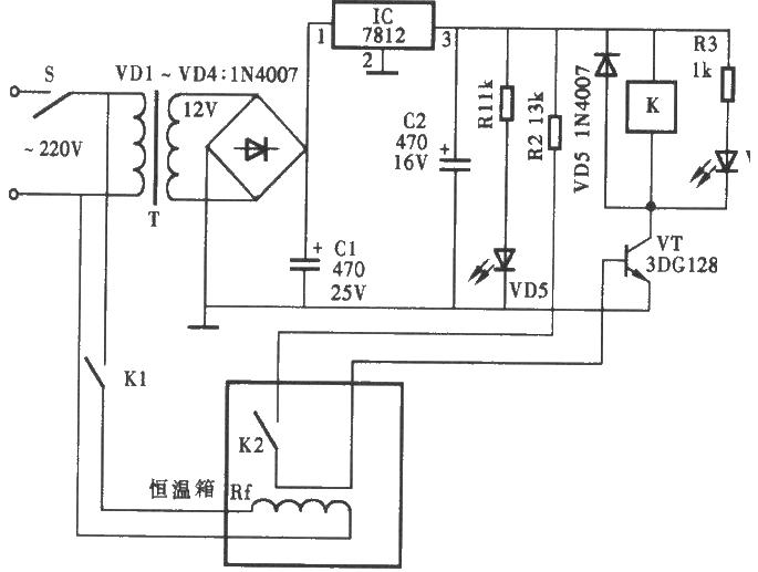
本文介绍的间歇控制器,能自动控制电热器、加湿器、单相交流电动机等用电设各,使之处于间歇工作状态。 该间歇控制器电路由电源电路、定时器和控制执行电路组成,如图所示。

电子电路资源推荐
- altium designer官方中文 手册

来源:下载中心
- 电路分析导论(原书第12版)鲍利斯塔

来源:下载中心
- 数字电子技术基础

来源:大学堂
- Keysight 示波器基础培训

来源:大学堂
- 常用的13种半导体功率器件介绍

来源:电路图
- PCB板基础知识讲解

来源:电路图
推荐帖子 最新更新时间:2026-03-24 12:57
- TFT-LCD驱动电路的设计
- 本文实现了将 VGA 接口信号转换到模拟液晶屏上显示的驱动电路,采用 ADI 公司的高性能 DSP 芯片 ADSP-21160 来实现驱动电路的主要功能。 TFT-LCD驱动电路的设计 thank u for sharing~~~~~ Re: TFT-LCD驱动
feifei
模拟电子
- 为什么程序老是进入死循环
- 这个是我根据一个lm3s_lib_interrupt.pdf,写的一个关于LM3S9B96按键中断的程序,可是进不了中断,不过按键查询可以。按键中断却不行,为什么呢?哪个大侠帮忙看下。 为什么程序老是进入死循环 1.中断配置 2.中断向量表修改。 做好了是没有问题的。。。
zzgezi
微控制器 MCU
- 麻烦哪位能给我传一份LM3S9B96的Startup.s
- 因为9B96有Port J,可是Startup.s里的中断向量表里没有Port J的“IntDefaultHandler”,所以进不去中断。如果谁有麻烦给我一份啊。谢谢先。 zzgezi@126.com . 麻烦哪位能给我传一份LM3S9B96的Startup.s
zzgezi
微控制器 MCU
- 【召集帖】LaunchPad大学堂
- LaunchPad大讲堂的所规划的活动大纲内容已经收集齐了前4个内容的文章, 感谢坛友们的踊跃分享。 我们的目标是打造目前最全面的中午LaunchPad教程( 没吓到你吧! )有没有想过,其中有个章节就是你的作品, 诱惑了吧, 活动结束的时候还有礼品相送哦! 现在
wstt
微控制器 MCU
- 哪里可以买到1MHZ的超声波换能器
- 现在急需1MHz的超声波换能器,谁能告诉我哪里有呀???也就是超声波发射与接收器了! 我的邮箱是: xinyuanwanli@163.com 哪里可以买到1MHZ的超声波换能器 哈,没听说1MHz也叫超声波的,一般是从20KHz--50KHz叫超声波,1MHz应该属于电磁波范围之
xinyuanwanli
淘e淘
- LaunchPad能烧写二进制文件么?怎么操作?用CCS
- LaunchPad能烧写二进制文件么?怎么操作?用CCS LaunchPad能烧写二进制文件么?怎么操作?用CCS MSP430肯定是可以烧写.HEX文件的,CCS还没用过 用MSPFET可以 用MSPFET可以 我整理了一些资料,你试试看 https://bbs.eeworl
wangfuchong
微控制器 MCU
- 【TI、EEWORLD双节献礼】LM3S9B96开发套件等你来拿!(已颁奖)
- RL-RTX库函数延时等待函数
- 2602新型测试仪器典型的设备结构有哪些?
- MSP430竞争对手基准测试
- ad9850头文件
- 哪种版本的picc18支持pic18f45k22
- 带“救生圈”的钥匙链
- djyos的可移植性(三)
- 急求TI公司的TMS320C6713DSP芯片的ibis模型,多谢了~
- 重要
- 摄像头如何确定目标靶上点光斑位置
- LED晶粒原料供过于求,下年仍无法解决
- 为什么我的1602接收不到430发出的时钟信号呢?1602不能正常显示
- 熟悉 LM3S 的朋友,请抓紧时间过渡到 LM4F
- 关于stm32 flash问题。
- 用可控硅做了一个三相电机正反转控制电路
- 无线网络取代PLC通信实际遇到的问题。
- 长见识了,原来单片机可以直接驱动继电器——
- LM3S8962跑UCOSII遇到小问题#######
- 请教关于STM8的GPIO问题
- NCP1382 演示板 120 W 带功率因数校正的笔记本适配器
- OP113FSZ-REEL假接地发生器的典型应用
- SPC58和SPC57系列微控制器的主板。包括:通用电源,文档CD。
- LTC4410 的典型应用 - ThinSOT 中的 USB 电源管理器
- TCR6DA1530、200mA、1.5V 和 3.0V 输出电压双路输出 CMOS 低压降稳压器的典型应用
- EVAL-ADF7021DBJZ,基于 ADF7021 426 - 435 MHz ISM 频段收发器的子板,带有外部电感 VCO
- AVR245密码锁+4x4键盘和I2C LCD应用电路
- MTRCKTSBN5604P: 采用恩智浦MPC5604P MCU的3相无传感器BLDC开发套件
- 具有双极性 LCD 对比度的 LT1183CS 90% 高效浮动 CCFL 配置的典型应用电路
- 使用 ROHM Semiconductor 的 BU4820 的参考设计







京公网安备
11010802033920号