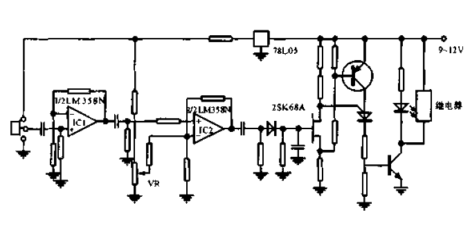
机械动作范围内人体检测电路
来源:互联网发布者:aytwartoofyoroo 关键词: 检测电路 更新时间: 2020/08/13

电子电路资源推荐
- ST-LINK/V2-1固件更新

来源:下载中心
- 射频电路设计--理论与应用

来源:下载中心
- 信号完整性及高速数字电路设计

来源:大学堂
- 开关电源电路设计入门

来源:大学堂
- 常用的13种半导体功率器件介绍

来源:电路图
- 电工基础:电路的组成

来源:电路图
推荐帖子 最新更新时间:1970-01-01 08:00
- 用于仪表的 16 位 4 通道 DAC
- TAR5S22 点稳压器(低压差稳压器)的典型应用
- LTC4162EUFD-FFSM 1-9 节、3.2A 降压型开关电池充电器的典型应用,具有 PowerPath
- LTC4368HDD-2 100V UV/OV 和具有双向断路器的反向保护控制器的典型应用电路
- SI5341-EVB,基于 Si5341 低抖动任意频率时钟发生器的评估板
- LT1961EMS8E,双极性输出 SEPIC,用于 5V9V 输入至 12V 输出
- LT3791IFE 98% 效率 50W (25V/2A) 降压-升压型 LED 驱动器的典型应用电路
- AD9144-EBZ,用于 AD9144 四通道、16 位、2.8 GSPS、TxDAC+ 数模转换器的评估板
- DepthAI:一个结合深度和人工智能的嵌入式平台,围绕 Myriad X 构建
- 具有 NFC 接口的超低功耗多传感器数据记录器参考设计







京公网安备
11010802033920号