随着汽车行业不断追求可持续发展,电池电动汽车(BEV)凭借其高效率和零尾气排放,逐渐成为行业的焦点。2023年,全球电池电动汽车(BEV)和插电式混合动力汽车(PHEV)的销量达到1360万辆,较2022年增长了31%。预计未来几年,这一数字将继续迅速增长。
尽管增长迅猛,但电动车的普及仍面临一些挑战,例如高昂的成本、较长的充电时间以及有限的续航里程。为应对这些问题,制造商引入了800V的电动车系统。更高的电压架构能够实现更快的充电速度,显著降低充电时间和成本。
硅的时代尚未终结
自电动汽车大规模普及的早期阶段以来,碳化硅(SiC)和其他宽禁带(WBG)技术就被认为是电池电动汽车子系统的理想选择。与传统硅材料相比,宽禁带材料具有更高的禁带宽度和击穿电压,可实现更高的电流密度、更高的开关频率以及更低的总损耗。这些优势使得系统设计师能够在高开关频率应用中实现更高的效率、更小的体积和更轻的重量。因此,众多研究表明,SiC已成为牵引逆变器领域的主流技术(部分情况下除外)。
然而,硅制造工艺的成熟性、现有选项的丰富性、更低的成本、更简单的栅极驱动方法以及器件的稳定性,仍然使硅功率MOSFET和IGBT成为宽禁带技术的可行替代方案。选择合适的器件需要设计师具备高水平的专业能力,而作为供应商,我们也有责任提供全面的产品选择,以满足各种需求和偏好。
在低开关频率要求的应用中,导通损耗和热设计的简便性是关键因素。宽禁带器件固有的高功率密度可能会带来热管理方面的挑战,而硅IGBT和MOSFET较大的芯片面积在这些场景中可以更容易实现热管理。
电动汽车的复杂电路包含多个子系统,其中一些并不需要半导体技术具备高开关能力。
应用案例
下图1展示了一种通用的电池分配单元(BDU)应用于电动汽车中的示例。
图1
在热管理子系统中,PTC加热器、预充电回路以及放电回路并不一定需要更高的开关频率。相反,它们需要低导通损耗、高浪涌电流能力以及坚固耐用的半导体器件,以确保高可靠性。
热管理
与内燃机(ICE)汽车通过废热加热乘客舱不同,电动汽车由于其高效的能量利用特性,无法产生足够的废热。因此,电动汽车的热管理面临以下两个重要需求:
· 电池的温度调节
· 在寒冷环境下为乘客舱加热
在寒冷的环境中,PTC加热器和热泵被用来为电池调节温度以达到最佳性能,并同时为乘客舱供暖。图2展示了PTC加热器的典型电路配置。
图2
在这种应用中,IGBT的开关频率通常在几十赫兹到几百赫兹之间。器件的低通态电压降、短路能力以及良好的热性能是关键因素。
放电回路
800V BEV系统中的直流母线电容放电需求
高压电池电动车的重要安全协议要求在以下两种操作场景下对直流母线电容进行放电:
· 正常操作中的关机
· 紧急情况(如碰撞后或检测到严重故障)
这些放电机制是基本的安全功能,旨在降低车辆乘客和维护人员遭受电击的风险,并防止潜在的火灾隐患。基于制造商的风险评估,这类应用通常被归类为汽车安全完整性等级B(ASIL-B)。
在800V BEV架构中,标称电池电压属于电压等级B(60V至1500V)。根据ISO 6469-4安全法规规定,系统必须在紧急情况下快速降低电压。具体来说,在碰撞后车辆停止的5秒内,母线电压必须降低并保持在60V DC以下。图3展示了典型的放电回路。
图3
在必要情况下,直流母线电容可通过IGBT放电。通过开启IGBT,电容中的所有能量都可以通过与IGBT串联的Rdis电阻进行放电。此类应用需要具备高浪涌电流能力的坚固IGBT。
预充电回路
预充电回路常用于电动汽车(如电池管理系统和车载充电器),也被广泛应用于工业领域(如电源和配电单元)。在电动汽车中,控制器不仅负责处理高电容的电气元件,还通过控制电机的功率流动,确保电机的平稳高效运行。通过预充电回路中的高压正极和负极接触器,可以安全地连接或断开电源与电容,从而防止启动时出现过大的浪涌电流。这种预充电机制可控制充电过程并确保系统安全,同时在必要时实现元件隔离。如果没有预充电回路,接触器闭合时可能发生焊接现象,导致瞬间电弧和潜在的损坏。
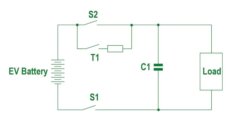
图4展示了一种预充电回路的拓扑结构。
图4
在该电路中,包含两个高电流、高电压接触器S1和S2,一个独立的预充电开关T1,以及一个与负载(如牵引逆变器)并联的直流母线电容C1。最初,两个高电流接触器S1和S2均处于打开状态,隔离了高压电池与负载之间的连接。预充电通过闭合开关T1(1300V A5A IGBT)和高压负极接触器S1开始,使直流母线电容充电至与电池电压相等的水平。在预充电过程完成后,开关T1断开,高压正极接触器S2闭合。由于在闭合高压正极和负极接触器前,直流母线电容已经被充电,因此不会产生显著的浪涌电流。1300V A5A IGBT具备高浪涌电流能力,因此非常适合这种应用。
图5
图5展示了Littelfuse公司采用1300V A5A IGBT的BDU演示板。
总结
随着汽车行业转向电动汽车的更高电压架构,硅 IGBT 对于需要较低开关频率和最小传导损耗的应用仍然至关重要。
上一篇:V2X车路协同系统
下一篇:C-V2X测试探秘系列之电磁兼容试验方法
推荐阅读最新更新时间:2026-03-19 18:12
- 边缘计算主机盒选购指南:五大核心指标解析
- Arm AGI CPU 更多细节:台积电 3nm 制程、Neoverse V3 微架构
- Arm AGI CPU 重磅发布:构筑代理式 AI 云时代的芯片基石
- Arm 拓展其计算平台矩阵,首次跨足芯片产品
- 阿里达摩院发布RISC-V CPU玄铁C950,首次原生支持千亿参数大模型
- 边缘 AI 加速的 Arm® Cortex® ‑M0+ MCU 如何为电子产品注入更强智能
- 阿里达摩院发布玄铁C950,打破全球RISC-V CPU性能纪录
- VPU中的“六边形战士”:安谋科技Arm China发布“玲珑”V560/V760 VPU IP
- 利用锚定可信平台模块(TPM)的FPGA构建人形机器人安全
- LTC2945IUD-1 在 -48V 系统中使用低侧检测进行电源监控的典型应用
- 用于 24V 汽车应用的 LTC4367IDD 过压电源保护控制器的典型应用
- LTC2635-HZ12 四通道、12 位数模转换器的典型应用
- 使用 ROHM Semiconductor 的 BU4821 的参考设计
- 使用 Analog Devices 的 AD9625 的参考设计
- LT1307CS8 高压反激式转换器的典型应用电路
- AD7858L 3V 至 5V 单电源、200ksps、8 通道、12 位采样 ADC 的典型应用
- AND8337/D、1.2V、1.5V DC 至 DC 单路输出电源参考设计
- DER-713 - 使用 InnoSwitch3-EP PowiGaN 和 MinE-CAP 的 65 W 高功率密度适配器
- LDK120C11R 1.1V低压降稳压器典型应用(可调版)电路

功率半导体应用手册
现代雷达系统的信号设计
BFR340T






京公网安备 11010802033920号