PWM 比较器的功能
还是以本系列文章中,用到的三相两电平逆变器为控制对象。下图是正弦波调制(SPWM)的三相两电平逆变器的波形。
输入的是三相的正弦波信号,三角载波与正弦信号波进行比较,当正弦信号波的值大于三角载波的值,输出“1”,否则,就输出“0”;PWM比较器一共生成6个PWM信号,控制6个IGBT的开通和关断。PWM比较器输出“1”控制IGBT开通,“0”信号IGBT关断。控制逆变器输出的三相相电压和三相线电压如下图所示。
对于三相两电平逆变器,为了防止上下桥臂同时导通而短路,PWM比较器还需要插入死区时间。
此外,为了让电流、速度和位置采样与PWM占空比的更新同步,以及控制器算法模型的触发运行,必须还有中断触发信号生成功能。
因此整个PWM比较器包括四部分:
(1) 三角载波生成;
(2) 信号比较,生成PWM控制信号;
(3) 插入死区时间;
(4) 中断触发信号生成;

正弦波调制(SPWM)的三相两电平逆变器的波形
三角载波生成
因为三角载波生成的模型是在FPGA中运行的,因此数据类型需要整型。
最方便的方法就是使用Simulink的HDL Coder模型库中的HDL Counter模块。通过控制输入端口dir控制HDL Counter模块的计数方向。

HDL Counter模块
示例模型如下:

三角载波生成的Simulink模型
仿真步长为1e-8,Relay 模块的Switch on point为10000,Switch off point为0,输出“0”或者“1” 控制HDL Counter模块的计数方向,生成0~10000的三角波,频率为5kHz。

三角载波信号
PWM 信号生成
三角载波与信号波进行比较,当信号波的值大于三角载波的值,输出“1”,否则,就输出“0”;PWM比较器一共生成6个PWM信号,控制6个IGBT的开通和关断。
此功能的Simulink模型如下:

PWM信号生成的Simulink模型
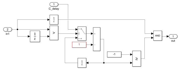
死区时间
通常死区时间的插入通过增加PWM信号的开通延时实现的。
简单说就是:如果PWM信号由“1”变“0”,即由开通变为关断,则马上关断;如果PWM信号由“0”变“1”,即由关断变为开通,则延时T_delay再开通;此功能的Simulink模型如下,C_delay端口为输开通延时计数值。

死区时间的Simulink模型
中断触发信号生成
此功能比较简单,Simulink模型如下图所示,在三角波的底点和顶点都产生中断,如果只在底点或者只在顶点,可以根据需要修改即可。

中断触发信号生成的Simulink模型
以上模型皆可以通过Simulink的HDL Coder工具生成HDL代码,部署至Speedgoat的FPGA板卡。
上一篇:永磁同步电机控制系统仿真—SVPWM算法的Simulink模型
下一篇:永磁同步电机控制系统仿真—控制器模型的整体结构
推荐阅读最新更新时间:2026-03-19 21:15
- 边缘计算主机盒选购指南:五大核心指标解析
- Arm AGI CPU 更多细节:台积电 3nm 制程、Neoverse V3 微架构
- Arm AGI CPU 重磅发布:构筑代理式 AI 云时代的芯片基石
- Arm 拓展其计算平台矩阵,首次跨足芯片产品
- 阿里达摩院发布RISC-V CPU玄铁C950,首次原生支持千亿参数大模型
- 边缘 AI 加速的 Arm® Cortex® ‑M0+ MCU 如何为电子产品注入更强智能
- 阿里达摩院发布玄铁C950,打破全球RISC-V CPU性能纪录
- VPU中的“六边形战士”:安谋科技Arm China发布“玲珑”V560/V760 VPU IP
- 利用锚定可信平台模块(TPM)的FPGA构建人形机器人安全
- LTC2945IUD-1 在 -48V 系统中使用低侧检测进行电源监控的典型应用
- 用于 24V 汽车应用的 LTC4367IDD 过压电源保护控制器的典型应用
- LTC2635-HZ12 四通道、12 位数模转换器的典型应用
- 使用 ROHM Semiconductor 的 BU4821 的参考设计
- 使用 Analog Devices 的 AD9625 的参考设计
- LT1307CS8 高压反激式转换器的典型应用电路
- AD7858L 3V 至 5V 单电源、200ksps、8 通道、12 位采样 ADC 的典型应用
- AND8337/D、1.2V、1.5V DC 至 DC 单路输出电源参考设计
- DER-713 - 使用 InnoSwitch3-EP PowiGaN 和 MinE-CAP 的 65 W 高功率密度适配器
- LDK120C11R 1.1V低压降稳压器典型应用(可调版)电路

【Follow me第三季第4期】英飞凌CY8CPROTO-063-BLE开发板全任务实战源码
电动汽车用永磁同步电机设计方法及相关问题的研究
现代雷达系统的信号设计
BFR340T






京公网安备 11010802033920号