1、启动、保持和停止电路
实现Y10的启动、保持和停止的四种梯形图如图所示。这些梯形图均能实现启动、保持和停止的功能。x0为启动信号,X1为停止信号。图a、c是利用Y10常开触点实现自锁保持,而图b、d是利用SET,RST指令实现自锁保持。

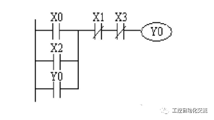
2、多地控制电路
下图是两个地方控制一个继电器线圈的程序。其中X0和X1是一个地方的起动和停止控制按钮,X2和x3是另一个地方的起动和停止控制按钮。

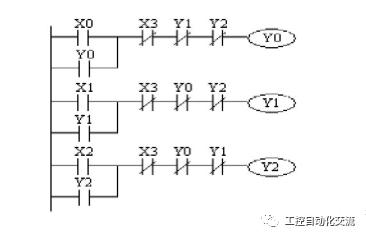
3互锁控制电路
下图是3个输出线圈的互锁电路。其中X0、 X1和X2是起动按钮,X3是停止按钮。由于Y0,Y1,Y2每次只能有一个接通,所以将Y0, Y1,Y2的常闭触点分别串联到其它两个线圈的控制电路中。

4、顺序启动控制电路
如图所示,Y0的常开触点串在Y1的控制回路中,Y1的接通是以Y0的接通为条件。这样,只有Y0接通才允许Y1接通。Y0关断后Y1也被关断停止,而且Y0接通条件下,Y1可以自行接通和停止。X0,X2为起动按钮,X1,X3为停止按钮。

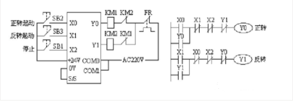
5、电机正反转电路

6、集中与分散控制电路
在多台单机组成的自动线上,有在总操作台上的集中控制和在单机操作台上分散控制的联锁。集中与分散控制的梯形图如图所示。x2为选择开关,以其触点为集中控制与分散控制的联锁触点。当 X2为ON时,为单机分散起动控制;当x2为OFF时,为集中总起动控制。在两种情况下,单机和总操作台都可以发出停止命令。

上一篇:以MOS管逆变桥为例分析驱动器的干扰源特性
下一篇:驱动器共模电流路径与数学模型分析
推荐阅读最新更新时间:2026-03-19 19:04
- 边缘计算主机盒选购指南:五大核心指标解析
- Arm AGI CPU 更多细节:台积电 3nm 制程、Neoverse V3 微架构
- Arm AGI CPU 重磅发布:构筑代理式 AI 云时代的芯片基石
- Arm 拓展其计算平台矩阵,首次跨足芯片产品
- 阿里达摩院发布RISC-V CPU玄铁C950,首次原生支持千亿参数大模型
- 边缘 AI 加速的 Arm® Cortex® ‑M0+ MCU 如何为电子产品注入更强智能
- 阿里达摩院发布玄铁C950,打破全球RISC-V CPU性能纪录
- VPU中的“六边形战士”:安谋科技Arm China发布“玲珑”V560/V760 VPU IP
- 利用锚定可信平台模块(TPM)的FPGA构建人形机器人安全
- LTC2945IUD-1 在 -48V 系统中使用低侧检测进行电源监控的典型应用
- 用于 24V 汽车应用的 LTC4367IDD 过压电源保护控制器的典型应用
- LTC2635-HZ12 四通道、12 位数模转换器的典型应用
- 使用 ROHM Semiconductor 的 BU4821 的参考设计
- 使用 Analog Devices 的 AD9625 的参考设计
- LT1307CS8 高压反激式转换器的典型应用电路
- AD7858L 3V 至 5V 单电源、200ksps、8 通道、12 位采样 ADC 的典型应用
- AND8337/D、1.2V、1.5V DC 至 DC 单路输出电源参考设计
- DER-713 - 使用 InnoSwitch3-EP PowiGaN 和 MinE-CAP 的 65 W 高功率密度适配器
- LDK120C11R 1.1V低压降稳压器典型应用(可调版)电路

电动机的DSP控制
现代雷达系统的信号设计
BFR340T






京公网安备 11010802033920号