定时自动循环控制电路
三相异步电动机容量为1.5KW,要求电路能定时自动循环正反转控制;正转维持时间为20秒钟,反转维持时间为40秒钟。时间继电器的延时时间不得小于15秒,时间调整应从长向短调。

定时自动循环控制电路工作原理
合上电源开关QF,按保持按钮SB2,中间继电器KA吸合,KA的自保触点与按钮SB2、KT1、KT2断电延时闭合的动断触点组成的串联电路并联,接通了起动控制电路。按起动按钮SB3,时间继电器KT1得电,其断电延时断开的动合触点KT1闭合,接触器KM1线圈得电,主触点闭合,电动机正转(正转维持时间为20秒计时开始)。同时KM1动合触点接通了时间继电器KT2,其串联在接触器KM2线圈回路中的断电延时断开的动合触点KT2闭合,由于KM1的互锁触点此时已断开,接触器KM2线圈不能通电。当正转维持时间结束后,断电延时断开的动合触点KT1断开,KM1释放,电动机正转停止。KM1的动断触点闭合,接触器KM2线圈得电,主触点闭合,电动机开始反转。同时KM1动合触点断开了时间继电器KT2线圈回路(反转维持时间为40秒计时开始)。这时KM2动合触点又接通了KT1线圈,断电延时断开的动合触点KT1闭合,为下次电动机正转作准备。因此时串联在接触器KM1线圈回路中的KM2互锁触点断开,接触器KM1线圈暂时不得电。与按钮SB2串联的KT1、KT2断电延时闭合的动断触点是保证在电动机自动循环结束后,才能再次起动控制电路。热继电器FR常闭触点,是在电动机过负载或缺相过热时将控制电路自动断开,保护了电动机。
自动往复循环控制电路

行程开关安装在工作台上,SQ1用于控制电动机正转到设定的位置时停止,并转换为反转方式;SQ2用于控制电动机反转到设定的位置时停止,并转换为正转方式。工作台在行程开关SQ1和SQ2之间自动往复运动。自动往复循环控制电路的工作过程如下。

该电路适用于采用小容量电动机且往返不太频繁的控制场合。电动机带动工作台自动往复运动,若要在运动中停车,按下停车按钮SB1即可。
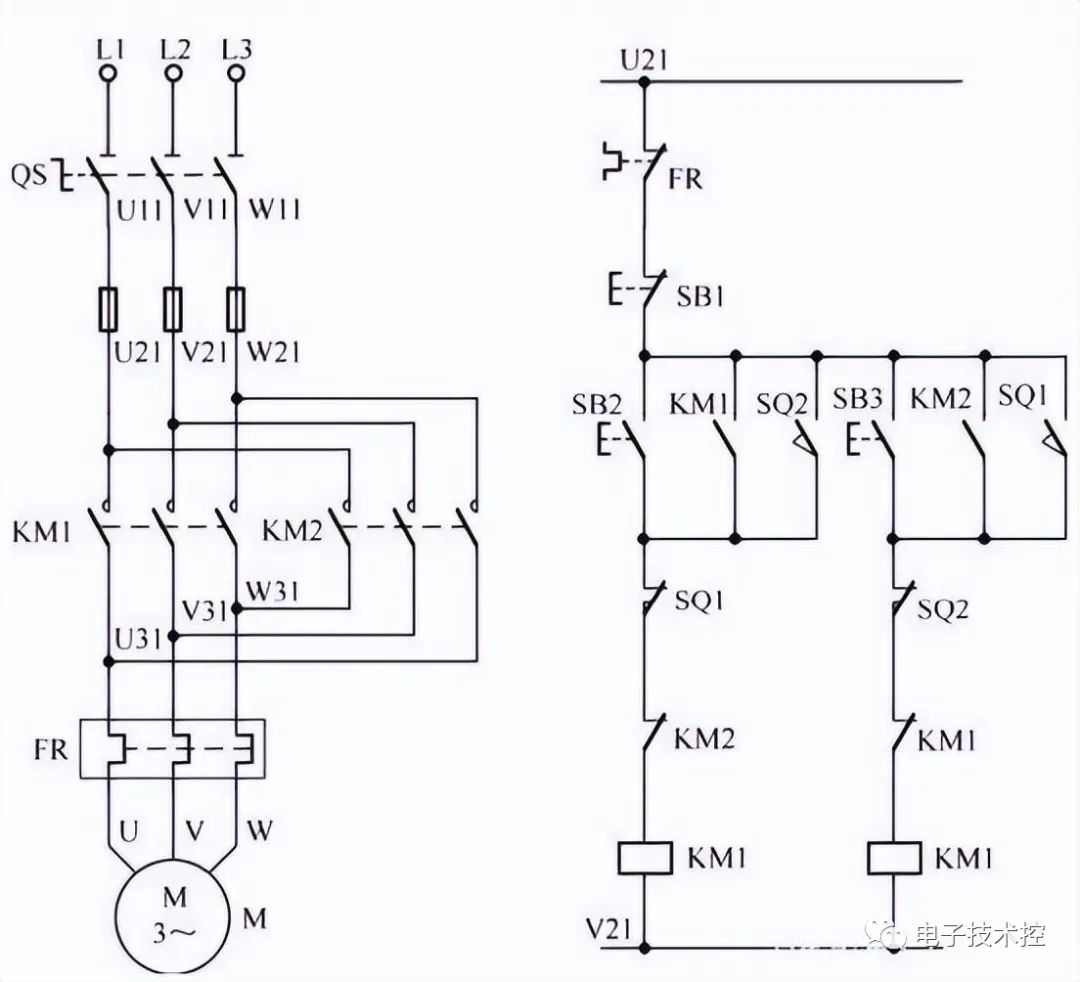
电动机自动循环控制电路
由两台电动机构成的自动循环控制电路,其动力部件的构成及自动循环工作过程如图所示。

此控制电路可完成这样一个工作循环:首先使动力头Ⅰ由位置b移到位置a后停下,然后动力头Ⅱ由位置c移到位置d停住,接着使动力头Ⅰ和Ⅱ同时退回原位停下。
限位开关SQ1、SQ2、SQ3、SQ4分别装在床身上的a、b、c、d处。电动机M1带动动力头Ⅰ,电动机M2带动动力头Ⅱ。动力头Ⅰ和Ⅱ在原位时分别压下SQ1和SQ2。电路的工作过程如下。
按启动按钮SB2,接触器KM1得电并自锁,使电动机M1正转,动力头Ⅰ由原位b点向a点前进。
当动力头到a点位置时,SQ2限位开关被压下,结果使KM1失电,动力头Ⅰ停止;同时使KM2得电动作,电动机M2正转,动力头Ⅱ由原位c点向d点前进。
当动力头Ⅱ到达d点时,SQ4被压下,结果使KM2失电,与此同时KM3与KM4得电动作并自锁,电动机M1与M2都反转,使动力头Ⅰ与Ⅱ都向原位退回。当退回到原位时,限位开关SQ1、SQ2分别被压下,使KM3和KM4失电,两个动力头都停在原位。同时,它们的动合触点闭合,使得KM1又得电,新的循环开始。
该电路在机床运行电路中比较常见。SQ1、SQ2、SQ3和SQ4的触点位置改变是工作台状态变换的条件。KM3和KM4接触器的辅助动合触点起自锁作用,这样能够保障动力头Ⅰ和Ⅱ都能够退回到原位。如果只用一个接触器的触点自锁,那另一个动力头就可能出现没退回到原位而接触器就已失电的情况。
上一篇:继电保护系统构成?继电保护的基本要求有哪些?
下一篇:检查伺服电机好坏的方法有哪些
推荐阅读最新更新时间:2026-03-19 21:57
- 边缘计算主机盒选购指南:五大核心指标解析
- Arm AGI CPU 更多细节:台积电 3nm 制程、Neoverse V3 微架构
- Arm AGI CPU 重磅发布:构筑代理式 AI 云时代的芯片基石
- Arm 拓展其计算平台矩阵,首次跨足芯片产品
- 阿里达摩院发布RISC-V CPU玄铁C950,首次原生支持千亿参数大模型
- 边缘 AI 加速的 Arm® Cortex® ‑M0+ MCU 如何为电子产品注入更强智能
- 阿里达摩院发布玄铁C950,打破全球RISC-V CPU性能纪录
- VPU中的“六边形战士”:安谋科技Arm China发布“玲珑”V560/V760 VPU IP
- 利用锚定可信平台模块(TPM)的FPGA构建人形机器人安全
- LTC2945IUD-1 在 -48V 系统中使用低侧检测进行电源监控的典型应用
- 用于 24V 汽车应用的 LTC4367IDD 过压电源保护控制器的典型应用
- LTC2635-HZ12 四通道、12 位数模转换器的典型应用
- 使用 ROHM Semiconductor 的 BU4821 的参考设计
- 使用 Analog Devices 的 AD9625 的参考设计
- LT1307CS8 高压反激式转换器的典型应用电路
- AD7858L 3V 至 5V 单电源、200ksps、8 通道、12 位采样 ADC 的典型应用
- AND8337/D、1.2V、1.5V DC 至 DC 单路输出电源参考设计
- DER-713 - 使用 InnoSwitch3-EP PowiGaN 和 MinE-CAP 的 65 W 高功率密度适配器
- LDK120C11R 1.1V低压降稳压器典型应用(可调版)电路

电动机的DSP控制
现代雷达系统的信号设计
BFR340T






京公网安备 11010802033920号