本篇讲述使用蓝桥杯g4开发板——CT117E改变可编程电阻的值。

蓝桥杯开发板可编程电阻外设电路图
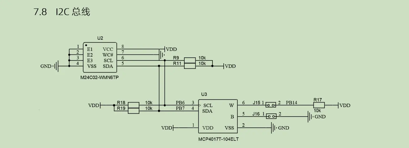
可编程电阻与EEPROM外设一样挂载到I2C总线上。

可编程电阻原理图

数据手册说明
官方在数据手册中说得很清楚了,我这里就多嘴提一下电路原理。
可编程电阻其实是由许多个小电阻串联形成。MCP4017这款可编程电阻由128个电阻串联而成,分辨率为7bit。比如我们需要电阻为零时,需要输入命令00(十六进制形式),则与B端相连的开关闭合,相当于电阻全部被短路,电位器电阻为零。同理,输入命令3F,则接入电路中的电阻为总电阻的一半;输入命令7F,全部电阻接入电路。

编程电阻范围
开发板1上选用的是经典型,最大阻值100kΩ,步长787.4Ω。
更改write_resistor()函数括号里的值,就能改变电阻阻值。
write_resistor(127);//127*787.4 电阻全部接入电阻。
关键字:stm32
引用地址:
6.stm32 可编程电阻
推荐阅读最新更新时间:2026-03-20 11:23
首款可编程记忆电阻器计算机问市,性能远超GPU
导读:近日,密歇根大学研发成功第一台可编程的忆阻器计算机,它不仅是一个通过外部计算机运行的忆阻器阵列,而且还是可以在智能手机等小型设备上进行 AI 处理的计算机。 忆阻器(Memristor,全称记忆电阻器)阵列芯片插入定制的计算机芯片,第一台可编程的忆阻器计算机就此诞生。该研究团队证明了忆阻器计算机可以运行三种标准的机器学习算法。 这台可编程的忆阻器计算机可以直接在类似于智能手机和传感器等能耗受限的小型设备上来进行人工智能处理。智能手机的人工智能处理器意味着语音命令将不再需要发送到云端进行处理,从而加快了请求的响应时间。 “每个人都想在智能手机上安装一个人工智能处理器,但大家都不想让自己的手机电量消耗得太快。”
[嵌入式]
用作测试负载的数字可编程电阻器
图1所示的数字可编程精密电阻可在定制设计的 ATE(自动测试设备)中用作微处理器驱动的电源负载。IC1 是一个 8 位 电流输出型 DAC,即DAC08型DAC ,它驱动电流-电压变换器 IC2A,IC2A又驱动功率 MOSFET Q1 的栅极。被测器件连接到 J1 和 J2。在工作时,来自被测器件的电流在采样电阻 R8A 和 R8B 上形成一个电压。放大器 IC2B 驱动 IC1 的基准输入端,并使反馈路径闭合。当 R8A 和 R8B 上的压降达到 Q2 的 VBE(ON) 时,晶体管 Q2 分流 Q1 的栅极驱动电流,提供过流保护功能。VO 和 IO 分别为输出电压和输出电流,N 代表加到 IC1 的二进制输入的等效十进制值
[测试测量]
电阻可编程模拟温度传感器设计方案
LM57采用极小封装的电阻(0.5mm×1mm),可以编程为任意的256跳闸温度,并占用很小的电路板空间。VTEMP输出可以提供一个模拟输出电压,该输出电压具有负温度系数(NTC),与测量的温度成正比。 器件内置温度迟滞(THYST)可以保持输出稳定(在热振荡的环境中)。当裸片温度超过TTRIP时,数字温度开关输出将被激活,当温度低于TTRIP minus THYST时,将释放数字温度开关输出。其中一个数字输出,TOVER,是高活跃推挽结构。其他数字输出,TOVER是低活跃漏极开路结构。 图1 LM57内部方框图 如果TRIP-TEST输入高,将使数字输出活跃。一个处理器可读取温度开关输出的逻辑电平,以确认他们进入了活跃
[电源管理]
泛华恒兴推出基于PXI总线的双通道可编程电阻卡
近日,北京泛华恒兴科技有限公司(简称:泛华恒兴)推出了一个款基于PXI总线的双通道可编程电阻卡—PS PXI-3110。 PS PXI-3110通过软件选取最优的校准数据、补偿电路对输出的电阻进行补偿,为用户提供高精度的电阻输出。PS PXI-3110选用精密低温漂电阻,并通过低功耗控制将功耗降低了1/3,在减少板卡热量的同时,降低了因温度变化或其他环境因素改变导致阻值改变的非线性误差。PS PXI-3110支持自动/手动两种配置模式。 “PS PXI-3110前端具备一个15V的过压保护电路,当输入电压超过15V时,电阻卡会自动将通道电阻设置为最大电阻输出,电阻卡具有输入过压检测功能,防止电压过高导致板卡损坏。”泛华恒兴硬件
[电源管理]
TI推出低功耗电阻可编程温度开关
2007 年 12 月 14 日,北京讯 日前,德州仪器 (TI) 宣布推出采用业界最小封装SC70、工作电源电压范围最大的低功耗电阻可编程温度开关 —— TMP300。该器件允许简便的温度监测和控制,微小型封装使其成为电源系统、DC/DC 模块、热监控与电子防护系统的理想选择。 TMP300 具备一个能够通过添加单个低价电阻器进行设置的跳变点,而开漏输出可控制电源开关或提供处理器中断。该器件上的独立引脚提供了 10mV/C 的模拟输出,可用作测试点或用于温度补偿环路中。TMP300 具有 1.8V 至 18V 的宽泛电源电压范围,无需 MCU/DSP 即可实现简单热监控,从而使该器件能够充分利用各种应用(从电池供电手持式设备到工
[新品]
STM32学了两年半,却还是不会做项目
可能你已经学习了很久,但是当Leader抛给你一个STM32项目,你是不是依然手足无措? 有一朋友刚开始学习的51单片机,后来转STM32了。 主要是跟着网上的在线课程学习,自己下边跟着敲代码。 过程中学过各种培训机构出的视频课程,接触过操作系统,开发板上的例程都可以做出来。 后来他又学习了PCB绘制,由于在学校的时候没学到多少东西,而且不是电子类专业,陷入了迷茫,不知道该怎么学了。 记得在上大学的时候,专业课老师曾反复叮嘱我们“ 老师领进门,修行看个人 ”。 这话之后还没完,经常告诫我们要深入学习51单片机。 当时没有完全理解他的意思,直到工作若干年之后才知道。 在嵌入式领域,技术上有所精进,底层的东西
[嵌入式]
STM32调试诊断工具 | STM32CubeMonitor介绍、下载、安装和使用教程
STM32CubeMonitor介绍 STM32CubeMonitor是一款替代网页链接的工具,同样可以通过实时读取和显示变量来帮助调试和诊断STM32应用程序的工具。 当然,它的功能相比之前的STM Studio肯定要强大很多,可以轻松创建自定义仪表板,并快速添加仪表盘,例如仪表,条形图和曲线图等。 先来看下安装好之后打开的界面: 主要特征: •基于图形流的编辑器,不需要编程来构建仪表板 •通过ST-LINK (SWD、JTAG协议)连接到任何STM32设备 •在目标应用程序运行时,在RAM中实时读取和写入变量解析来自应用程序可执行文件的调试信息 •直接获取模式或快照模式 •关注感兴趣的应用行为 •允许将数据记录到
[单片机]
STM32 HAL库 MODBUS-RTU 串口通信
现行市场上的MODBUS实现都是官方标准的某种变体。不同的供应商设备之间可能无法正确的通信。我根据自己的需求用 MODBUS -RTU协议写了一个通过串口通信的实现。 MODBUS协议的介绍可以参考这篇 https://www.bilibili.com/opus/546416352263391792 串口的配置可以参考之前写的这两篇 https://www.bilibili.com/opus/489432912320458041 https://www.bilibili.com/opus/489466232682393593 其中可以更改的部分中 本从机的地址码是0x01 功能1的功能码是0x78(这是MODB
[单片机]