作为第三代半导体产业发展的重要基础材料,碳化硅MOSFET具有更高的开关频率和使用温度,能够减小电感、电容、滤波器和变压器等组件的尺寸,提高系统电力转换效率,并且降低对热循环的散热要求。在电力电子系统中,应用碳化硅MOSFET器件替代传统硅IGBT器件,可以实现更低的开关和导通损耗,同时具有更高的阻断电压和雪崩能力,显著提升系统效率及功率密度,从而降低系统综合成本。

图:SiC/Si器件效率对比
一、行业典型应用
碳化硅MOSFET的主要应用领域包括:充电桩电源模块、光伏逆变器、光储一体机、新能源汽车空调、新能源汽车OBC、工业电源、电机驱动等。
1.充电桩电源模块
与下游数量较多的充电桩制造商和运营商不同,目前充电模块行业玩家数量有限。历经过去几年的激烈竞争,行业逐渐出清。目前主流企业仅10家左右,包括特来电、盛弘股份、科华恒盛等为代表的自产自用型;以及英飞源、优优绿能、星源博睿、英可瑞等为代表的外供型两类。
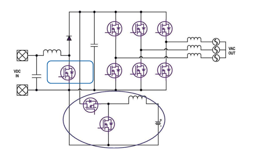
随着新能源汽车800V平台的出现,主流充电模块也从之前主流的15、20kW向30、40kW发展,输出电压范围300Vdc-1000Vdc,并且具备双向充电功能,以达到V2G/V2H等技术要求。因此,越来越多充电模块企业开始采用SiC MOS方案。

图:新能源充电桩中SiC的应用
2.光伏逆变器
在全球可再生能源的大力发展以及“双碳”战略目标的推动下,全球光伏产业迅速扩张,光伏逆变器市场整体也呈现高速发展趋势。根据海关总署数据,从出货情况来看,2023逆变器累计出口99.54亿美元,同比+11%。
经过多年的市场竞争,当前我国光伏逆变器行业已经形成较为集中、整体竞争较为充分的格局。同时,国内知名逆变器品牌仍保持快速增长,出货量及全球市场占有率也在稳步提升。数据显示,2022年全球光伏逆变器供应商出货量市场排名前五的企业是:阳光电源、华为、古瑞瓦特、锦浪科技和SMA。而在研究机构BNEF公布的“全球最具融资价值光伏逆变器品牌”前十名榜单中,也有6家中国逆变器企业入围,其中,正泰电源、华为、阳光电源居于前三,锦浪、特变电工、固德威也位列其中。

图:光伏逆变器中SiC的应用
3.光储一体机
光储一体机采用电力电子控制技术,通过智能控制实现能量转移,协调控制光伏与储能电池,平抑功率波动,并通过储能变流技术输出满足标准要求的交流电能向负载供电,满足用户侧多场景应用,广泛应用于离网光伏电站、分布式后备电源、储能电站等场合。国内光储一体机生产企业主要有:科陆电气、盛弘股份、兴储世纪、时代能创、精石电气、锦宇新能源、智源新能、采日能源、华自科技、邦照电气等。

图:光储一体机中SiC的应用
4.新能源汽车空调
随着800V平台在新能源汽车上的兴起,在汽车空调压缩机控制器方案中,SiC MOS凭借其高压高效、贴片封装体积小等优势,成为市场首选。行业头部客户如弗迪科技、翰昂、华域三电、苏州中成、奥特佳、海立、威灵、上海光裕、重庆超力等。

图:新能源汽车空调中SiC的应用
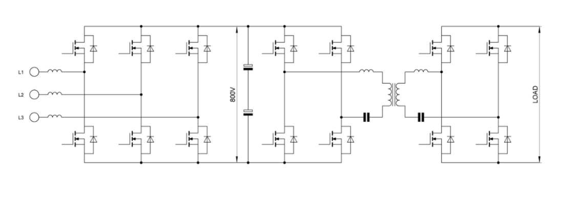
5.大功率OBC
三相OBC电路中SiC MOS应用更高的开关频率,可以减小磁性元器件体积和重量,提高效率和功率密度,同时高系统母线电压,大大减少功率器件数量,便于电路设计,提高可靠性。

图:大功率OBC中SiC的应用
6.工业电源
工业电源主要应用于如医疗电源、激光电源、逆变焊机、大功率DC-DC电源、轨道牵引机等,需要高压、高频、高效率的应用场景。
二、竞争格局
调研机构Yole报告显示,由于SiC MOS晶圆的产能限制,头部SiC品牌如意法半导体(ST)、英飞凌科技(Infineon)、Onsemi、Wolfspeed和Rohm主力出货市场都集中在新能源汽车行业, 包括电驱、OBC和 DC/DC, 新能源汽车市场在2022年占据功率SiC市场份额的70%,到2028年,预测这一比例将增长至74%。

图:SiC主要应用市场及占比
在国产碳化硅功率器件企业中,基本半导体依托强大的技术团队,以及在车规级SiC模块产品积累的丰富经验,研发推出的第二代SiC MOS在光伏储能、充电桩、工业电源、新能源汽车等领域都有量产出货,广受市场欢迎。
深圳基本半导体有限公司是中国第三代半导体创新企业,专业从事碳化硅功率器件的研发与产业化,研发覆盖碳化硅功率半导体的芯片设计、晶圆制造、封装测试、驱动应用等产业链关键环节。核心产品包括碳化硅二极管和MOSFET芯片、汽车级及工业级碳化硅功率模块、功率器件驱动器及门极驱动芯片等,性能达到国际先进水平。公司在深圳投产6英寸碳化硅芯片产线、无锡投产汽车级碳化硅功率模块专用产线;自主研发的汽车级碳化硅功率模块已收获了近20家整车厂和Tier1电控客户的30多个车型定点,成为国内第一批碳化硅模块量产上车的头部企业;采用自研芯片的碳化硅功率器件已累计出货数千万颗,服务于光伏储能、电动汽车、轨道交通、工业控制、智能电网等领域的全球数百家客户。
三、产品选型表
基本半导体第二代碳化硅MOSFET系列产品基于6英寸晶圆平台开发,比上一代产品在比导通电阻、开关损耗以及可靠性等方面表现更为出色。

图:碳化硅MOSFET

图:基本半导体SiC MOSFET产品选型表
四、总结
作为亚太区领先的电子元器件授权代理商Excelpoint世健旗下的全资子公司, Synergy世辉电子继承了良好的技术基因, 能提供一站式的器件硬件支持, 同时也在培养自己的软件工程师,后续还将提供高速电机的软件测试支持, 助力客户建立自主可控的应用开发能力,并缩短项目周期,在激烈的市场中早日占领高地。
上一篇:德州仪器推出先进的 GaN IPM,助力打造尺寸更小、能效更高的高压电机
下一篇:安森美选址捷克共和国打造端到端碳化硅生产,供应先进功率半导体
推荐阅读最新更新时间:2026-03-09 00:49
- 麦米电气采用英飞凌CoolMOS™ 8 MOSFET驱动其新一代AI服务器
- 面向数据中心备电系统的电池检测新路径:EIS技术加速走向规模化应用
- Bourns 全新推出符合 AEC-Q200 标准车规级半屏蔽功率电感
- 工业级电动工具控制:电源管理与信号采集解决方案
- 德州仪器推出高性能隔离式电源模块,助力数据中心和电动汽车提高功率密度
- GM6402:40V/2A 高效降压模块,LTM8074 最佳替代,芯片涨价潮中,共模好芯不涨价
- Power Integrations将反激拓扑功率范围扩展至440W,打造比谐振设计更简洁的电源方案
- Vishay新款光电晶体管光耦合器提高工业应用的精度和能效
- 瑞萨电子推出全新GaN充电方案, 为广泛的工业及物联网电子设备带来500W强劲功率
- 使用 ON Semiconductor 的 MPIC2151P 的参考设计
- OP249GSZ-REEL7 用于反相放大器配置的失调调整典型应用电路
- EVAL-AD7686CB,用于评估 AD7686CRM 16 位、500 K 高分辨率 ADC 的评估板
- 使用 ROHM Semiconductor 的 BA70BC0T 的参考设计
- NSI45025ZT1G 单串LED恒流LED驱动器的典型应用
- 使用 Analog Devices 的 LT1117CM-3.3 的参考设计
- MIC5255 的典型应用:150mA 低噪声电容 CMOS LDO
- DC1865A,使用 LT3055、500mA、具有精密电流限制和诊断功能的线性稳压器的演示板
- 使用 Analog Devices 的 LTC3374AEFE 的参考设计
- LTC3566 的典型应用 - 高效率 USB 电源管理器加上 1A 降压-升压转换器

《无线电入门与晶体管收音机》
MOSFET及MOSFET驱动电路总结
现代雷达系统的信号设计
BFR340T






京公网安备 11010802033920号