芯片行业,什么领域最卷,那一定是AFE(模拟前端)。借用芯小二的一段话便是:“做ADC的公司,要做AFE,因为AFE核心IP是高精度ADC;做电源的公司,也要做AFE,因为AFE内部拥有很多电源和保护单元;做MCU的公司,也要做AFE,因为AFE本身就是数模混合芯片,只不过工艺和MCU工艺差别;创业公司也做AFE,因为公司有ADI/TI的专家,或者公司有BCD工艺的专家。”
尤其BMS AFE芯片赛道,国产厂商玩家越来越多。芯查查日前文章表示,越来越多的国产厂商进入BMS AFE芯片赛道,加上即将入局的玩家,已经超过了50多家国产厂商进入这一赛道。
BMS中最重要的芯片
BMS芯片主要分为AFE、MCU、ADC、SBC和隔离芯片几大类。其中,AFE(analog front end),中文是模拟前端,而在BMS里,专指“电池采样芯片”,即用来采集电芯电压和温度等。

对BMS来说,芯片选型最重要的非AFE莫属。无论是新能源乘用车,还是储能,BMS技术很关键的技术就是电芯参数的采集与防护,即所谓的AFE技术。因此,可以说,AFE方案直接决定了整个BMS系统方案。

当然,也不是说AFE测量精度高就好了,而是与电量计有关。一般来说,AFE为电量计提供电池的电压、温度和电流读数。
电量计通常采用内部算法运行复杂的计算,它分析电压、电流和温度测量值与存储在其内存中的特定电池模型的关系,然后再将这些测量值转换为SOC和SOH输出。电池模型是通过在不同温度、容量和负载条件下对电池进行表征生成的,它以数学方式定义其开路电压以及电阻和电容组件。基于电池模型,电量计算法能够根据这些参数在不同运行条件下的变化计算出最佳SOC。因此,如果电量计的电池模型或算法不够精确,则无论AFE测量精度多高,计算结果都是不精确的。换言之,采用高精度电量计对BMS的SOC精度影响最大。

目前市面上AFE内部结构大同小异,不同点主要在于硬件资源方面,还有针对功能安全要求所设计的架构形式。体现在参数上,便是采样通道数量、内部ADC的数量、类型与架构。

AFE芯片一般由采集模块、均衡模块和通讯模块等组成,而BMS AFE会根据细分行业不同,有着不同的可靠性、功能、性能、成本、失效率,包括消费电子、储能、电动工具、两轮车、电摩、汽车。
其中,车规级BMS AFE要求最高,除了可靠性,需要的采样率也比较高。因此,车规级BMS AFE属于实力的一种象征。
巨头的不同打法
BMS AFE芯片技术门槛很高,由于涉及到产品安全,需要长期深耕。
在BMS AFE领域,TI(德州仪器)、ADI(亚德诺半导体)、NXP(恩智浦)、瑞萨(Renesas)等巨头非常具备代表性,四家合计占了将近9成的市场份额。而能提供车规级BMS芯片的供应商主要有ADI(AFE产品主要来自收购MAXIM、Linear的产品线)、TI、英飞凌、NXP、瑞萨(AFE产品主要来自收购Intersil的产品线)、ST和ONsemi(安森美)等企业。
TI作为半导体行业大佬,AFE也非常强大,覆盖面也非常广,从低压到高压基本全有。比如说,笔记本电脑、医疗与测试设备、便携式仪表适用的1串~4串 BQ40z50-R1,适用两轮车、基站储能电池的3串~15串 BQ76930,最高6串的车规级BQ756506-Q1,最高18串的车规级BQ79718-Q1。

BQ79718-Q1系统简化图
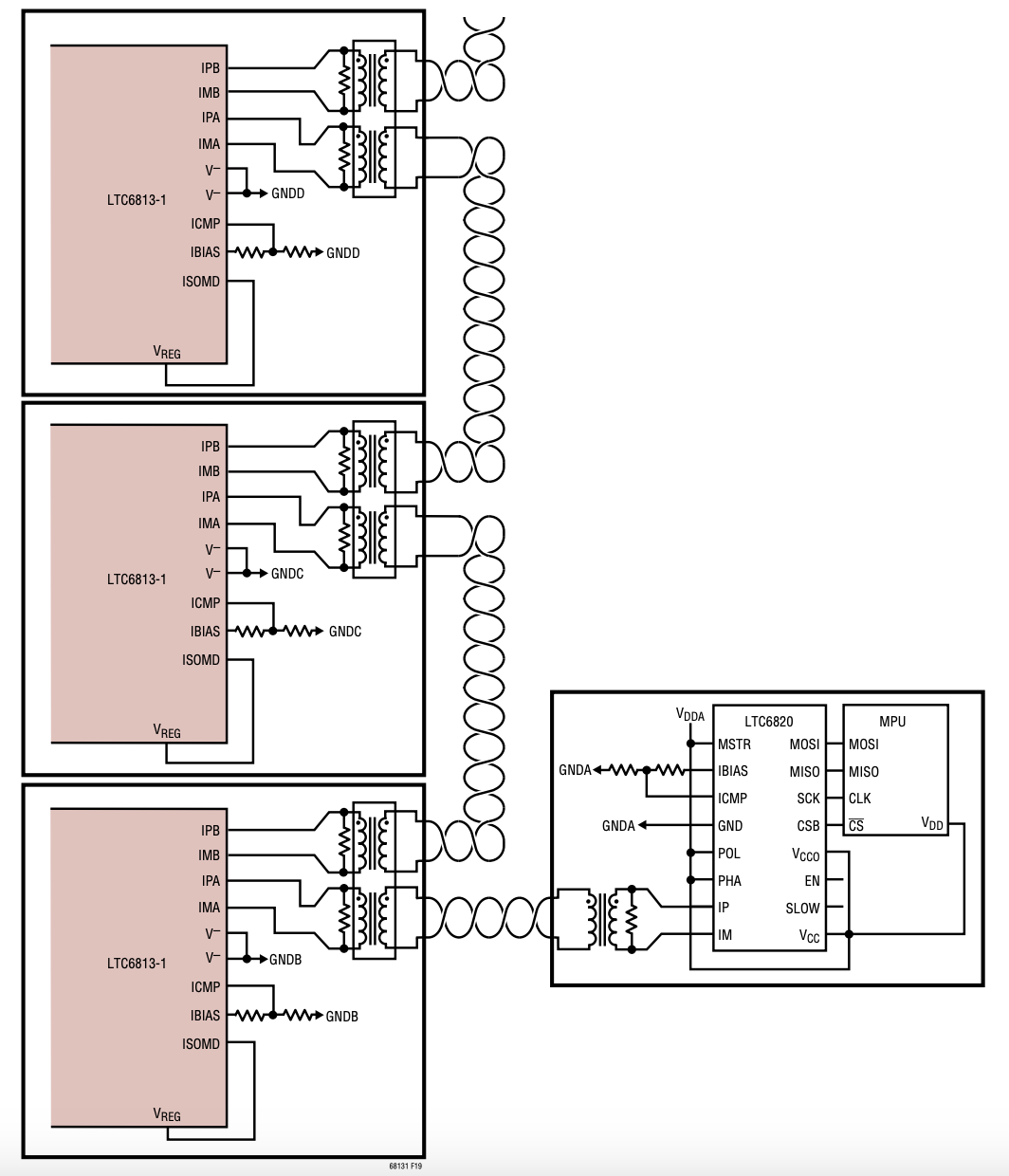
ADI的AFE产品线主要来自收购的凌力尔特和美信,方案主要集中在高压电池,包括菊花链和集中式,一般大型储能项目,动力电池项目均适用。比如说,最高18串、菊花链架构典型方案LTC6813,集中式架构的典型方案LTC6811-2。

LTC6813-1系统简化图
NXP更侧重汽车动力电池BMS,功能安全等级可以做到ASIL D,单颗AFE最高14串,支持级联。

MC33771C系统简化图
此外,瑞萨的ISL786系列、ST的L9963系列、英飞凌TLE9018DQK等产品均是主流选择。

国际AFE芯片厂商汇总表(部分),图源|与非研究院
在国外,BMS AFE芯片已经变得非常卷,特别是车规级BMS AFE芯片。芯查查报道显示,目前18通道的AFE芯片成本已经做到2美元,售价不到3美元,预计明年售价会降到2美元以下。而此前18通道AFE芯片售价在8美元以上。
在这种价格之下,国产厂商除非做到更优的价格,否则很难抢占市场。不过,随着越来越多整机厂开始采用国产供应链,BMS AFE芯片正在高速发展,加之导入电化学阻抗谱(Electrochemical Impedance Spectroscopy,EIS)之类的新技术,国产正在逐渐走向光明。
有哪些国产产品?
目前,国内主要玩家包括新唐科技、琪埔维、比亚迪半导体、大唐恩智浦(合资)、矽力杰、杰华特、拓尔微、南京集澈、中颖电子、创芯微、凹凸科技、华泰半导体、比亚迪、航天民芯、赛微微电、集澈电子等。与此同时,也有很多公司正在研发BMS AFE芯片中。

国产AFE芯片厂商汇总表(部分),图源|与非研究院整理
目前,国内公司的主要战场在于笔记本电脑、电动自行车、电动工具、扫地机器人以及小型储能市场,国内芯片厂商在加紧进行验证测试,正处于成长期。
在车规级产品方面,主要有四家国内公司拥有产品,包括新唐科技、琪埔维、比亚迪半导体、以及大唐恩智浦,此外也有很多国产产品正在过车规。

国产车规级BMS AFE芯片企业及其产品系列,图源|芯查查
据了解,国内终端厂商、锂电厂商都对国产芯片有着强烈需求,我们会针对头部客户推出其专属的定制化芯片,目前还处于产品的放量阶段,市场需求非常大。
随着国内厂商逐渐跟进,国产也即将开始新一轮的内卷。
上一篇:支持Qi和 AirFuel的双标准无线充电天线和有源整流系统
下一篇:英飞凌推出适用于汽车电池管理系统的PSoC™ 4 HVPA-144K微控制器
推荐阅读最新更新时间:2026-03-01 02:54
- 麦米电气采用英飞凌CoolMOS™ 8 MOSFET驱动其新一代AI服务器
- 面向数据中心备电系统的电池检测新路径:EIS技术加速走向规模化应用
- Bourns 全新推出符合 AEC-Q200 标准车规级半屏蔽功率电感
- 工业级电动工具控制:电源管理与信号采集解决方案
- 德州仪器推出高性能隔离式电源模块,助力数据中心和电动汽车提高功率密度
- GM6402:40V/2A 高效降压模块,LTM8074 最佳替代,芯片涨价潮中,共模好芯不涨价
- Power Integrations将反激拓扑功率范围扩展至440W,打造比谐振设计更简洁的电源方案
- Vishay新款光电晶体管光耦合器提高工业应用的精度和能效
- 瑞萨电子推出全新GaN充电方案, 为广泛的工业及物联网电子设备带来500W强劲功率
- ASM330LHH适配器板,标准DIL24插座
- LT1071 电流升压型升压转换器的典型应用
- SECO-HVDCDC1362-15W-GEVB:用于 HEV 和电动汽车的 15 W SiC 高压辅助电源 纯电动汽车应用
- 使用 ON Semiconductor 的 KA7812E 的参考设计
- NCP5007 紧凑型背光 LED 升压驱动器的典型应用,具有模拟反馈的基本直流电流模式操作
- ADA4000-4ARZ运算放大器缓冲网络配置的典型应用电路
- 具有 PWM 调光功能的 NSI45030AT1G 350mA LED 灯串的典型应用
- DER-972 - 使用 LinkSwitch-TN2 的 6 W 高输出电流非隔离降压转换器,适用于电器
- AKD4348-SA,AK4348 24 位 8 通道 DAC 评估板
- LT1764AET-2.5 3.3 VIN 至 2.5 VOUT LDO 稳压器的典型应用

单片机HC32F460驱动LED专用芯片T5020串联应用程序和有关自用函数
如何配置 STM32MP257 的 RMII Switch
现代雷达系统的信号设计
BFR340T






京公网安备 11010802033920号