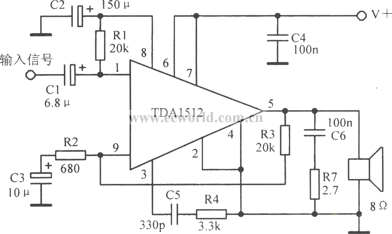
TDAl512典型应用电路
来源:互联网发布者:super_star 更新时间: 2017/10/28
电子电路资源推荐
- Altium Designer中文帮助手册

来源:下载中心
- 《太阳能光伏发电系统原理与应用技术( 何道清等)》

来源:下载中心
- 电阻和电阻定律以及0欧电阻和上、下拉电阻的作用

来源:电路图
- 二极管工作原理

来源:大学堂
- 二极管工作原理

来源:大学堂
- 叠加原理:概念及其求解过程

来源:电路图
推荐帖子 最新更新时间:2026-03-24 23:29
- 新手提问,为什么quartus 11 vwf文件波形不更新呢
- 请教各位, quartus11 建了波形文件,点stART simulation后为什么vwf不更新,但simulation report却有输出呢 新手提问,为什么quartus 11 vwf文件波形不更新呢 它是输入文件,仿真是不会更新的。仿真输出是仿真报告。 一般步骤是你更
yaxuangela
FPGA/CPLD
- 使用LM3S8962感受
- 以前只是听过TI的 Stellaris 系列ARM好用,外设丰富,因此最近也在学习,经过接触之后确实比较好用,很多现成的库可以直接调用使用,不用自己再编写许多库函数了,希望能接着深入学习下去! 使用LM3S8962感受 我也有同感,不像单片机那样的单一。
yzl624358
微控制器 MCU
- zigbee-CC2430系列模块datasheet
- CC2430模块是第一个真正意义上的ZigBee SOC芯片CC2430精心设计的无线收发模块;工作载频为2.4GHZ,采用扩频技术,另CC2430器件的性能已超过了IEEE802.15.4规范的要求;同时还具有优异的选择性和灵敏度等RF性能,这使得工作在2.4GHz ISM频
rock_chu
无线连接
- 单片机板上的晶振工作时是否有辐射?
- 请教单片机板上的晶振工作时是否有辐射? 单片机板上的晶振工作时是否有辐射? 会出来一点电磁波。功率uW级别。 谢谢! 回复 沙发 54et 的帖子
chutiandavid
单片机
- 今天收到补寄的触摸板了,说实话被吓了一跳.....嘿嘿
- 看来这次TI这是不计成本了....这么个小东西用了这么大个盒子.....去取快递的时候真是被吓了一跳啊... 海绵上的胶带本来是十字贴的,被我撕掉 了 一条... 终于看到崭新的触摸板了,真的是很感动啊.... 特此发帖,感谢
anqi90
微控制器 MCU
- 新手,请大侠帮忙!!
- 802.11中的速率可以根据信号的强弱在11M、5.5M、2M、1M之间进行自适应的调节,那么802.15.4中是否也有类似的机制呢?这些离散的速率是多少? 新手,请大侠帮忙!! 802.15.4有三种不同的工作频率段,每个频率段速率不一样。 谢谢!大侠 ,但是我想问的时候,在给
leisure87
无线连接
- 为什么直流电机会转得很慢
- 求stm32107vct6a 的资料
- 430USB通信及软件升级方案,感兴趣的顶一下,共同探讨。
- 今天我又想起了我的觸摸板
- 用最新板MDK库玩转智林STM32开发板(之一)-----只写一个文件点亮LED
- C语言学习建议
- STM32 usb 库不能解析USBHID专用请求吗?
- C语言中lint程序是什么
- eZ430-学习心得(五)-DS18B20移植
- 紧急!!!关于ADuC7026的I2C通信
- 学习430我有种淡淡的忧伤!
- WEBENCH使用说明和设计工具手册
- DIY个电子负载
- 有没有人用过MLX90615的出来讨论下哈。。
- 关于更改RTSC工程的platform,不知是否方法错了,各位帮帮忙看下,谢啦
- 谁有16*16的汉字取模软件
- 我快被NRF24L01问题折磨的要辞职了
- 大整数乘法
- 捕获比较 测量频率 信号周期
- 现代半导体存储器的辐射灵敏度精确测量和比较
- 使用 ROHM Semiconductor 的 BD9A400MUV-E2 的参考设计
- 使用 Analog Devices 的 ADP3301 的参考设计
- 使用 NXP Semiconductors 的 MC56F8257VLH 的参考设计
- AMIS492X0GEVB:现场总线介质访问单元评估板
- 305W, -12V, 5V, 5V, 12V AC 到 DC 多路输出电源,用于 ATX 电源
- LM317M 5V 电子关断稳压器的典型应用
- LTC1153,用于电机和感性负载的电子断路器
- AM2G-1209DH30Z ±9V 2 瓦 DC-DC 转换器的典型应用
- ALAMEDA (MAXREFDES24#):4通道模拟输出
- LT3500、1.8V/2A 降压型稳压器







京公网安备
11010802033920号