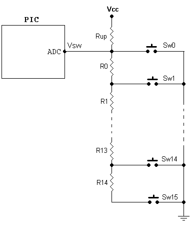
多个开关使用单个PIC输入
来源:互联网发布者:HXRIXoA 关键词: IC微控制器 更新时间: 2026/01/30

多个开关使用单个PIC输入
有许多技术可以将多个开关连接到PIC微控制器。这种技术只需要一个ADC引脚来检测电压水平,当每个开关被按下时,每个开关对应一个电压。例如:如果我们需要用10位PIC连接16个开关。

这里还没有内容,您有什么问题吗?
电子电路资源推荐
- 高频电路原理与分析

来源:下载中心
- 西门子PLC与变频器 触摸屏综合应用教程 第2版

来源:下载中心
- 基尔霍夫定律:支路、节点、回路和网孔

来源:电路图
- FPGA内部结构简介(英特尔官方教程)

来源:大学堂
- 数字电路与系统设计

来源:大学堂
- 电工基础:电路的组成

来源:电路图
推荐帖子 最新更新时间:2026-03-25 07:54
- CC5230编译环境
- 请问打开开发包给的sampleapp,需要用什么版本的IAR,我刚才装了个7.60的,提示打不开。 CC5230编译环境 错了,是2530
weirgu
无线连接
- STM32串口问题
- 之前在IAR4.42下用STM32F103VCT6串口正常收发数据,后移植KEIL下,用STM32F100VBT6,其他功能正常,与主板通讯的串口发送数据不对,但接收数据正确,请问下是什么原因导致的? STM32串口问题
suyanqin
stm32/stm8
- 有源滤波器的Q值有什么意义?
- 《基于运算放大器和模拟集成电路的电路设计》一书中有源滤波器章节里提到了Q值,这个Q值越大,峰化越明显,可峰化同时也放大了增益。 请问 这个Q值到底有什么意义呢? 有源滤波器的Q值有什么意义? Q越大 带宽越窄 做滤波器设计时可以用来调整通带外每倍频程的衰减速度,Q越大衰减越快,同
3kone
模拟电子
- LM3S9B96项目使用心得
- 1)使用LM3S9B96做过远程管理机,既实现网络+电话+串口三种方式实现设备的控制。主要利用了TI提供的参考设计大大加快了项目的开发。网络底层驱动和 TCP、IP协议TI已经给我们做好了。虽然提供的是http服务器的例子,而我的应用是基于RAW API实现的单片机网络服务器
gongjian32
微控制器 MCU
- 基于模型设计对传统的FPGA的开发方法的颠覆!
- 最近我在同一实验平台DE2上,对手写HDL 代码 (21行);DSP Builder生成的代码(》200行);Simulink HDL Coder生成的代码(大于200行)。的综合 结果 进行了对比,结果令人震撼!如果这个结论是正确的,那么基于 模型 设计 的方法开发FPGA已经
平湖秋月
FPGA/CPLD
- 招兼职GSM讲师
- 本单位招兼职GSM讲师,要求有一定项目经历,表达能力强,待遇高,日结,有意者请与我联系。地点北京,上海,成都,广州,大连等地, QQ:1489302364,邮件: hailang869@163.com ,罗先生 招兼职GSM讲师
hehe234
综合技术交流
- 现在要做一个双极性的恒流源
- 【社区大讲堂】数据采集系统设计原则与基本方法
- 用两个CD4094分时复用控制7个数码管和7个按键怎么处理
- 解答FPGA工程师面试第5 6 题(每日一题)
- msp430模数转换AD出现的问题
- CadSoft EAGLE V6即将登场(2011年12月)
- 帮忙查一个红外解码,调了整整一周了!!!
- 转让TI原厂出的LM3S8962,可换STM32或者FPGA
- LED驱动IC资料
- 【TI原创】动手在EK-LM3S811-ND上写程序
- 关于Cyclone III和IV的未用到时钟专用管脚
- 神舟三号开发板 lcd时间显示
- FIR滤波怪现象
- 富士通家庭物联网终端DIY活动--房间部分总结
- LabWindows/CVI 基础教程
- 【颁奖礼】M4开发板试用获奖名单
- 四川省电子设计竞赛元器件清单出来啦!!!大家来猜题吧!!!!
- G2553的中文资料两份+官方的源代码
- 时钟倍频后,12864显示出错,求原因
- 关于c5402数据空间,程序空间问题
- NIOS-DEVKIT-2C35N, Nios II Development Kit, Cyclone II Edition 为基于 Altera Cyclone II 器件开发嵌入式系统提供了硬件平台
- STM32F334C8 MCU探索套件
- 三波段红外火焰探测器
- 具有两个650V增强模式GaN HEMT的MASTERGAN2高功率密度半桥高压驱动器演示板
- ADR391ART-REEL 精密低漂移 2.500 V 电压基准的典型应用,可关断薄膜开关控制电源
- 具有 6uA 反向泄漏电流的 LT1767EMS8E 双源电源的典型应用电路
- MC33269 800mA 可调输出、低压降稳压器、电流调节器的典型应用
- JuicyBoard:用于构建 3D 打印机、CNC 路由器和其他机器人应用程序的开源模块化机器人控制系统
- 使用 Analog Devices 的 LTC3130IUDC 的参考设计
- NCV33269 800mA 固定输出、低压降稳压器的典型应用







京公网安备
11010802033920号