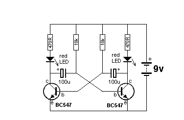
互补对称无稳态多谐振荡器

对于电子爱好者来说这个电路是比较熟悉的,它就是互补对称无稳态多谐振荡器。当左右元件取值一样时,波形占空比为50%,两个发光二极管点亮的时间相同。
如图取值,电路的振荡频率约为0.5秒,两个发光二极管会交替闪烁,你可以更改两个100u电容来改变频率。
随机单稳态

第一个电路是无稳态,如果稍作改动,就能成为一个单稳电路,本电路中被设计成随机的单稳态,通过一个按钮控制。
当按钮被按下时,电路会以很高的速率振荡并使两个LED指示灯亮起。当按钮被释放时,将保持点亮一个LED,随机性为50%。调节50k可变电阻将改变占空比,及改变随机性。
这里还没有内容,您有什么问题吗?
电子电路资源推荐
- Altium designe 教程大集合

来源:下载中心
- 数字电子技术基础(第五版)教材 闫石

来源:下载中心
- 麻省理工公开课:电路和电子学

来源:大学堂
- 焊接基础知识

来源:大学堂
- 叠加原理:概念及其求解过程

来源:电路图
- 电路的基本物理量:电流,电压,电位,电动势,电功率

来源:电路图
推荐帖子 最新更新时间:2026-03-19 07:33
- VSSA的数据手册和实际设计
- 刚我翻查了stm32101c8的数据手册,在第十三页,有一句 翻译一下: VSSA,VDDA=2.0to3.6v:外接模拟电源提供给ADC,复位模块,RCS以及PLL(当使用VDC时,最小电压提供给VDDA为2.4V)VDDA和VSSA必须连接到VDD和VSS。 VSSA
乱起东城
stm32/stm8
- 请问论坛好友有什么功能?
- 请问论坛好友有什么功能? 请问论坛好友有什么功能? 方便大家形成一个交流圈啊! 就是问怎么起到这个作用的
wangfuchong
微控制器 MCU
- 有脾气你用头把它算出来?
- #include iostream using namespace std; #define SQUARE(a) ((a)*(a)*(a)) #define SQL(a) ((a)*(a)) int main(void) { int a = 5,d = 5
shilaike
微控制器 MCU
- hamamatsu c2741有人要不
- hamamatsu c2741有人要不??便宜急甩18760116680 hamamatsu c2741有人要不 有需要的人快呀搬家东西太多 不是吧怎么经典的东西没人问?? 都不知道是个什么东东 百度一下 我们叫红外摄像机 经过证实型号是c2400需要的快啦
huangguohua0202
TI技术论坛
- 关于STM32的管脚映射的问题
- 在STM32中有个函数 GPIO_PinRemapConfig 函数库里面说的是改变管脚的映射 这个怎样理解啊 关于STM32的管脚映射的问题
爱好汽车电子
TI技术论坛
- 菜鸟求救
- fpga设计一个移位函数,输入是一个32位的数DATA,和一个左移、右移的控制信号shit_contr,其输出是一个32位的数 设计一个连加函数,输入的是起始数值和终止数值,输入和输出的数据位宽可由参考数化设定 菜鸟求救 你是求代码吗?还是求分析方案啊
FPGA鸟中小鸟
FPGA/CPLD
- 放弃现有固件库,建立自己的库
- 谁有闲置的LPCXPRESSO-1343?
- 大家聊聊9BXX系列的EPI模块吧
- 驱动电路
- 免费试用LM3S8962 评估套件
- 兼职
- 安富利ARM系统设计策略研讨会图文报道
- SCI中断老是进不去
- 超再生模块的问题
- 按键调输出频率
- 关于如何在eclipse中使用安卓虚拟机
- 大家来晒晒自己的开发工具~~~
- 基于msp430g2553液晶串行显示(1602哦)
- ALTERA ip核
- 求大侠帮忙,开发板貌似出了问题
- 单片机的ISP和JTAG接口与单片机的那几个引脚连接?有什么通用的标准吗?
- 单片机的分类,你觉得哪个分类是必须的?
- 【武汉华嵌】Linux中总线、设备、驱动是如何关联的?
- 关于TLC2543和TLC5615
- 江苏省电子设计大赛
- 使用 NXP Semiconductors 的 MC10XS3412CPNA 的参考设计
- LT6656AIS6-3、3V 扩展电源范围电压基准的典型应用
- 低电压和低饱和双向电机驱动器评估板LB1843VGEVB,LB1843V
- 使用 ROHM Semiconductor 的 BU4939 的参考设计
- LT3430EFE,高效的 42V 至 5V 降压转换器
- EVAL-AD7767EDZ,用于数据采集系统的 AD7767、24 位、128KSPS、1CH ADC 的评估板
- 使用 Diodes Incorporated 的 PT8A3515 的参考设计
- 带 I2C 接口的 ADP8860 智能 LED 驱动器的键盘灯控制典型应用
- AD587KRZ-REEL低功耗电压基准、12位CMOS DAC应用的典型应用电路
- SY88992L 3.3V、4.25Gbps VCSEL驱动器典型应用







京公网安备
11010802033920号