本文介绍工业自动化领域的设计人员在设计用于电机控制的位置检测接口时面临的常见问题,即在速度更快、尺寸更小的应用中检测位置。利用从编码器捕获的信息以便精确测量电机位置对于自动化和机器设备的成功运行很重要,快速、高分辨率、双通道同步采样模数转换器(ADC)是此系统的重要组件。

扫码查看AD7380产品详情
位置、速度和方向之类的电机旋转信息必须准确,以为各种新兴应用生产精准的驱动器和控制器,例如,将微型组件装配到空间有限的PCB区域中的装配机器。近来,电机控制开始走向微型化,使得医疗健康行业出现新的外科手术机器人应用,航空航天和防务领域出现新无人机应用。体积更小的电机控制器还导致工业和商业装配领域涌现新的应用。对设计人员而言,挑战在于:满足高速应用中的位置反馈传感器的高精度要求,同时将所有组件集成到有限的PCB区域内,以安装到微型封装内部,例如机械手臂。

图1.闭环电机控制反馈系统。
电机控制
电机控制环路(如图1所示)主要由电机、控制器和位置反馈接口组成。电机转动旋转轴,带动机械手臂跟着移动。电机控制器管控电机何时施加力道、何时停止,或者继续转动。环路中的位置接口向控制器提供转速和位置信息。对于装配微型表贴PCB的装配机器来说,这些数据是其正常运行的关键。这些应用都需要获取关于旋转对象的准确位置测量信息。
位置传感器的分辨率必须非常高,足以准确检测电机轴的位置,拿取对应的微型组件,并将组件放置到板上的对应位置。此外,电机转速越高,所需的环路带宽越高,延迟越低。
位置反馈系统
在低端应用中,使用增量传感器和比较器可能就能够实施位置检测,但在高端应用中,则需要更加复杂的信号链。这些反馈系统包含位置传感器,之后是模拟前端信号调理、ADC,以及ADC驱动器,数据先经过它们,之后再进入数字域。其中最精确的位置传感器就是光学编码器。光学编码器由LED光源、连接到电机轴的标记圆盘和光电探测器组成。圆盘包含不透明和透明的掩码区域,可以阻隔光线或让光线通过。光电探测器检测这些光线,开/关光信号则转换为电子信号。
随着圆盘转动,光电探测器(与圆盘的模式配合)生成小的正弦和余弦信号(mV或µV等级)。这种系统是绝对位置光学编码器采用的典型系统。这些信号进入模拟信号调理电路(一般由分立式放大器或模拟PGA组成,用于获取高达1 V峰峰值范围的信号),通常是为了让ADC输入电压范围匹配最大动态范围。每个放大的正弦和余弦信号之后都被同步采样ADC的驱动放大器捕捉。
ADC的每个通道都必须支持同步采样,以便同时获取正弦和余弦数据点,由这些数据点组合提供轴的位置信息。ADC转换结果会发送给ASIC或微控制器。电机控制器在每个PWM周期中查询编码器位置,然后根据接收的指令使用该数据来驱动电机。过去,为了集成到有限的板空间中,系统设计人员必须牺牲ADC速度或通道数。

图2.位置反馈系统。
优化位置反馈
随着技术不断发展,导致需要实施高精度位置检测的电机控制应用不断创新。光学编码器的分辨率可能由圆盘上精细光刻的槽数决定,通常有几百或几千个。将这些正弦和余弦信号插入到高速、高性能ADC中之后,无需对编码器圆盘实施系统变更,即可创建出分辨率更高的编码器。例如,以更低的速率对编码器的正弦和余弦信号采样时,只会捕捉到少数信号值,具体如图3所示;这会限制位置电容的精度。在图3中,当ADC以更快速率采样时,可以获取更详细的信号值,从而更精准地确定位置。ADC的高速采样速率支持过采样,进一步改善噪声性能,消除了一些数字后处理需求。与此同时,可以降低ADC的输出数据速率;也就是说,支持较慢的串行频率信号,因此简化了数字接口。电机位置反馈系统安装在电机总成上,在某些应用中,总成可能非常小巧。所以,能否装入编码器模块面积有限的PCB区域中,尺寸大小是关键。在单个微型封装中集成多个通道组件非常有利于节省空间。

图3.采样速率。
光学编码器位置反馈设计示例
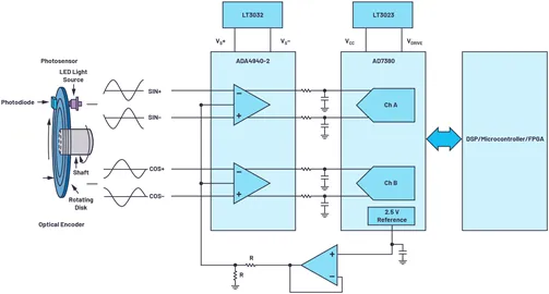
图4所示为适合光学编码器位置反馈系统的优化解决方案示例。此电路很容易和绝对类型的光学编码器连接,然后电路很容易捕捉来自编码器的差分正弦和余弦信号。ADA4940-2前端放大器属于双通道、低噪声全差分放大器,用于驱动AD7380,后者属于双通道、16位全差分4 MSPS同步采样SAR ADC,采用3 mm × 3 mm小型LFCSP封装。片内2.5 V基准电压源允许此电路采用最少数量的组件。ADC的VCC和VDRIVE,以及放大器驱动器的电源轨道可由LDO稳压器供电,例如LT3023和LT3032。当这些参考设计相互连接时(例如,使用一个1024槽光学编码器,在一个编码器圆盘周期中生成1024个正弦和余弦周期),16位AD7380在216个代码的各编码器槽中采样,将编码器的整体分辨率提高到26位。4 MSPS吞吐速率确保捕捉到正弦和余弦周期的详细信息,以及最新的编码器位置信息。高吞吐速率支持实施片内过采样,从而缩短数字ASIC或微控制器将精确的编码器位置反馈给电机时的时间延迟。AD7380片内过采样的另一个好处是:可以额外增加2位分辨率,可以和片内分辨率增强功能配合使用。分辨率增强功能可以进一步提升精度,最高可以达到28位。

图4.经过优化的反馈系统设计。
结论
电机控制系统需要更高的精度、更高的速度,以及更高程度的微型化,光学编码器被用作电机位置检测器件。所以,在测量电机位置时,光学编码器信号链必须具备高精度。高速度、高吞吐速率ADC准确捕捉信息,然后将电机位置数据发送给控制器。AD7380的速度、密度和性能可以满足行业要求,同时在位置反馈系统中实现更高的精度,并对系统实施优化。
上一篇:英飞凌强化车规级微控制器产品组合:符合ISO/SAE 21434标准、获中汽研认证
下一篇:国民技术发布N32H49x系列MCU:以澎湃性能与全链路可靠赋能工业控制、储能与光通信
推荐阅读最新更新时间:2026-03-20 11:09
- 边缘计算主机盒选购指南:五大核心指标解析
- Arm AGI CPU 更多细节:台积电 3nm 制程、Neoverse V3 微架构
- Arm AGI CPU 重磅发布:构筑代理式 AI 云时代的芯片基石
- Arm 拓展其计算平台矩阵,首次跨足芯片产品
- 阿里达摩院发布RISC-V CPU玄铁C950,首次原生支持千亿参数大模型
- 边缘 AI 加速的 Arm® Cortex® ‑M0+ MCU 如何为电子产品注入更强智能
- 阿里达摩院发布玄铁C950,打破全球RISC-V CPU性能纪录
- VPU中的“六边形战士”:安谋科技Arm China发布“玲珑”V560/V760 VPU IP
- 利用锚定可信平台模块(TPM)的FPGA构建人形机器人安全
- 使用 ON Semiconductor 的 FAN2518S 的参考设计
- LTC1530S8、3.3V/3A 稳压器
- 使用 ON Semiconductor 的 ADP3167 的参考设计
- 使用 Analog Devices 的 LT3420EDD 的参考设计
- 基于Kinetis® M的低成本单相电表参考设计
- LTC3708、具有上升/下降轨跟踪功能的 2.5V/15A 和 1.2V/15A 稳压器
- NXQ1TXH5插件板
- 应变仪仪表放大器
- WRL-13287,基于 ESP8266 802.11 无线局域网的 SparkFun Wi-Fi Shield
- 4.1W、3-LED 通用 LED 照明驱动器
- G20周刊|埃斯顿与北自所达成战略合作、海康机器人发布光伏组件汇流带视觉检测解决方案
- 14家工业智能企业入选《上海市智能机器人标杆企业与应用场景推荐目录》
- 大声量 | 2023机器视觉技术与应用峰会议程新鲜出炉!
- 海康机器人视觉检测方案守护光伏组件生产质量
- 艾利特CSF系列力控协作机器人来了!
- 用1200万后置三摄 iPhone12 Pro系列售价999美元
- HomePod mini音箱国行价格公布:约749元
- 从iPod到HomePod Mini:神明的脚趾与新生的福音
- 继iPhone12之后 iPhone 11/XR/SE包装盒也将不再附带耳机与充电器
- 准备买iPhone 12?让我们先盘点下你没关注的细节

高端电流检测的原理和电路
【Follow me第三季第3期】代码
非常经典的关于LLC的杨波博士论文
VI-27WIU






京公网安备 11010802033920号