PLC对一键启停不同方式的程序编写

发布者:EtherealLove最新更新时间:2025-09-17 来源: elecfans关键字:PLC  程序编写 手机看文章 扫描二维码
随时随地手机看文章

对于刚入门的PLC新手来说,在没有理解PLC CPU的扫描工作原理时对于行内偶尔提到的一键启停程序编写总会有一定的难度。今天和大家分享200系列PLC对一键启停不同方式的程序编写:

1    

采用位逻辑指令结合PLC工作原理实现一键启停的程序编写

c6be4d84-dd13-11ed-bfe3-dac502259ad0.png?imageView2/2/w/550

2    

采用位逻辑指令结合PLC工作原理实现一键启停的程序编写

c6d59b10-dd13-11ed-bfe3-dac502259ad0.png?imageView2/2/w/550

3    

采用逻辑运算取反指令实现一键启停的程序编写

c6e9231a-dd13-11ed-bfe3-dac502259ad0.png?imageView2/2/w/550

4    

采用逻辑运算异或指令实现一键启停的程序编写

c7002c86-dd13-11ed-bfe3-dac502259ad0.png?imageView2/2/w/550

5    

复位优先双稳态指令

c71b64c4-dd13-11ed-bfe3-dac502259ad0.png?imageView2/2/w/550

6    

利用扫描关系原理

c7311738-dd13-11ed-bfe3-dac502259ad0.png?imageView2/2/w/550

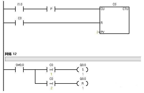
7    

计数器

c754ecbc-dd13-11ed-bfe3-dac502259ad0.png?imageView2/2/w/550

除此以外还有其他的编写方式,但前面两种方式适用于任何品牌系列的PLC 。学习PLC技术,三分理论,七分实践!我们可以把程序写进CPU中看到实际的效果加深印象!


关键字:PLC  程序编写 引用地址:PLC对一键启停不同方式的程序编写

上一篇:变频器各模式的特点和用途
下一篇:DCS和PLC之间有什么不同?

推荐阅读最新更新时间:2026-02-19 02:58

PLC一键停不同方式的程序编写
相信很多PLC初学者都有这样的疑惑,“PLC一键启停程序”为什么有那么多方式?怎样才能开始掌握PLC一键启停不同方式的程序编写呢?下面咱们一起来看看: 采用位逻辑指令结合PLC工作原理实现一键启停的程序编写 采用位逻辑指令结合PLC工作原理实现一键启停的程序编写 采用逻辑运算取反指令实现一键启停的程序编写 采用逻辑运算异或指令实现一键启停的程序编写 复位优先双稳态指令 利用扫描关系原理 计数器 除此以外还有其他各种各样的编写方式,但前面两种方式适用于任何品牌系列的PLC 。所谓PLC学习,那必须的20%的理论+70%的实践,只有将理论实践化,才能真正的掌握这门技能!
[嵌入式]
<font color='red'>PLC</font><font color='red'>一键</font><font color='red'>启</font>停不同方式的<font color='red'>程序</font><font color='red'>编写</font>
smart200PLC一键停的常用写法
在生产中,由于安装环境,成本控制,操作便利等因素,会用到一键启停的控制, 比如电机控制,阀门控制等等,今天我给大家聊聊常见的几种写法,为了直观通俗,我们 用LAD(梯形图)来写。 1.)位指令一键启停: (位指令一键启停) 程序解说: 当按下M10.0按钮,M10.0接通一个扫描周期,在第一个扫描周期,Q0.0的常开 触点断开,M10.1线圈失电,M10.0的上升沿接通Q0.0得电,电动机启动; 到第二个扫描周期,Q0.0常开点闭合,但M10.0的上升沿断开,M10.1线圈失电,Q0.0线圈失电,电动机停止。 2.)位指令 (位指令一键启停) 程序解说: 首次按下M10.2的上升沿接通M10.3线圈,它得电;在同一个扫
[嵌入式]
smart200<font color='red'>PLC</font><font color='red'>一键</font><font color='red'>启</font>停的常用写法
基于博图V17编写PLC程序的操作步骤
博途软件更新很快,但是很多朋友发现,博途V17和旧的版本在组态的时候,有一些变化,本文就手把手教你使用博途V17,编写一个简单的PLC项目。 该演示在虚拟机中,使用的博途V17软件版本实现。具体操作步骤如下: 1、鼠标双击博途软件图标 2、依次选择“启动”- “创建新项目”,选择存放路径,并命名,最后选择创建。如图所示。 3、打开项目视图 4、在项目树下,鼠标双击“添加新设备”,在弹出窗口选择“控制器”,依次选择对应的CPU型号,并确认名称和版本,最后点击确认,如图所示。 5、添加新设备后,与博途V16其它版本不同的是,博途V17有一个弹出窗口,需要进行PLC安全设置。首先设置PLC数据密码,如图所示。
[嵌入式]
基于博图V17<font color='red'>编写</font><font color='red'>PLC</font><font color='red'>程序</font>的操作步骤
关于西门子PLC程序的规范编写
一、程序结构统一 OB1:主程序; OB100:初始化程序(无需主程序调用); OB35:100ms(可修改)中断(无需主程序调用),可以调用PID模块; OB80、OB82、OB85、OB86、OB87、OB121、OB122:故障诊断模块(无需主程序调用、无需编程); FC1:系统模式; FC2:输入处理; FC3:输出处理; FC4:运行处理; FC5:停止处理; FC6:手自动切换; FC100:之后用来建立一些可以循环调用的子程序; FC105:系统自带,模拟量输入子程序(可以循环调用); FC106:系统自带,模拟量输出子程序(可以循环调用); modbus通讯(CP341):FB7:P_RCV_RK,FB8:P_SN
[嵌入式]
如何衡量PLC程序编写质量
写PLC程序的各位都是高手 因为需要懂得套路,也是思路,就平时常见的程序基本看过两种套路。 1、输出点用线圈输出,输出在程序里只有一处。 2、输出点直接用set和rst控制,一个输出点在程序里多处出现。 用什么套路,各自优缺点是什么? 网友A 我倾向第二种,第一种手自动切换有点麻烦增加程序步数,如碰到单控电磁阀,自动将气缸置位了。 这时切换到手动,手动控制该气缸时还得去吧自动那个状态复位掉。 网友B 一般用M点控制线圈,程序里面控制一个线圈的可以是多个M点,就不会出现多线圈,和第一种差不多了 。 网友C 我倾向第二种,第一转来转去的麻烦 网友D 思路一,一个输出就是一套逻辑,是这个输出点什么时候开,什么时候关,报警,复位,急停
[嵌入式]
如何衡量<font color='red'>PLC</font><font color='red'>程序</font>的<font color='red'>编写</font>质量
如何编写漂亮的PLC程序
对于PLC程序的编写,我认为无须天马行空的标新立异,也无须花枝招展的炫弄技巧。只要在内容和质量这两方面把好关,具有正确性、可靠性、方便性、简洁性和可读性就是很好的程序! 一 PLC程序的内容 PLC应用程序应最大限度地满足被控对象的控制要求,在构思程序主体的框架后,要以它为主线,逐一编写实现各控制功能或各子任务的程序。经过不断他调整和完善。使程序能完成所要求的控制功能。另外,PLC应用程序通常还应包括以下几个方面的内容: 1、初始化程序在PLC上电后,一般都要做一些初始化的操作。其作用是为启动作必要的准备,并避免系统发生误动作。初始化程序的主要内容为:将某些数据区、计数器进行清零;使某些数据区恢复所需数据;对某些输出量置位或复
[嵌入式]
如何<font color='red'>编写</font>漂亮的<font color='red'>PLC</font><font color='red'>程序</font>
ecos操作系统:硬件平台的移植和驱动程序编写
eCos系统中嵌入式软件包的层次结构的最底层是硬件抽象层(Hardware Abstraction Layer),简称为HAL,它负责对目标系统硬件平台进行操作和控制,包括对中断和例外的处理,为上层软件提供硬件操作接口。只需提供新硬件的抽象层,就可以将整个eCos系统包括基于eCos的应用移植到新的硬件平台上。 构建eCos系统首先要搭建自己的硬件抽象层,然后创建驱动程序,之后才可以进行应用程序的编写。 硬件抽象层分为三个不同的子模块:体系结构抽象层(Architecture HAL)、变体抽象层(Variant HAL)和平台抽象层(Platform HAL)。 体系结构抽象层:eCos所支持的不同处理器系列具有不
[单片机]
keil 使用教程 编写第一个led灯程序
1、新建一个空文件夹 2、 打开 keil -- new uVision project 3、选择目录,命名文件 4、选择芯片 5、添加文件 6、编写 C51 单片机程序 根据自己画的电路图,确认引脚 我们这里写一个点亮一个led 灯的程序 p0.0 引脚 7、生成 可以加载单片机 里的 hex 文件 8、编译生成hex文件 9、将hex 文件导入单片机 打开 proteus ,双击 单片机
[单片机]
keil 使用教程 <font color='red'>编写</font>第一个led灯<font color='red'>程序</font>
小广播
最新嵌入式文章
何立民专栏 单片机及嵌入式宝典

北京航空航天大学教授,20余年来致力于单片机与嵌入式系统推广工作。

厂商技术中心

 
EEWorld订阅号

 
EEWorld服务号

 
汽车开发圈

 
机器人开发圈

电子工程世界版权所有 京ICP证060456号 京ICP备10001474号-1 电信业务审批[2006]字第258号函 京公网安备 11010802033920号 Copyright © 2005-2026 EEWORLD.com.cn, Inc. All rights reserved