MOVIFIT FC变频器初始化StartUp(电机整定)


电机启动
电机启动必须在专家模式下进行。
要激活“专家模式”,必须将DIP开关S10 / 1切换到ON。这是默认设置。该信息也可在MotionStudio中获得.

开关位于EBOX的底部
电机数据在电机附带的铭牌上列出。

确保检查电机是星形连接还是三角形连接。
该屏幕仅显示数据
此步为只读信息,显示变频器基本信息,缺省设置及缺省匹配电机。
如果为easymode 则只能进行至此步。

该AMX通过参数设置1
MOVIFIT FC支持2套独立的参数,可一一进行配置,点击NEXT下一步

始终选择此设置

仅当ABOX具有以下标识时,AMX才能用于单电机运行:

当ABOX具有以下标识时,可以使用多电机操作:


所有SEW电机均设计为矢量控制运行,因此请确保选择此类型的运行
选择控制方式:FluxVectorControl矢量控制;v/f变压变频控制;推荐使用矢量控制!

AMX仅可在“速度控制”操作模式下使用
选择运行模式:Speed速度控制;Hoist提升;DC brake直流制动;FlyingStart飞速再启动;


您可以在此处打开电机列表。然后,您必须选择正确的电动机

选择电机制动器型号及电压(SEW);如驱动非SEW电机制动器则可输入所需电压(MOVIFIT FC可输出一定范围的制动电压);或使用DB00开关量输出点控制制动器(此时制动器需整流块供电)

速度驱动必须激活
P303电流极限,P500速度监控,P501速度监控报警延迟时间。点击Accept按钮则接受SEW软件建议值

SEW建议,或使用项目计划值
P301最小速度限制,P302最大速度限制,P130加速时间,P131减速时间,P136快速停车时间(断开Enable停车)根据实际需要分别设定

配置完毕,下载到变频器,下载完成会提示下载成功(注意下载时需变频器处于非使能工作状态,安全第一!)

启动已经开始,整个过程是不言自明的。
配置完StartUp,则可手动试车,点击进入ManualMode,注意:手动试车后要记得关闭,即Deactivate Manual Mode再退出!

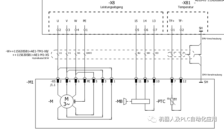
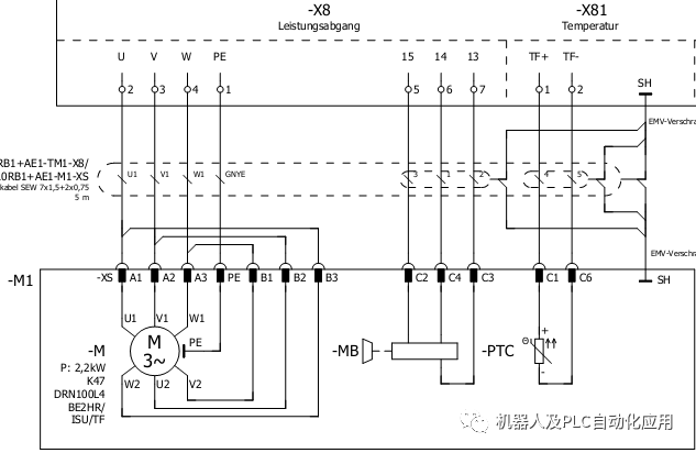
对电机进行相应的接线


| X8 | 1 | PE | 电机 PE 接线端 | |
| 2 | U | 电机相 U 输出端 | ||
| 3 | V | 电机相 V 输出端 | ||
| 4 | W | 电机相 W 输出端 | ||
| 5 | 15 | SEW 制动器端子 15(蓝色) | 直流电压制动器接线端 (+) | |
| 6 | 14 | SEW 制动器端子 14(白色) | 无功能 | |
| 7 | 13 | SEW 制动器端子 13(红色) | 直流电压制动器接线端 (-) | |



| MOVIFIT‑FC 连接端子 | 混合电缆 |
| 导线颜色/标记 | |
| X8/1 接地 | 绿色‑黄色 |
| X8/2 电机三相电源 | 黑色/U1 |
| X8/3 电机三相电源 | 黑色/V1 |
| X8/4 电机三相电源 | 黑色/W1 |
| X8/5 电机抱闸 | 蓝色/15 |
| X8/6 电机抱闸 | 白色/14 |
| X8/7 电机抱闸 | 红色/13 |
| X81/1 温度传感器+ | 黑色/1 |
| X81/2 温度传感器- | 黑色/2 |

电机布线提示
:
•为获得需要的电机转向,电机相U、V、W 须与 ABOX 的端子 X8/X81 正确连接。电机和温度传感器必须与 ABOX的端子 X8和 X81连接。
电机制动抱闸的蓝白红三根线直接接在变频器ABOX里X8的5,6,7上
制动器布线提示

•电压低于 40V的制动器不能和 MOVIFIT‑FC连接使用。
•对于 SEW 电机,您必须在不采取其他措施的情况下(无制动整流块)将制动器与ABOX的制动器连接端子连接。前提条件是必须连接一个电压为 110V、120V、230V或 400V的 SEW制动器。
•对于其他的带制动器的非SEW电机,您可以通过二进制输出端DB00以及相应附加措施(例如使用制动整流块)实现对非 SEW制动器的控制。


上一篇:浅谈PLC柜内部布局、接线、布线
下一篇:变频器的发展历程和未来趋势
推荐阅读最新更新时间:2026-03-20 15:37
- 边缘计算主机盒选购指南:五大核心指标解析
- Arm AGI CPU 更多细节:台积电 3nm 制程、Neoverse V3 微架构
- Arm AGI CPU 重磅发布:构筑代理式 AI 云时代的芯片基石
- Arm 拓展其计算平台矩阵,首次跨足芯片产品
- 阿里达摩院发布RISC-V CPU玄铁C950,首次原生支持千亿参数大模型
- 边缘 AI 加速的 Arm® Cortex® ‑M0+ MCU 如何为电子产品注入更强智能
- 阿里达摩院发布玄铁C950,打破全球RISC-V CPU性能纪录
- VPU中的“六边形战士”:安谋科技Arm China发布“玲珑”V560/V760 VPU IP
- 利用锚定可信平台模块(TPM)的FPGA构建人形机器人安全
- ADR435B 5 Vout 超低噪声 XFET 电压基准的典型应用,具有灌电流和拉电流能力
- 使用 Analog Devices 的 ADP8140 的参考设计
- NCP699SN30T1G 150mA、3 路输出电压 CMOS 低 Iq LDO 的典型应用,在 TSOP-5 中启用
- ZTL431过压/欠压保护电路典型应用
- 使用 Microchip Technology 的 DVR2802B3 的参考设计
- 开源的浮游生物监测分析设备PlanktoScope
- STK503,旨在评估 AT90USB AVR MCU 的入门套件,通过 AVR Studio 支持 JTAGICE mkII 和 AVRISP mkII
- 使用 BittWare 的 XCVU190 的参考设计
- 远程声控参考设计
- NCP4354AADAPGEVB,用于 NCP4354、65W 适配器关闭模式控制器的评估板

ESP32S3串口转websocket源码
dToF(直接飞行时间)算法模型SimuLink仿真
施耐德变频器简单调试
非常经典的关于LLC的杨波博士论文
LTC6102HVHMS8
XC6406PP60DL






京公网安备 11010802033920号