前言
控制系统采用人工手段改变系统的行为。控制问题的类型通常决定了可以使用的控制系统类型。每个控制器都将被设计以满足特定的目标。主要的控制类型如图1.1所示。

• 连续型- 要控制的数值平滑变化,例如汽车的速度。
• 逻辑型- 要控制的数值容易描述为开关状态,例如汽车发动机的开关。
注意:所有系统都是连续的,但为了简化起见,它们可以被视为逻辑型。
例如,“当我这样做时,那总是发生!”例如,当电源打开时,压力机关闭!
• 线性型- 可以用简单的微分方程描述。这是简化的首选起点,也是处理现实世界问题的常见近似。
例如,汽车可以在赛道上行驶,并以恒定速度经过相同的点。但是,汽车行驶的时间越长,质量减少,速度增加,但需要的燃料更少等。基本上,数学变得更加复杂,问题变得非线性。
例如,我们驾驶一辆完美的汽车,没有摩擦,没有阻力,并且可以预测它将如何完美运作。
• 非线性型- 非线性。这是世界运作的方式,数学变得更加复杂。
例如,当火箭接近太阳时,重力增加,因此控制必须改变。
• 时序型- 一个逻辑控制器,将跟踪时间和先前事件。
这些控制系统之间的差异可以通过考虑一个简单的电梯来强调。电梯是一辆在楼层之间移动的设备,在精确的高度停下。为了安全和方便使用,有一些逻辑约束条件。以下是强调电梯中不同类型控制问题的要点。
逻辑型:
电梯在按下按钮时必须移向某个楼层。
电梯在达到某个楼层时必须打开门。
在移动之前,必须关闭门。
等等。
线性型:
如果期望位置更改为新值,则迅速加速到新位置。
当电梯接近正确位置时,减速。
非线性型:
缓慢加速启动。
当接近最终位置时减速。
在移动时允许更快的运动。
补偿电缆伸展和弹簧常数变化等。
逻辑和时序控制在系统设计中更为理想。这些系统更为稳定,通常成本较低。大多数连续系统可以通过逻辑方式进行控制。但是,有时我们会遇到必须连续控制的系统。在这种情况下,控制系统设计变得更为苛刻。如果连续系统受到不当控制,可能会变得不稳定并变得危险。
当系统表现良好时,我们说它是自调节的。这些系统无需密切监控,我们使用开环控制。开环控制器会为系统设置期望位置,但不使用传感器验证位置。当必须不断监控系统并调整控制输出时,我们说它是闭环的。汽车上的巡航控制是一个很好的例子。它会监测汽车的实际速度,并调整速度以达到设定的目标速度。
有许多控制技术可供选择。早期的控制系统依赖机械和电子设备进行控制。而大多数现代控制器则利用计算机来实现控制。其中最灵活的控制器之一是PLC(可编程逻辑控制器)。
可编程逻辑控制器
2.1 简介
控制工程随着时间的推移而不断发展。在过去,人类是控制系统的主要方法。近年来,电力已被用于控制,早期的电气控制基于继电器。这些继电器允许在没有机械开关的情况下切换电源。通常使用继电器进行简单的逻辑控制决策。低成本计算机的发展带来了最近的一次革命,即可编程逻辑控制器(PLC)。PLC的出现始于1970年代,并已成为制造控制的最常见选择。
PLC在工厂生产线上越来越受欢迎,而且在可预见的将来可能仍将占主导地位。这主要是因为它们提供了诸多优势。
对于控制复杂系统而言具有经济效益。
灵活,能够迅速轻松地重新应用于控制其他系统。
计算能力使其能够进行更复杂的控制。
故障排除辅助功能使编程更容易,减少停机时间。
可靠的组件使其有望在故障发生之前运行多年。
2.1.1 梯形图逻辑
梯形图逻辑是PLC主要的编程方法。如前所述,梯形图逻辑是为了模仿继电器逻辑而开发的。选择梯形图逻辑作为主要编程方法是一个战略性的决策。通过选择梯形图逻辑,工程师和技术人员所需的再培训量大大减少。
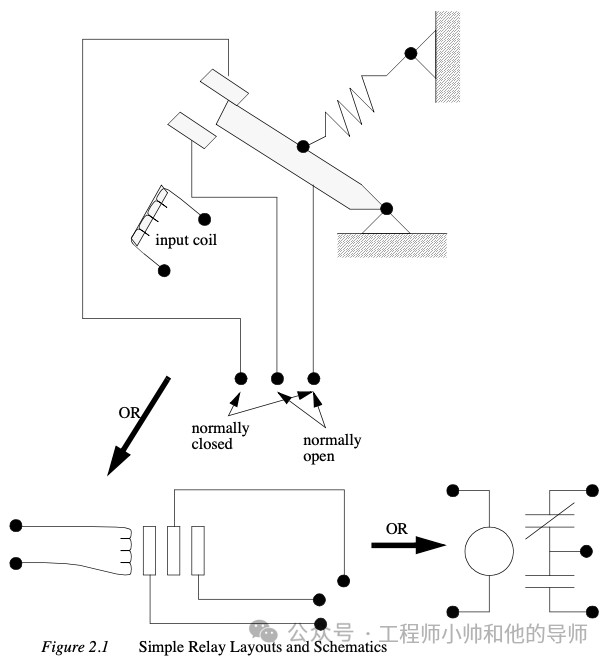
现代控制系统仍然包括继电器,但这些继电器很少用于逻辑控制。继电器是一种利用磁场来控制开关的简单设备,如图2.1所示。当电压施加到输入线圈时,产生的电流产生一个磁场。磁场将一个金属开关(或簧片)拉向它,并使触点接触,关闭开关。在输入线圈通电时关闭的触点称为常开触点。当输入线圈未通电时,通常闭合触点接触。继电器通常以示意图的形式绘制,其中用一个圆圈代表输入线圈。输出触点用两条平行线表示。常开触点显示为两条线,并在输入未通电时为开启状态(不导电)。常闭触点用两条带有对角线的线表示。当输入线圈未通电时,常闭触点将关闭(导电)。

继电器是用于让一个电源关闭另一个(通常是高电流)电源的开关,同时使它们隔离。图2.2中展示了继电器在简单控制应用中的一个示例。在这个系统中,最左边的第一个继电器被用作常闭触点,允许电流流动,直到在输入A上施加电压。第二个继电器通常是开启的,只有在输入B上施加电压时才允许电流流动。如果电流通过前两个继电器,则电流将通过第三个继电器中的线圈流动,并关闭输出C的开关。这个电路通常会以梯形图逻辑的形式绘制。从逻辑上讲,可以理解为当A处于关闭状态且B处于开启状态时,C将处于开启状态。

图2.2中的示例并未显示整个控制系统,仅展示了逻辑部分。在考虑PLC时,涉及到输入、输出和逻辑。图2.3展示了PLC更完整的表示。这里有两个来自按钮的输入。我们可以将这些输入想象成激活PLC中的24V DC继电器线圈。这反过来驱动一个输出继电器,切换115V交流电,从而点亮一个灯。请注意,在实际的PLC中,输入从不是继电器,但输出往往是继电器。PLC中的梯形图逻辑实际上是用户可以输入和更改的计算机程序。请注意,两个输入按钮都是常开的,但PLC内部的梯形图逻辑有一个常开触点和一个常闭触点。不要认为PLC中的梯形图逻辑需要与输入或输出相匹配。许多初学者会陷入试图使梯形图逻辑与输入类型相匹配的困境中。

许多继电器也具有多个输出(切换),这使得一个输出继电器同时也可以是一个输入。图2.4中展示的电路就是一个例子,称为封闭电路。在这个电路中,电流可以通过电路的任一分支,即通过标有A或B的触点。输入B仅在输出B打开时才会打开。如果B处于关闭状态,而A被激活,那么B将打开。如果B打开,那么输入B将打开,并在输入A关闭时保持输出B打开。在B被打开后,输出B将不会关闭。

2.1.2 编程
最初的可编程逻辑控制器(PLC)是使用一种基于继电器逻辑接线图的技术进行编程的。这消除了需要教电工、技术人员和工程师如何编写计算机程序的必要性。但是,这种方法一直沿用至今,是今天编程PLC最常见的技术。梯形图逻辑的示例可以在图2.5中看到。要解释这个图表,想象一下电源在左侧的垂直线上,我们称之为热轨。右侧是中性轨。在图中有两个横梁,每个横梁上都有输入(两条垂直线)和输出(圆圈)的组合。如果以正确的组合打开或关闭输入,电源可以从热轨流过输入,为输出供电,最终流向中性轨。输入可以来自传感器、开关或任何其他类型的感应器。输出将是PLC外部开关的一些设备,如灯光或电机。在顶部的横梁上,触点分为常开和常闭。这意味着如果输入A打开且输入B关闭,那么电源将流经输出并激活它。任何其他输入值的组合都将导致输出X关闭。

图2.5的第二横梁更为复杂,实际上有多种输入组合会导致输出Y打开。在横梁的最左边部分,如果C关闭而D打开,电源可以通过顶部流过。电源也可以(同时)通过底部流过,如果E和F都为真。这将使电源穿过横梁的一半,然后如果G或H为真,则电源将被送到输出Y。在后面的章节中,我们将学习如何解释和构建这些图表。
编程PLC还有其他方法。最早的一种技术涉及助记符指令。这些指令可以直接从梯形图逻辑图中导出,并通过一个简单的编程终端输入到PLC中。助记符的示例如图2.6所示。在这个示例中,指令是逐行从上到下读取的。第一行00000有一个LDN(input load and not 输入加载且非)指令用于输入00001。这将检查PLC的输入,如果关闭,它将记住一个1(或真),如果打开,它将记住一个0(或假)。下一行使用LD(input load 输入加载)语句查看输入。如果输入关闭,它记住一个0,如果输入打开,它记住一个1(注意:这与LD相反)。AND语句回忆最后两个记住的数字,如果它们都为真,则结果为1,否则结果为0。现在,这个结果替代了先前记住的两个数字,只有一个数字被记住。对于行00003和00004,这个过程被重复,但在完成时现在有三个被记住的数字。最旧的数字来自AND,较新的数字来自两个LD指令。行00005中的AND将最后两个LD指令的结果合并,现在有两个被记住的数字。OR指令获取现在仍然存在的两个数字,如果其中一个为1,则结果为1,否则结果为0。这个结果替代了两个数字,现在只有一个数字。最后一条指令是ST(store output 存储输出),将查看最后存储的值,如果为1,则打开输出,如果为0,则关闭输出。

图2.6中的梯形图逻辑程序与助记符程序等效。即使您使用梯形图逻辑对PLC进行了编程,它在被PLC使用之前也会转换为助记符形式。在过去,助记符编程是最常见的,但现在用户甚至很少看到助记符程序。
为了适应更先进系统的编程,已经开发了顺序功能图表(Sequential Functions Charts - SFCs)。这类似于流程图,但更强大。在图2.7中看到的示例正在执行两项不同的任务。要阅读图表,请从顶部开始,看到写着“开始”的地方。在下面,有一个双水平线,上面写着“同时跟随两条路径”。结果,PLC将同时开始跟随左右两侧的分支。左侧有两个功能,第一个是上电功能。此功能将运行,直到它决定完成,然后将进行下电功能。右侧是闪烁功能,这将一直运行,直到完成。这些功能看起来没有解释,但每个功能,例如上电,将是一个小的梯形图逻辑程序。这种方法与流程图不同,因为它不必沿着流程图的单一路径进行。

结构化文本编程已经发展成为一种更现代的编程语言,与BASIC等语言相当相似。图2.8中展示了一个简单的例子。这个例子使用了一个PLC的内存位置N7:0。这个内存位置用于存储整数,正如本书后面会解释的那样。程序的第一行将值设置为0。接下来的一行开始一个循环,并将是循环返回的地方。接下来的一行调用N7:0位置的值,将其加1,并将其返回到相同的位置。接下来的一行检查循环是否应该退出。如果N7:0大于或等于10,则循环将退出,否则计算机将返回到REPEAT语句并从那里继续。每次程序通过这个循环,N7:0的值将增加1,直到该值达到10。

2.1.3 PLC连接
当一个过程由PLC控制时,它使用传感器的输入进行决策,并更新输出以驱动执行器,如图2.9所示。该过程是一个真实的过程,会随时间变化。执行器将驱动系统进入新的状态(或操作模式)。这意味着控制器受传感器的限制,如果某个输入不可用,控制器将无法检测到一种条件。

控制循环是PLC读取输入、解决梯形图逻辑,然后改变输出的持续循环。与任何计算机一样,这并不会瞬间发生。图2.10展示了PLC的基本操作循环。当电源最初打开时,PLC会进行快速的健全性检查,以确保硬件正常工作。如果出现问题,PLC将停止并指示存在错误。例如,如果PLC备用电池电量低且断电,内存将损坏,导致故障。如果PLC通过了健全性检查,然后它将扫描(读取)所有输入。在将输入值存储在内存中后,将扫描(解决)梯形图逻辑,使用存储的值而不是当前值。这是为了防止在梯形图逻辑扫描期间输入发生变化时出现逻辑问题。当梯形图逻辑扫描完成后,将扫描输出(更改输出值)。之后系统会进行健全性检查,循环无限继续。与普通计算机不同,每次扫描时将运行整个程序。各阶段的典型时间在毫秒数量级。

2.1.4 梯形图逻辑输入
PLC的输入可以在梯形图逻辑中轻松表示。在图2.11中,展示了三种类型的输入。前两种是先前讨论过的常开和常闭输入。IIT(即时输入)功能允许在输入扫描后、梯形图逻辑正在扫描时读取输入。这使得梯形图逻辑能够比每个周期仅一次更频繁地检查输入值。

2.1.5 梯形图逻辑输出
在梯形图逻辑中,有多种类型的输出,但并非所有PLC上都一致存在。一些输出将外部连接到PLC外的设备,但也可以使用PLC内部的内存位置。图2.12中展示了六种输出类型。第一种是普通输出,当通电时,输出将打开并通电输出。带有对角线的圆圈是常通输出,当通电时,输出将关闭。这种类型的输出并非所有PLC类型都支持。当初始通电时,OSR(单次触发继电器)指令将在一次扫描中打开,然后在之后的所有扫描中关闭,直到被关闭。L(锁存)和U(解锁)指令可用于锁定输出。当L输出通电时,输出将无限期保持打开,即使输出线圈被停电也不会关闭。只有通过U输出才能关闭输出。最后一个指令是IOT(即时输出),它允许在不必等待梯形图逻辑扫描完成的情况下更新输出。
*Figure 2.12 *Ladder Logic Outputs
当通电时(开启),左侧输出x被激活,但右侧输出被关闭。

输入转换为开启状态将导致输出x在一次扫描中打开(这也称为单次触发继电器)。

当L线圈通电时,x将被切换为打开状态,它将保持打开直到U线圈通电。这类似于一个触发器,即使PLC被关闭,它也会保持设置。

某些PLC允许即时输出,而不必等待程序扫描完成后设置输出。(注意:此指令仅通过输出表更新输出,其他指令必须更改各个输出。)

注:输出也常常使用括号 -() - 而不是圆圈来表示。这是因为许多编程系统是基于文本的,无法绘制圆圈。
2.2 案例研究
问题:尝试开发(在查看解决方案之前)一个基于继电器的控制器,使得房间内的三个开关能够控制一盏灯。
解决方案:对于这个问题有两种可能的方法。第一种假设任何一个开关打开都会点亮灯,但必须所有三个开关关闭才能熄灭灯。

第二种解决方案假设每个开关都可以独立地打开或关闭灯,与其他开关的状态无关。这种方法更为复杂,涉及思考所有可能的开关位置组合。你可能会将这个问题识别为异或问题。

注意:重要的是要清楚地了解预期控制的工作方式。在这个例子中,基于操作方式的简单差异,得到了两种截然不同的解决方案。
2.3 总结
常开和常闭触点。
继电器及其与梯形逻辑的关系。
PLC输出可以作为输入,如密封电路所示。
编程可以使用梯形逻辑、助记符、SFCs 和结构化文本等多种方式。
有多种方法可以编写PLC程序。
3 可编程逻辑控制器(PLC)硬件
3.1 简介
有许多PLC配置可供选择,即使来自同一供应商也是如此。但在每种配置中都有共同的组件和概念。最基本的组件包括:
电源- 这可以集成到PLC中或是一个外部单元。PLC所需的常见电压级别(带电源和不带电源)为24V直流、120V交流、220V交流。
CPU(中央处理单元)- 这是一个计算机,用于存储和处理梯形逻辑。
I/O(输入/输出)- 必须提供一定数量的输入/输出端口,以便PLC能够监视过程并启动操作。
指示灯- 这些指示PLC的状态,包括通电、程序运行和故障。在诊断问题时,这些是必不可少的。
PLC的配置是指组件的包装方式。典型的配置如下图3.1所示,从最大到最小:

Rack- 机架通常较大(长达18英寸、宽30英寸、高10英寸),可以容纳多个卡。必要时,可以连接多个机架。这些往往是成本最高但也是最灵活且易于维护的配置。
Mini- 这些在功能上类似于PLC机架,但尺寸约为一半。
Shoebox- 这是一个紧凑的、一体化的单元(大约是鞋盒大小),具有有限的扩展能力。低成本和紧凑性使其成为小型应用的理想选择。
Micro- 这些单元可以小到一副扑克牌的大小。它们往往具有固定数量的I/O和有限的功能,但成本最低。
软件- 基于软件的PLC需要一台带有接口卡的计算机,但允许将PLC连接到网络上的传感器和其他PLC。
3.2 输入和输出
PLC的输入和输出对于监控和控制过程至关重要。输入和输出可以分为两种基本类型:逻辑或连续。以灯泡为例。如果它只能打开或关闭,那就是逻辑控制。如果灯光可以调暗到不同的亮度级别,那就是连续控制。连续值似乎更直观,但逻辑值更受欢迎,因为它们提供更大的确定性,并简化了控制。因此,大多数控制应用(和PLC)在大多数情况下使用逻辑输入和输出。因此,我们将先讨论逻辑I/O,并将连续I/O留待后面。
驱动器的输出允许PLC在过程中引发某些事件。以下是相对受欢迎程度的一些流行的驱动器列表。
电磁阀- 逻辑输出,可切换液压或气动流。
灯- 逻辑输出,通常可以直接从PLC输出板上供电。
电动机****启动器- 电动机在启动时通常会吸取大量电流,因此它们需要电动机启动器,基本上就是大型继电器。
伺服电机- PLC的连续输出可以命令改变速度或改变位置的伺服电机。
PLC的输出通常是继电器,但也可以是固态电子设备,例如用于直流输出的晶体管或用于交流输出的晶闸管。连续输出需要带有数字模拟转换器的特殊输出卡。
输入来自将物理现象转换为电信号的传感器。以下是相对受欢迎程度的一些传感器的典型示例。
接近开关- 使用感应、电容或光来逻辑地检测物体。
开关- 机械机构会为逻辑信号打开或关闭电气触点。
电位器- 利用电阻连续测量角度位置。
LVDT(线性可变差动变压器)- 利用磁耦合连续测量线性位移。
PLC的输入有几种基本类型,最简单的是AC和DC输入。同样,源极输入和沉极输入也很受欢迎。输出方法规定设备不提供任何电源,而只是像简单开关一样打开或关闭电流。
沉极- 在活动时,输出允许电流流向公共接地。当供应不同电压时,这是最佳选择。
源极- 在活动时,电流从电源经过输出设备流向地。当所有设备使用单一供电电压时,最适合使用此方法。这也被称为NPN(沉极)和PNP(源极)。PNP更受欢迎。
3.2.1 输入
在较小的PLC中,输入通常是内置的,并且在购买PLC时进行规定。对于较大的PLC,输入是作为模块或卡片购买的,每张卡片上有8或16个相同类型的输入。出于讨论目的,我们将假设所有输入都已购买为卡片。以下列表显示了输入电压的典型范围,大致按照受欢迎程度排列。
12-24 Vdc
100-120 Vac
10-60 Vdc
12-24 Vac/dc
5 Vdc(TTL)
200-240 Vac
48 Vdc
24 Vac
PLC输入卡很少提供电源,这意味着需要外部电源为输入和传感器供电。图3.2中的示例显示了如何连接AC输入卡。

在这个例子中,有两个输入,一个是常开的按钮,第二个是温度开关或热继电器。这两个开关都由24Vac电源的热输出供电,类似于直流电源的正极。电源被提供到两个开关的左侧。当开关打开时,电压不会传递到输入卡。如果这两个开关中的任何一个关闭,电源将被提供到输入卡。在这种情况下,使用输入1和3 - 注意输入从0开始。输入卡将这些电压与公共电压进行比较。如果输入电压在给定的容忍范围内,输入将打开。图中显示了输入的梯形逻辑,这里使用了PLC-5机架的Allen Bradley符号。顶部显示了输入卡的位置I:013,表示该卡是机架01槽3中的输入卡。卡上的输入编号显示在接点下方,为01和03。
许多初学者对上述电路中何处需要连接感到困惑。要记住的关键词是电路,这意味着电压必须能够沿完整的回路传递。在图3.2中,我们可以从电源开始沿着电路(回路)进行跟踪。路径通过开关、输入卡,然后回到电源,从那里流回起点。在完整的PLC实现中,将有许多必须完整连接的电路。
第二个重要的概念是公共电压。在这里,电源的零线是公共电压或参考电压。实际上,我们选择了这个作为我们的0V参考,所有其他电压都是相对于它来测量的。如果我们有第二个电源,我们还需要连接中性点,以便两个中性点连接到相同的公共电压。公共电压和地线常常会被混淆。公共电压是一个用于0V的参考电压,但地线用于防止触电和设备损坏。地线连接到建筑物下面的地下金属管道或网格。这与建筑物的电气系统连接到电源插座,电气设备的金属外壳连接在一起。当电流通过地线流动时是不好的。不幸的是,许多工程师和制造商混淆了地线和公共电压。经常发现电源地和公共电压被错误标记。
记住 - 不要混淆地线和公共电压。如果你的设备的公共电压与另一个设备上的公共电压相连,不要将地线和公共电压连接在一起。
最后一个容易让初学者困惑的概念是每个输入卡都是隔离的。这意味着如果你只将一个公共电压连接到一张卡上,那么其他卡就没有连接。当发生这种情况时,其他卡将无法正常工作。你必须为每个输出卡连接一个公共电压。
在决定使用哪种类型的输入卡时有很多权衡。
• 直流电压通常较低,因此更安全(例如12-24V)。
• 直流输入非常快,交流输入需要更长的通电时间。例如,60Hz的波形可能需要高达1/60秒才能被合理识别。
• 直流电压可以连接到更多种类的电气系统。
• 交流信号对噪声的抵抗力更强,因此适用于长距离和嘈杂(磁性)环境。
• 供电到设备的交流电更容易、更便宜。
• 许多现有的自动化设备中都使用交流信号。
此外:可编程逻辑控制器(PLC)的输入必须将各种逻辑电平转换为数据总线上使用的5V直流逻辑电平。这可以通过类似下面所示的电路来实现。基本上,这些电路对输入进行调理以驱动光耦合器。这在电气上隔离了外部电路与内部电路。其他电路元件用于防范过载或反向电压极性。

3.2.2 输出模块
警告 - 请始终检查PLC的额定电压和电流,切勿超过规定值!
与输入模块一样,输出模块很少提供任何电源,而是充当开关。外部电源连接到输出卡,卡将为每个输出开关电源。下面列举了典型的输出电压,并按照受欢迎程度进行了粗略排序。
120伏交流
24伏直流
12-48伏交流
12-48伏直流
5伏直流(TTL)
230伏交流
这些卡通常有8到16个相同类型的输出,并且可以选择不同的电流等级。购买输出卡时常见的选择有继电器、晶体管或三极管。继电器是最灵活的输出设备。它们能够切换交流和直流输出。但是,它们速度较慢(典型的切换时间为约10毫秒),体积较大,成本较高,并且在数百万个循环后会磨损。继电器输出通常称为干接点。晶体管仅限于直流输出,而三极管则仅限于交流输出。晶体管和三极管输出称为开关输出。
干接点 - 每个输出专用一个独立的继电器。这允许混合电压(交流或直流和最大电压水平),以及隔离输出以保护其他输出和PLC。响应时间通常大于10毫秒。这种方法对电压波动和尖峰最不敏感。
开关输出 - 电压供应到PLC卡,卡使用固态电路(晶体管、三极管等)将其切换到不同的输出。三极管非常适合于需要低于1A的交流设备。晶体管输出通常使用NPN或PNP晶体管,典型的电流为1A以下。它们的响应时间通常低于1毫秒。
此外:PLC输出必须将PLC数据总线上的5V直流逻辑电平转换为外部电压水平。这可以通过类似下面所示的电路来实现。基本上,这些电路使用光耦合器来切换外部电路。这样可以在电气上隔离外部电气电路和内部电路。其他电路元件用于防止过载或反向电压极性。
备注:一些交流输出也会使用零电压检测。这允许在电压和电流实际上处于关闭状态时打开输出,从而防止突增。

在构建同时具有交流和直流输出的系统时需要谨慎。如果交流电意外连接到直流晶体管输出,它将只在正半周期内打开,并且似乎使用降低的电压工作。如果直流电连接到交流三角输出,它将打开并似乎工作,但您将无法在不关闭整个可编程逻辑控制器的情况下关闭它。
另外:晶体管是一种基于半导体的可调节阀门装置。在关闭状态下,它将阻止双向电流流动。而在打开状态下,它只允许单向电流流动。通常,晶体管上会有几伏的电压损失。三极管类似于将两个可控硅(或想象成晶体管)连接在一起,以便电流可以双向流动,这对于交流电流是有利的。三极管的一个主要区别是,如果它已经打开以使电流流动,然后关闭,它将在电流停止流动之前不会关闭。这对于交流电流来说没问题,因为电流每半个周期停止并反转,但在直流电流中不会发生这种情况,因此三极管将保持打开状态。
输出的一个主要问题是混合电源。隔离所有电源并保持它们的公共端分开是良好的做法,但这并非总是可行。一些输出模块,比如继电器,允许每个输出都有自己的公共端。其他输出卡要求每个卡上的多个或全部输出共享相同的公共端。每个输出卡都将与其他卡隔离,因此每个公共端都必须连接。初学者通常只连接一个卡的公共端,忘记了其他卡 - 然后只有一个卡似乎在工作!
图3.5中显示的输出卡是一个具有共享公共端的24V直流输出卡的示例。这种类型的输出卡通常会使用晶体管作为输出器。

在这个示例中,输出连接到低电流的白炽灯泡(灯)和继电器线圈。考虑通过灯的电路,从24V直流电源开始。当输出07打开时,电流可以流经07到COM,从而完成电路,并允许灯打开。如果输出关闭,电流无法流动,灯将无法打开。继电器的输出03以类似的方式连接。当输出03打开时,电流将流经继电器线圈,闭合触点并向电机供应120Vac。图中右下角显示了输出的梯形逻辑。表示为Allen Bradley PLC-5的符号。输出顶部左侧的值O:012表示该卡是一个输出卡,位于机架01的机槽2中。在输出的右下角是卡上的输出号03或07。该卡可以应用来自不同源的许多不同电压,但所有电源都需要一个单一的共用端。
上一篇:液压伺服系统如何选用控制阀?
下一篇:机器视觉之Halcon入门学习
推荐阅读最新更新时间:2026-03-25 15:54
- 边缘计算主机盒选购指南:五大核心指标解析
- Arm AGI CPU 更多细节:台积电 3nm 制程、Neoverse V3 微架构
- Arm AGI CPU 重磅发布:构筑代理式 AI 云时代的芯片基石
- Arm 拓展其计算平台矩阵,首次跨足芯片产品
- 阿里达摩院发布RISC-V CPU玄铁C950,首次原生支持千亿参数大模型
- 边缘 AI 加速的 Arm® Cortex® ‑M0+ MCU 如何为电子产品注入更强智能
- 阿里达摩院发布玄铁C950,打破全球RISC-V CPU性能纪录
- VPU中的“六边形战士”:安谋科技Arm China发布“玲珑”V560/V760 VPU IP
- 利用锚定可信平台模块(TPM)的FPGA构建人形机器人安全
- 使用 Analog Devices 的 ADP3334 的参考设计
- LTC3588IMSE-1 5V 至 16V 太阳能供电 2.5V 电源的典型应用电路,具有用于增加输出能量存储和电池备份的超级电容器
- XRP7659、1.5A DC 至 DC 非同步降压稳压器的典型应用
- 使用 ON Semiconductor 的 NCP3120MNTX 的参考设计
- MAXREFDES1003:150mA、4通道、LED驱动器,SEPIC配置
- LTC4223-2 演示板,用于 AMC 的双电源热插拔控制器(故障后自动重试)
- MC33072ADR2G 运算放大器用作晶体管驱动器的典型应用
- 使用 Diodes Incorporated 的 AP1509-12S 的参考设计
- NCP382HD10AAGEVB:单输入双输出高侧配电开关评估板
- 使用 Analog Devices 的 AD7730 的参考设计



DVP-ES3 PLC使用手册
RSlogix5000 安装
基于i.MX93的soft PLC源码及可执行代码
非常经典的关于LLC的杨波博士论文
XC6406PP60DL






京公网安备 11010802033920号