前言
在汽车问世以来,热管理有着不可或缺的作用。从传统内燃机时代发动机冷却系统,到车内温度调节系统。随着电子控制技术的发展,从传统的机械式驱动系统,引入电子水泵和电动风扇。
随着混合动力与电动车时代的到来,需要温控的部件也逐渐增多,尤其是锂离子电池的普及带来了更高的温度敏感性。电池系统需要在一定的温度范围内工作,以确保其安全性、寿命和效率。近年来电动车技术的高速发展,整车热管理系统的重点逐渐转向电池和电动机的温控,同时,空调系统的能效和电池管理系统(BMS)的集成成为核心。
理论
热力学的四个基本定律
零定律(热平衡定律)
如果两个系统分别与第三个系统处于热平衡状态,那么这两个系统之间也处于热平衡状态。这个定律为温度的概念奠定了基础,表明温度是描述物体热状态的一个可以度量的物理量。
第一定律(能量守恒定律)
能量不能凭空产生,也不能凭空消失,只能从一种形式转化为另一种形式。也就是说,总能量是守恒的。其数学表达为:
ΔU=Q−W
其中,ΔU是内能的变化,Q是热量的传递,W是做功。
第二定律(熵增定律)
熵是描述系统混乱程度的量,第二定律指出在孤立系统中,熵是永远增加的,或者至少保持不变。换句话说,能量转化的过程中总是伴随着熵的增加。
这一原理也表明了自然过程是不可逆的,例如热量从热物体自发流向冷物体。
第三定律(绝对零度不可达定律)
当系统的温度趋近绝对零度(0K)时,系统的熵趋向最小值,通常是零。即绝对零度无法被实际达到。(这一原理对于低温物理学和量子力学有重要的意义。)
实践
1. 热管理在传统燃油车中的应用
在传统燃油汽车中,热管理的主要任务是控制发动机和排放系统的温度,以确保其高效运作和安全性。
发动机冷却系统:通过冷却液循环将发动机产生的热量带走,确保发动机在最佳工作温度范围内运行,避免过热或低温导致的性能下降。
废气再循环(EGR):废气再循环系统通过将一部分排气重新引入燃烧室,降低发动机温度并减少氮氧化物(NOx)排放。

空调系统:确保驾驶员和乘客的舒适,特别是在高温天气下,空调的性能直接影响到整车热管理的效果。
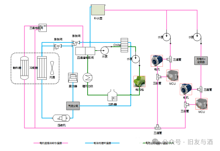
2. 电动汽车中的热管理应用
电动汽车由于动力系统与传统燃油车不同,热管理的需求也发生了变化。电动汽车需要管理的不仅是电池的温度,还有电动机和电力电子系统的温度。
电池热管理系统:
电池是电动汽车的关键组件,电池的温度管理对于其性能、寿命和安全性至关重要。通常使用液冷系统(液冷冷却剂)或者风冷系统来保持电池在最佳工作温度范围(一般在15-35°C之间)。
通过精确控制电池的温度,能有效避免过热引发的安全问题,并在低温环境中防止电池性能下降。
电动机冷却:
电动机在高速运转时会产生大量热量,必须通过冷却系统(液冷或风冷)将热量排出,防止电动机过热导致性能衰减。
电力电子热管理:
电力电子元件(如逆变器、充电器等)也会产生热量,因此需要有效的散热机制。常见的方法包括液冷系统、散热器或热管技术等。
热泵系统:
现代电动汽车还常配备热泵系统,用于在低温环境下提高空调效率。热泵能通过反向工作原理,从外部环境获取热量并加热车内空气,显著提高能效,特别是在寒冷天气下。

3. 热管理与能效的关系
整车热管理直接影响到汽车的能效和续航能力,尤其是电动汽车,热管理的优化能减少能源浪费,提升电池的充放电效率,延长续航里程。电池的过高或过低温度都会导致能量损失,因此合理的热管理不仅保护电池,还能提高车辆的整体能效。
优化冷却/加热策略:
通过智能控制热管理系统,使其根据驾驶条件、环境温度以及电池充电状态等因素,动态调整冷却或加热策略,从而确保电池和电动机等关键部件始终工作在最优温度范围内。
余热回收技术:
一些先进的整车热管理系统开始采用余热回收技术,将发动机或电动机产生的多余热量用于加热车内空气、预热电池或其他辅助系统,从而提升整车能效。
4. 热管理在车辆安全中的作用
热管理系统不仅影响车辆的性能和效率,还直接关系到车辆的安全性。电池过热是电动汽车面临的主要安全隐患之一。通过精确的热管理系统,确保电池温度在安全范围内,避免由于温度过高引发的电池热失控(thermal runaway),避免火灾等危险。
特别是在高温天气下,车辆的空调系统需要提供更高效的制冷能力,同时车辆内部的其他部件(如电池、电动机、车载电子设备等)也需要保持在合适的温度范围内。
5. 热管理系统的技术创新
随着汽车行业的进步,特别是电动汽车的普及,热管理技术也不断创新,主要体现在以下几个方面:
热管理系统集成:在一些高端电动汽车中,越来越多的热管理系统被集成为一个综合系统,以降低能源消耗,提高热效率。例如,采用液冷系统同时管理电池、电动机和电力电子元件的温度。
智能温控技术:通过嵌入传感器和先进的温控算法,实时监控和调整整车各个部分的温度,使热管理系统更精确、响应更迅速。
新型冷却材料:使用具有更高热导率的材料(如石墨基材料、相变材料等)来提升冷却效率。此外,纳米流体和热管技术的应用也成为提高热管理效率的研究热点。
热回收和循环利用:越来越多的车辆采用热回收技术,将发动机、制动系统、电池等产生的热量回收利用,不仅提高了能效,还能改善车内舒适性。、
总结
整车热管理是现代汽车设计中至关重要的一个方面,尤其是在电动汽车的研发过程中,如何有效管理车辆的热量,提高能效、安全性和舒适性,已经成为关键的技术挑战。随着技术的发展,越来越多创新的热管理方案被引入,帮助汽车行业实现更高效、更安全的车辆设计。
未来的热管理系统将更加集成化,多个热管理功能可能会合并到一个系统中,提高效率并减少能耗。新材料的应用(如碳纳米管、石墨烯等),新技术的涌现,将加快热管理发展的进程。
上一篇:L3自动驾驶规模落地,智能网联汽车无人化时代将启
下一篇:自动驾驶测试场景库的构建及评价方法之场景生成方法研究
推荐阅读最新更新时间:2026-03-21 16:23
- 边缘计算主机盒选购指南:五大核心指标解析
- Arm AGI CPU 更多细节:台积电 3nm 制程、Neoverse V3 微架构
- Arm AGI CPU 重磅发布:构筑代理式 AI 云时代的芯片基石
- Arm 拓展其计算平台矩阵,首次跨足芯片产品
- 阿里达摩院发布RISC-V CPU玄铁C950,首次原生支持千亿参数大模型
- 边缘 AI 加速的 Arm® Cortex® ‑M0+ MCU 如何为电子产品注入更强智能
- 阿里达摩院发布玄铁C950,打破全球RISC-V CPU性能纪录
- VPU中的“六边形战士”:安谋科技Arm China发布“玲珑”V560/V760 VPU IP
- 利用锚定可信平台模块(TPM)的FPGA构建人形机器人安全
- Er3105Di 500Ma宽输入电压同步降压稳压器内部默认参数选择典型应用示意图
- 使用 LTC2377CMS-16、16 位、500ksps、低功耗 SAR ADC 的典型应用
- L7806C负输出电压电路的典型应用
- LT3959 的典型应用 - 具有 6A、40V 开关的宽输入电压范围升压/SEPIC/反相转换器
- LPS33W适配器板,标准DIL24插座
- 使用 Analog Devices 的 LT3470AIDDB 的参考设计
- MC33364通用输入电池充电器典型应用电路
- AM2G-2405SH30Z 5V 2W DC/DC 转换器的典型应用
- 用于电池测试解决方案的 ADP1972 降压或升压、PWM 控制器的典型应用
- LT1121IS8-3.3 5V 低压差稳压器的典型应用电路,用于具有关断的电池供电电源

电力电子学:电力电子变换和控制技术(第二版)
现代雷达系统的信号设计
BFR340T






京公网安备 11010802033920号