1.什么是DCDC转换器?
2.DCDC转换器在电动汽车中的位置(结构和功能)
3.DCDC转换器的结构组成
4.DCDC转换器的硬件工作原理
一.什么是DCDC转换器?
DC/DC变换器将一个直流电压值的电能变换为另一个直流电压值的电能装置。 DC/DC变换器。系统主要由三个部分组成, 功率模块, 驱动模块和控制模块部分。 作为电动汽动力系统中重要的一部分, 它的一类重要功用是为动力转向系统, 空调以及其他辅助设备提供所需要的电力。 给车载电气供电, DCDC的电能来自千动力电池包, 给汽车低电压车载用电器供电。
在工程师选型DC-DC转换器的功率是由汽车的特性决定的, 比如最高速, 百公里加速, 重量, 最大扭矩和功率状况(峰值功率, 持续功率等)。
从电动汽车到燃料电池汽车, DC-DC变换器都扮演着身份重要的角色, 由于燃料电池电堆输出电压不稳, 通过DC/DC变换器闭环控制可以对其进行升压和稳压, 然后供给电机驱动器。
根据DC/DC变换器在燃料电池电动汽车中的作用以及运行的特殊要求, DC/DC变换器必须满足以下要求:
(1)变换器是能量传递部件, 因此需要满足转换效率高的要求, 以便提高能源利用率。
(2)由予燃料电池输出响应较慢, 故需要变换器具有良好的动态调节能力。
(3)为了提高汽车功率密度比, 需要汽车部件体积小, 重量轻, 以提高燃料电池电动汽车的运输能力, 使其更有实用价值。 因而DC/DC变换器要满足体积小, 重量轻的要求。
二.DCDC转换器在电动汽车中的位置(结构和功能)
图示为简单的电动汽车系统架构

电动汽车系统由不同模块构成,这些模块为传动系统和能量存储系统。动力电池模块(通常乘用车是400V范围内的锂离子化学电池)由电池管理系统(Battery Management System,BMS)进行管理和监测,并通过一个车载充电机模块(ACDC变换器)进行充电,交流电压范围是从110V的单相系统到380V的三相系统。动力电池模块通过一个双向的DCDC变换器和DCAC逆变器来驱动电机,同时用于再生制动,将回收的能量存入动力电池。同时,为了将动力电池的高压转化为可供车载电子设备使用和给蓄电池充电的13.8V电源,需要一个降压型DCDC变换器模块。
三.DCDC转换器的结构组成
图所示为变换器系统的主电路拓扑及其控制结构。输入级由Q1、Q2、Q3、Q4四个开关管组成的全桥电路和高频变压器Tr构成,输出级由同步整流管SR5、SR6和输出滤波电感L1、L2以及输出滤波电容C0构成。全桥电路向变压器一次侧输出的是准方波,当全桥的对角开关管导通时能量由变压器的初级传向次级。在死区时间内,通过原边开关管的寄生电容和变压器的漏感的串联谐振来实现开关管的ZVS。如下结构的同步整流管采用外激式驱动,在没有能量从变压器原边传输至副边时,同步整流器SR5和SR6仍然导通,避免了同步整流管的反并二极管的换流导通,从而进一步降低整流的导通损耗。

扩展:什么是ZVS?
简单来说,ZVS就是零电压开关,英文全称是:Zero Voltage Switch
PWM开关电源按硬开关模式工作(开/关过程中电压下降/上升和电流上升/下降波形有交叠),因而开关损耗大。高频化虽可以缩小体积重量,但开关损耗却更大了。
为此,必须研究开关电压/电流波形不交叠的技术,即所谓零电压开关(ZVS)/零电流开关(ZCS)技术,或称软开关技术,小功率软开关电源效率可提高到80%~85%。
20世纪70年代谐振开关电源奠定了软开关技术的基础。随后新的软开关技术不断涌现,如准谐振(20世纪80年代中)全桥移相ZVS-PWM,恒频ZVS-PWM/ZCS-PWM(上世纪80年代末)ZVS-PWM有源嵌位;ZVT-PWM/ZCT-PWM(20世纪90年代初)全桥移相ZV-ZCS-PWM(20世纪90年代中)等。
我国已将最新软开关技术应用于6kW通信电源中,效率达93%。
四.DCDC转换器的硬件工作原理
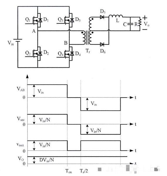
图示为基本的PWM全桥变换器电路拓扑和主要波形。其中,Vin是输入侧直流母线电压,全桥由四只功率开关管Q1-Q4构成,主变压器Tr的原副边绕组匝数比为N,D5和D6构成输出整流电路,L和C分别为输出滤波电感和电容,负载为R。

通过控制全桥的四只功率开关的导通和截止,在变压器的原边得到一个交流方波电压Vab,其幅值为Vin。Vab通过高频变压器传输至副边,同样得到一个交流方波电压,其幅值为Vin/N。这个交流方波再经过D5和D6构成的整流桥整流之后,得到一个幅值为Vin/N的直流方波电压Vrect。最后,Vrect经L和C组成的滤波网络滤去其中的高频分量,得到一个平直的直流输出电压Vo,其幅值大小为D*Vin/N,其中D=Ton/(Ts/2)是占空比,Ton是斜对角的两只开关管的同时导通时间,Ts是开关周期。输出电压Vo的幅值通过调节占空比D来实现。
上一篇:用于汽车电子模块的瞬态电压抑制器(TVS)
下一篇:碳化硅 MOSFET 取代电动汽车双向充电器中的 IGBT
推荐阅读最新更新时间:2026-03-19 18:31
- 边缘计算主机盒选购指南:五大核心指标解析
- Arm AGI CPU 更多细节:台积电 3nm 制程、Neoverse V3 微架构
- Arm AGI CPU 重磅发布:构筑代理式 AI 云时代的芯片基石
- Arm 拓展其计算平台矩阵,首次跨足芯片产品
- 阿里达摩院发布RISC-V CPU玄铁C950,首次原生支持千亿参数大模型
- 边缘 AI 加速的 Arm® Cortex® ‑M0+ MCU 如何为电子产品注入更强智能
- 阿里达摩院发布玄铁C950,打破全球RISC-V CPU性能纪录
- VPU中的“六边形战士”:安谋科技Arm China发布“玲珑”V560/V760 VPU IP
- 利用锚定可信平台模块(TPM)的FPGA构建人形机器人安全
- LTC2945IUD-1 在 -48V 系统中使用低侧检测进行电源监控的典型应用
- 用于 24V 汽车应用的 LTC4367IDD 过压电源保护控制器的典型应用
- LTC2635-HZ12 四通道、12 位数模转换器的典型应用
- 使用 ROHM Semiconductor 的 BU4821 的参考设计
- 使用 Analog Devices 的 AD9625 的参考设计
- LT1307CS8 高压反激式转换器的典型应用电路
- AD7858L 3V 至 5V 单电源、200ksps、8 通道、12 位采样 ADC 的典型应用
- AND8337/D、1.2V、1.5V DC 至 DC 单路输出电源参考设计
- DER-713 - 使用 InnoSwitch3-EP PowiGaN 和 MinE-CAP 的 65 W 高功率密度适配器
- LDK120C11R 1.1V低压降稳压器典型应用(可调版)电路

Follow me第三季第4期任务汇总代码
DCM 反激计算书
GBT+40432-2021电动汽车用传导式车载充电机
现代雷达系统的信号设计
BFR340T






京公网安备 11010802033920号