高级驾驶辅助系统 (ADAS) 在当今的汽车中越来越突出。它们通过最大限度地减少人为错误来提高驾驶员和道路的安全性。早期的 ADAS 仅包含一个自动驾驶辅助功能,例如使用一个雷达传感器的自适应巡航控制。现在,更多的 ADAS 功能正在被添加到汽车中,例如自动紧急停车、盲点监控、车辆/行人警告和避让、车道偏离警告和辅助等。
由于传感器和摄像头数量的增加、强大的实时数据处理和计算以及超高速通信,ADAS 的发展意味着这些新型车辆需要比以往任何时候都消耗更多的电力。例如,第一代 ADAS 片上系统 (SoC),如 2007 年推出的 Mobileye EyeQ,功耗仅为 2 至 3 W。新发布的 ADAS SoC,如 Nvidia Xavier,功耗为 20 W 至 30 W。 W 或更多,因为它们具有强大的数据处理和计算能力。
ADAS 的电源来自 12V 电池。它首先转换为 5V 或 3.3V 中间电源轨,然后转换为 SoC 内核、接口、外设等所需的不同低压。由于 ADAS SoC 的功耗增加,中间轨转换器应该能够输出 10A 或更多电流以满足该要求。
设计大电流中间电源的传统解决方案是使用降压控制器。然而,由于需要外部 MOSFET,这种方法的总解决方案尺寸很大。因此,将控制器电源解决方案安装在狭窄的空间中是一项挑战,这是 ADAS 应用的常见情况。
车辆中开关电源的另一个问题是电磁辐射。电源设计人员需要应对严格的辐射和传导电磁辐射限制所带来的挑战,这些限制在汽车行业是强制性的。随着功耗的增加,这些电磁辐射标准变得更加难以满足。为了满足功率、尺寸和电磁辐射的限制,ADI 公司开发了两款 42V 大电流单片 Silent Switcher 稳压器:LT8638S和LT8648S。
ADI 公司提出了一种使用这些大电流单片降压稳压器的方法,作为应对这些 ADAS 设计挑战的可能解决方案。
采用 LT8638S 的紧凑型 10A/12A 峰值功率解决方案
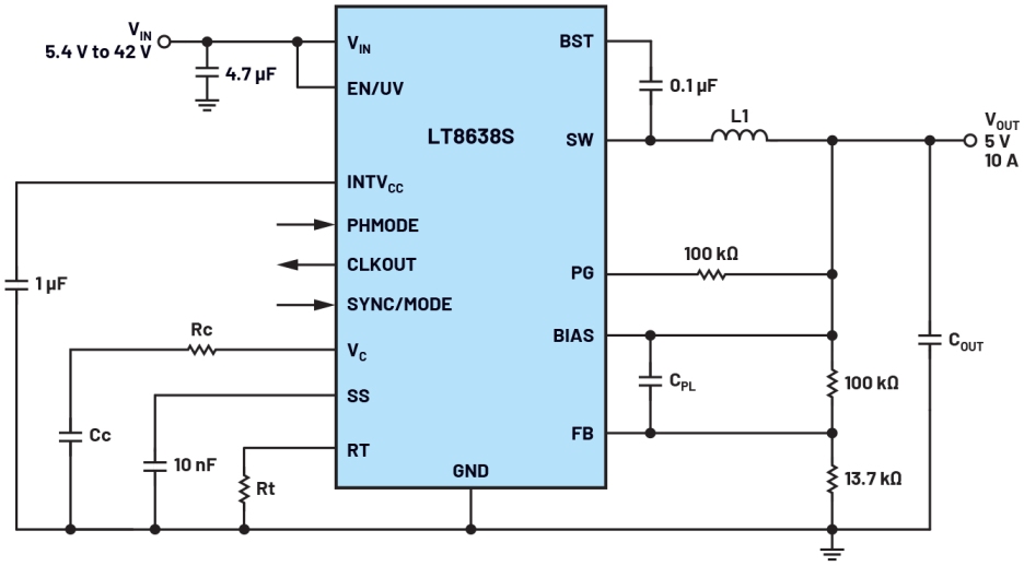
LT8638S 是一款 42V、10A、单通道降压稳压器,它在一个 4 × 5mm LQFN 封装上包含所有控制电路和 MOSFET。其输出电流可在短时间内达到 12 A。LT8638S 稳压器是紧凑型 10A 中间电源轨的理想选择。图 1 显示了典型的 5V/10A LT8638S 原理图。LT8638S 稳压器的开关频率可在 200kHz 至 3MHz 范围内调节。

图 1:使用 LT8638S 稳压器的 5V/10A 电源(来源:Analog Devices)
表 1 列出了 400kHz LT8638S 电路和 2MHz LT8638S 电路的主要组件。

表 1:图 1 原理图的组件(来源:Analog Devices)
图 2 显示了 LT8638S 在DC2929A演示板上的效率和温升,分别为 400 kHz 和 2 MHz。LT8638S 稳压器的温升仅为 60°C,在 2MHz 开关频率下输出功率为 50W。在 10A 负载下,2MHz 和 400kHz 之间的效率差异在 1.5% 以内。

图 2:图 1 电路的效率和温升(来源:Analog Devices)
比较 LT8638S 400kHz 电路和 LT8638S 2MHz 电路,400kHz 时的电感器占位面积是 2MHz 电感器的 2.5 倍,400kHz 时的输出电容器是 2MHz 输出电容器的 3 倍. 因此,对于尺寸和成本敏感的应用,2MHz 开关频率是首选。
阻止电源设计工程师使用 2 MHz 的主要问题是效率和热性能,因为在高开关频率下开关损耗会显着增加。LT8638S 通过快速开关边沿最大限度地减少开关损耗来缓解这些担忧,如图 3 所示。

图 3:LT8638S 在 12V 输入和 10A 负载下的开关边沿(来源:Analog Devices)
快速开关边沿有利于高开关频率下的效率,但可能会恶化电磁辐射 (EMI)。LT8638S 配备 Silent Switcher 架构,使其能够以小得多的解决方案尺寸以快速开关边沿和显着低的 EMI 运行。
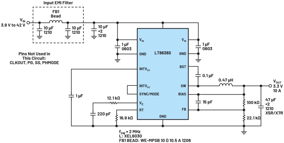
图 4 显示了一个超低 EMI 2MHz LT8638S 电路。为实现最佳 EMI 性能,稳压器通过将 SYNC/MODE 引脚与 INTV CC引脚连接,在扩频模式下运行。

图 4:超低 EMI LT8638S 电路(来源:Analog Devices)
图 5 显示了图 4 电路的 LT8638S 辐射,测试设置在 CISPR 25 标准中定义。红线代表 CISPR 25 Class 5 限制,这是汽车行业最严格的排放规范。如图 4 所示,只需很少的附加组件即可生成输入滤波器,LT8638S 就可以满足 CISPR 25 Class 5 严格的峰值和平均限制。

图 5:图 4 电路的辐射 EMI 和传导 EMI(12V 输入至 3.3V 输出,10A)(来源:Analog Devices)
使用 LT8648S 的更高电流单片电源解决方案
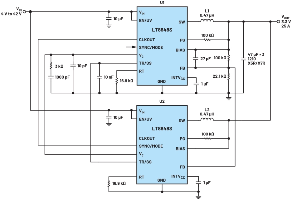
复杂的 ADAS 需要多个 SoC,以及多个摄像头和传感器。例如,免提 ADAS 可以包括多个耗电芯片和多达 11 个摄像头。LT8648S 具有比 LT8638S 更高的输出电流能力。它适合复杂 ADAS 所需的中间电源轨。作为一款单片 42V、15A 降压稳压器,LT8648S 的输出电流和功率电平接近于使用外部 MOSFET 的电源控制器解决方案。通过将多个 LT8648S 稳压器并联在一起,可以进一步扩展其电流能力。
图 6 展示了使用两个并联的 LT8648S 器件的 3.3V/25A、2MHz 原理图。两个 LT8648S 稳压器具有共同的输入和输出。连接 EN/UV 和 SS 引脚以确保两个稳压器以相同的压摆率同时启动。LT8648S 使用峰值电流模式控制,这使得误差放大器输出与负载电流相关的V C电压。通过连接 V C和 FB 引脚,两个并联的 LT8648S 器件可以实现良好的电流平衡,而无需额外的电路。U1 LT8648S 的 CLKOUT 引脚连接到 U2 LT8648S 的 SYNC/MODE 引脚。通过这种连接,两个 LT8648S 稳压器以 180° 相移同步。

图 6:使用两个并联 LT8648S 稳压器的 2MHz、3.3V/25A 应用(来源:Analog Devices)
图 7 显示了图 6 电路的效率和温升。U1 和 U2 的温度几乎相同,这表明在这种并联应用中电流平衡良好。高开关频率和外部补偿可实现快速瞬态响应。

图 7:图 6 所示电路的效率和温升(来源:Analog Devices)
图 8 显示了图 6 所示电路的负载瞬态响应。

图 8:图 6 所示电路的 10A 至 20A 负载瞬态响应(来源:Analog Devices)
结论
本文介绍了两款大电流 42V 单片 Silent Switcher 稳压器 LT8638S 和 LT8648S。它们的高效率和超低排放缓解了恶劣汽车应用环境中的热和 EMI 问题。凭借集成 MOSFET,LT8638S 和 LT8648S 稳压器为快速扩展的汽车 ADAS 应用所需的大电流中间电源提供了一个小解决方案尺寸。
上一篇:连接器在 EV 电池管理系统中发挥重要作用
下一篇:车载信息娱乐系统中的电源设计(上)
推荐阅读最新更新时间:2026-03-20 18:45
- 热门资源推荐
- 热门放大器推荐
- 边缘计算主机盒选购指南:五大核心指标解析
- Arm AGI CPU 更多细节:台积电 3nm 制程、Neoverse V3 微架构
- Arm AGI CPU 重磅发布:构筑代理式 AI 云时代的芯片基石
- Arm 拓展其计算平台矩阵,首次跨足芯片产品
- 阿里达摩院发布RISC-V CPU玄铁C950,首次原生支持千亿参数大模型
- 边缘 AI 加速的 Arm® Cortex® ‑M0+ MCU 如何为电子产品注入更强智能
- 阿里达摩院发布玄铁C950,打破全球RISC-V CPU性能纪录
- VPU中的“六边形战士”:安谋科技Arm China发布“玲珑”V560/V760 VPU IP
- 利用锚定可信平台模块(TPM)的FPGA构建人形机器人安全
- ADR435B 5 Vout 超低噪声 XFET 电压基准的典型应用,具有灌电流和拉电流能力
- 使用 Analog Devices 的 ADP8140 的参考设计
- NCP699SN30T1G 150mA、3 路输出电压 CMOS 低 Iq LDO 的典型应用,在 TSOP-5 中启用
- ZTL431过压/欠压保护电路典型应用
- 使用 Microchip Technology 的 DVR2802B3 的参考设计
- 开源的浮游生物监测分析设备PlanktoScope
- STK503,旨在评估 AT90USB AVR MCU 的入门套件,通过 AVR Studio 支持 JTAGICE mkII 和 AVRISP mkII
- 使用 BittWare 的 XCVU190 的参考设计
- 远程声控参考设计
- NCP4354AADAPGEVB,用于 NCP4354、65W 适配器关闭模式控制器的评估板

中小功率隔离型开关电源设计概要-MPS
现代雷达系统的信号设计
BFR340T






京公网安备 11010802033920号