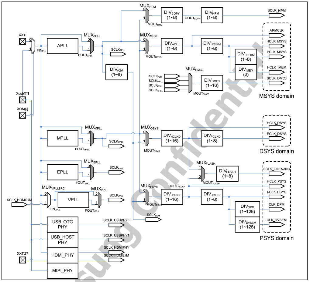
1、S5PV210的时钟获得:外部晶振+内部时钟发生器+内部PLL产生高频时钟+内部分频器分频
S5PV210外部有4个W晶振接口,可以根据需要来决定在哪里接晶振。接了晶振之后上电相应的模块就能产生振荡,产生原始时钟。原始时钟经过一系列的筛选开关进入相应的PLL电路生成倍频后的高频时钟。高频时钟再经过分频到达芯片内部各模块上。(有些模块,譬如串口内部还有进一步的分频器进行再次分频使用)
2、时钟域:MSYS、DSYS、PSYS

MSYS(main system):CPU(Cortex-A8内核)、DRAM控制器(DMC0和DMC1)、SRAM(IRAM&IROM)、INTC、SPERI(configuration inerface)······
ARMCLK: 给cpu内核工作的时钟,也就是所谓的主频。
HCLK_MSYS: MSYS域的高频时钟,给DMC0和DMC1使用
PCLK_MSYS: MSYS域的低频时钟
HCLK_IMEM:给iROM和iRAM(合称iMEM)使用
DSYS(display system): 都是和视频显示、编解码等有关的模块(FIMC、FIMD、JPEG)
HCLK_DSYS:DSYS域的高频时钟
PCLK_DSYS:DSYS域的低频时钟
PSYS(peripheral system): 和内部的各种外设时钟有关,譬如串口、SD接口、I2C、AC97、USB等
HCLK_PSYS:PSYS域的高频时钟
PCLK_PSYS:PSYS域的低频时钟
3、关于PLL(包括APLL MPLL EPLL VPLL)
APLL:Cortex-A8内核 MSYS域
MPLL&EPLL:DSYS PSYS
VPLL:Video视频相关模块

4、时钟设置的关键寄存器
xPLL_LOCK 控制PLL锁定周期
xPLL_CON 打开/关闭PLL电路,设置PLL的倍频参数,查看PLL锁定状态
CLK_SRCn(n:0~6) 设置时钟来源,对应时钟框图中的MUX开关
CLK_SRC_MASK 决定MUX开关n选1后是否能继续通过
CLK_DIV 各模块的分频器参数配置
CLK_GATE_x 类似于CLK_SRC_MASK,对时钟进行开关控制
CLK_DIV_STATn、CLK_MUX_STATn 查看DIV和MUX的状态(已经完成还是在进行中)
5、代码设置时钟逻辑步骤:
(1)先选择不使用PLL。让外部24MHz原始时钟直接过去,绕过APLL那条路
1 ldr r0, =ELFIN_CLOCK_POWER_BASE
2 //设置各种时钟开关,暂时不使用PLL
3 ldr r1, =0x0
4 //CLK_SRC bit[0]就是APLL_SEL,(APLL_SEL:control MUXAPLL(0:FINPLL,1:FOUTAPLL))
5 str r1, [r0, #CLK_SRC0_OFFSET]

(2)设置锁定时间。默认值为0x0FFF,保险起见我们设置为0xFFFF
//设置锁定时间,使用默认值即可
// 设置PLL后,时钟从Fin提升到目标频率时,需要一定的时间,即锁定时间
ldr r1, =0x0000FFFF
str r1, [r0, #APLL_LOCK_OFFSET]
str r1, [r0, #MPLL_LOCK_OFFSET]

(3)设置分频系统,由PLL出来的最高时钟如何分频得到各个分时钟
1 //设置分频
2 // 清bit[0~31]
3 ldr r1, [r0, #CLK_DIV0_OFFSET]
4 ldr r2, =CLK_DIV0_MASK
5 bic r1, r1, r2
6 ldr r2, =0x14131440
7 orr r1, r1, r2
8 str r1, [r0, #CLK_DIV0_OFFSET]
0x14131440的含义:
PCLK_PSYS = HCLK_PSYS / 2
HCLK_PSYS = MOUT_PSYS / 5
PCLK_DSYS = HCLK_DSYS / 2
HCLK_DSYS = MOUT_DSYS / 4
·······
HCLK_MSYS = ARMCLK / 5
ARMCLK = MOUT_MSYS / 1


(4)设置PLL,主要是设置PLL的倍频系统,决定由输入端24MHz的原始频率可以得到多大的输出频率。我们按照默认设置值设置输出为ARMCLK为1GHz
1 #define set_pll(mdiv, pdiv, sdiv) (1<<31 | mdiv<<16 | pdiv<<8 | sdiv)
2 #define APLL_VAL set_pll(APLL_MDIV,APLL_PDIV,APLL_SDIV)
3 #define MPLL_VAL set_pll(MPLL_MDIV,MPLL_PDIV,MPLL_SDIV)
4
5 //设置PLL
6 // FOUT = MDIV*FIN/(PDIV*2^(SDIV-1))=0x7d*24/(0x3*2^(1-1))=1000 MHz
7 ldr r1, =APLL_VAL
8 str r1, [r0, #APLL_CON0_OFFSET]
9 // FOUT = MDIV*FIN/(PDIV*2^SDIV)=0x29b*24/(0xc*2^1)= 667 MHz
10 ldr r1, =MPLL_VAL
11 str r1, [r0, #MPLL_CON_OFFSET]
(5)打开PLL。前面4步已经设置好了所有的开关和分频系数,该步骤打开PLL后PLL开始工作,锁定频率后输出,然后经过分频得到各个频率。
1 //设置各种时钟开关,使用PLL
2 ldr r1, [r0, #CLK_SRC0_OFFSET]
3 ldr r2, =0x10001111
4 orr r1, r1, r2
5 str r1, [r0, #CLK_SRC0_OFFSET]

6、汇编代码
1 // 时钟控制器基地址
2 #define ELFIN_CLOCK_POWER_BASE 0xE0100000
3
4 // 时钟相关的寄存器相对时钟控制器基地址的偏移值
5 #define APLL_LOCK_OFFSET 0x00
6 #define MPLL_LOCK_OFFSET 0x08
7
8 #define APLL_CON0_OFFSET 0x100
9 #define APLL_CON1_OFFSET 0x104
10 #define MPLL_CON_OFFSET 0x108
11
12 #define CLK_SRC0_OFFSET 0x200
13 #define CLK_SRC1_OFFSET 0x204
14 #define CLK_SRC2_OFFSET 0x208
15 #define CLK_SRC3_OFFSET 0x20c
16 #define CLK_SRC4_OFFSET 0x210
17 #define CLK_SRC5_OFFSET 0x214
18 #define CLK_SRC6_OFFSET 0x218
19 #define CLK_SRC_MASK0_OFFSET 0x280
20 #define CLK_SRC_MASK1_OFFSET 0x284
21
22 #define CLK_DIV0_OFFSET 0x300
23 #define CLK_DIV1_OFFSET 0x304
24 #define CLK_DIV2_OFFSET 0x308
25 #define CLK_DIV3_OFFSET 0x30c
26 #define CLK_DIV4_OFFSET 0x310
27 #define CLK_DIV5_OFFSET 0x314
28 #define CLK_DIV6_OFFSET 0x318
29 #define CLK_DIV7_OFFSET 0x31c
30
31 #define CLK_DIV0_MASK 0x7fffffff
32
33 // M、P、S的配置值都是查数据手册中典型时钟配置值的推荐配置得来的。
34 #define APLL_MDIV 0x7d // 125
35 #define APLL_PDIV 0x3
36 #define APLL_SDIV 0x1
37
38 #define MPLL_MDIV 0x29b // 667
39 #define MPLL_PDIV 0xc
40 #define MPLL_SDIV 0x1
41
42 #define set_pll(mdiv, pdiv, sdiv) (1<<31 | mdiv<<16 | pdiv<<8 | sdiv)
43 #define APLL_VAL set_pll(APLL_MDIV,APLL_PDIV,APLL_SDIV)
44 #define MPLL_VAL set_pll(MPLL_MDIV,MPLL_PDIV,MPLL_SDIV)
45
46 .global clock_init
47 clock_init:
48 ldr r0, =ELFIN_CLOCK_POWER_BASE
49
50 // 1 设置各种时钟开关,暂时不使用PLL
51 ldr r1, =0x0
52 //CLK_SRC bit[0]就是APLL_SEL,(APLL_SEL:control MUXAPLL(0:FINPLL,1:FOUTAPLL))
53 str r1, [r0, #CLK_SRC0_OFFSET]
54
55 // 2 设置锁定时间,使用默认值即可
56 // 设置PLL后,时钟从Fin提升到目标频率时,需要一定的时间,即锁定时间
57 ldr r1, =0x0000FFFF
58 str r1, [r0, #APLL_LOCK_OFFSET]
59 str r1, [r0, #MPLL_LOCK_OFFSET]
60
61 // 3 设置分频
62 // 清bit[0~31]
63 ldr r1, [r0, #CLK_DIV0_OFFSET]
64 ldr r2, =CLK_DIV0_MASK
65 bic r1, r1, r2
66 ldr r2, =0x14131440
67 orr r1, r1, r2
68 str r1, [r0, #CLK_DIV0_OFFSET]
69
70 // 4 设置PLL
71 // FOUT = MDIV*FIN/(PDIV*2^(SDIV-1))=0x7d*24/(0x3*2^(1-1))=1000 MHz
72 ldr r1, =APLL_VAL
73 str r1, [r0, #APLL_CON0_OFFSET]
74 // FOUT = MDIV*FIN/(PDIV*2^SDIV)=0x29b*24/(0xc*2^1)= 667 MHz
75 ldr r1, =MPLL_VAL
76 str r1, [r0, #MPLL_CON_OFFSET]
77
78 // 5 设置各种时钟开关,使用PLL
79 ldr r1, [r0, #CLK_SRC0_OFFSET]
80 ldr r2, =0x10001111
81 orr r1, r1, r2
82 str r1, [r0, #CLK_SRC0_OFFSET]
83
84 mov pc, lr
7、C语言代码
1 // 时钟控制器基地址
2 #define ELFIN_CLOCK_POWER_BASE 0xE0100000
3
4 // 时钟相关的寄存器相对时钟控制器基地址的偏移值
5 #define APLL_LOCK_OFFSET 0x00
6 #define MPLL_LOCK_OFFSET 0x08
7
8 #define APLL_CON0_OFFSET 0x100
9 #define APLL_CON1_OFFSET 0x104
10 #define MPLL_CON_OFFSET 0x108
11
12 #define CLK_SRC0_OFFSET 0x200
13 #define CLK_SRC1_OFFSET 0x204
14 #define CLK_SRC2_OFFSET 0x208
15 #define CLK_SRC3_OFFSET 0x20c
16 #define CLK_SRC4_OFFSET 0x210
17 #define CLK_SRC5_OFFSET 0x214
18 #define CLK_SRC6_OFFSET 0x218
19 #define CLK_SRC_MASK0_OFFSET 0x280
上一篇:shell学习一:shell命令行实现
下一篇:S5PV210_流水灯
推荐阅读最新更新时间:2026-03-23 17:11
- LTC2172CUKG-12、12 位、65Msps 低功耗四通道 ADC 的典型应用电路
- 使用 ROHM Semiconductor 的 BD5339 的参考设计
- 使用 Diodes Incorporated 的 PT8A3517 的参考设计
- LT5527 400MHz 至 3.7GHz 高信号电平下变频混频器的典型应用
- AD5340 并行接口、单电压输出、12 位 DAC 的典型应用
- 30W、-27V、5.8V、5.8V、15V、24V、33V交流转直流多路输出电源
- OP213FSZ-REEL7 低噪声运算放大器电压基准的典型应用
- LT3579/LT3579-1 演示板,升压 / 反相 DC/DC 转换器
- L7815A 光控制器稳压器的典型应用 (Vo(min) = Vxx + VBE)
- 具有关断功能的 LT1086CT-5 5V 稳压器的典型应用



HMC7044配置上位机
嵌入式视频应用系统设计与实现 基于TI DaVinci DM355处理器
非常经典的关于LLC的杨波博士论文
ASM10DTBD-S664






京公网安备 11010802033920号