在现代电动汽车 (EV) 和混合动力汽车 (HEV)
中,电池管理系统 (BMS) 是电池包的大脑,负责确保电池的性能、安全性和寿命。BMS 可监控多个参数,如充电状态和健康状态,充电状态能提供可用的剩余能量,健康状态能评估电池电芯的整体状况和老化程度。这些指标有助于维持高效能源使用并延迟电池的过早老化。
为了满足有关电池效率和环境可持续性的法规,汽车制造商必须在车辆的整个生命周期内保持非常良好的电池健康状态。例如,加利福尼亚州空气资源委员会 (California Air Resources Board) 提出了多项标准,要求电动汽车在 10 年内(2030 年之前款车型为 150,000 英里)至少保持 80% 的续航里程。这是最早将于 2026 年款车型开始实施的较低要求的结果,规定在 2031 年款车型之后继续严格执行法规。类似的标准已经在全球生效,因此需要在 BMS 中使用更先进的集成解决方案来提高检测精度。在本文中,我们将介绍与分立式电阻链相比,集成式高压电阻分压器如何提供更精确且更节省空间的电压衰减方法,从而使 BMS 能够更好地平衡电池包并延长其寿命。
图 1 展示了电动汽车内的电池电芯和电池管理系统。

图 1:≥400V 电动汽车电池通过电阻分压器进行衰减,以连接 BMS 的其余部分
应用基础知识
典型的电动汽车电池电压为 ≥400V,行业正在朝着 1kV 或更高电压的趋势发展。更高电压的电池有助于降低最大电流要求并更大限度地提高效率。测量此电压并将其传达给相关车辆系统需要使用模数转换器 (ADC) 进行信号转换,该转换器通常由大约 5V 的电压供电。ADC 不接受大于该电压的输入信号。
为了保护 ADC 和其他低压元件免受相对较大的电池电压的影响,需要使用隔离式放大器等器件来维持高压域和低压域之间的隔离。尽管是两个电压域之间的电桥,隔离式放大器只能接受与 ADC 类似的电压范围,从而需要在到达隔离放大器之前衰减电池电压。通常使用电阻分压器实现此目的,将高电压信号降低到电压较低的满量程范围内。
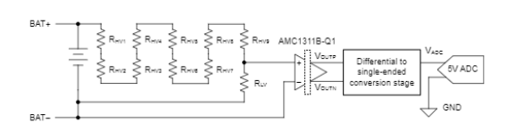
图 2 是直流总线测量的电路图,该测量使用长串电阻器,以便将电池电压衰减到可接受的水平。

图 2:使用分立式电阻梯测量电池电压的电路
分立式电阻器链的缺点
在处理大于 400V 的电压时,必须考虑爬电距离和间隙,以防止出现电弧并确保绝缘安全。尽管传统的电阻分压器仅需要两个电阻器,但为了实现爬电和间隙,高压衰减通常采用长链电阻器来增加高压和低压节点之间的物理距离。根据 IEC 60115-8,每个电阻上的最大持续压降都受到限制;通常情况下,每个 1206 外壳尺寸表面贴装电阻为 200V,每个 0805 外壳尺寸电阻为 150V。
该设计方法确实存在一些缺点。即使使用精密电阻器,每个分立式电阻器的固有容差变化也可能会使分压比出现显著差异,从而导致电压测量不准确。分立式电阻器还容易因温度变化和老化而导致电阻变化。此类电阻器两端的焊接点也会暴露在外,可能导致额外的泄漏和寄生电容或电感,除非采用保形涂层或其他保护措施,而这些措施会增加解决方案成本。
在长链分立式电阻器中,这些影响会加剧,随着时间的推移进一步降低电压检测精度;导致充电状态和运行状况估计错误,进而导致电池管理决策欠佳(例如充电和放电周期不正确);最终会缩短电池寿命和电动汽车续航里程。
集成的优势
德州仪器 RES60A-Q1 集成电阻分压器的宽体 SOIC 封装经专门设计,能满足国际电工委员会 61010 标准定义的爬电距离和间隙标准,可处理高达 1.7kV 的电压。
该器件在性能和可靠性方面具有显著优势。为初始比率和超时容差指定的最大限值有助于确保分压比准确,尽管存在老化或环境变化(如温度变化)的影响。对于注重一致性能的应用而言,可靠性非常重要。
集成电路封装设计省去了冗长的分立式电阻链,从而减小所需的印刷电路板尺寸。这种整合不仅简化了电路布局,而且降低了组装成本。更少的暴露节点可降低漏电或寄生效应产生误差的可能性,无需保形涂层,并且还可能降低成本。
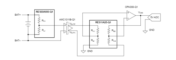
图 3 是直流总线测量的电路图,其中 RES60A-Q1、RES11A-Q1 和 AMC1311B-Q1 提供了一种测量穿过隔离栅的电压并实现小于 1% 的满量程范围误差的方法。

图 3:采用 RES60A-Q1、RES11A-Q1 和 AMC1311B-Q1 的电池电压测量电路
差分至单端转换
具有差分输出的隔离式放大器(例如德州仪器的 AMC1311B-Q1)很受欢迎,因为差分输出非常适合承载更长距离的信号。出于安全考虑,设计人员通常会将其低压元件放置在远离高压源的位置。要将此信号馈入单端 ADC,需要通过添加集成差分放大器或在放大器周围配置四个分立式电阻器来进行差分到单端转换(请参阅图 3)。
个别电阻器也会在分立式差分放大器实现中引入比率漂移,具体原因与分立式电阻分压器在衰减期间引入误差的原因相同。将集成电阻器(如 RES11A-Q1)与高精度放大器(如OPA388-Q1)相结合,可产生具有高共模抑制比的差分放大器,这有助于降低噪声和减少其他误差。
结语
在设计 BMS 的高电压衰减电路时,从分立式电阻链过渡到 RES60A-Q1 等解决方案具有诸多优势。当与 RES11A-Q1 等辅助元件配合使用以进行差分信号转换时,这些集成器件有助于使电动汽车长时间维持健康的电池状态。
上一篇:2025年的智能驾驶:VLA上车元年
下一篇:或成为智驾系统标配,吉利申请自适应变道专利
- 热门资源推荐
- 热门放大器推荐
- LDK120M12R 1.2V低压降稳压器典型应用(可调版)电路
- EVB-UTC2000-DFP、EVK-UTC2000 评估套件基于 UTC2000 USB 3.0/2.0 Type-A,即插即用 Type-C DFP
- LTC3219 演示板、250mA 通用九通道 LED 驱动器
- DC919A-D,LTC2204 CMOS 输出演示板,直流输入,40Msps 16 位 ADC,DC
- AD8618ARZ-REEL 二阶低通滤波器运算放大器的典型应用电路
- 使用 NXP Semiconductors 的 PCA9511A 的参考设计
- LT3091MPDE 恒流恒压实验室电源的典型应用
- ADR392B 4.096 Vout 微功率、低噪声精密电压基准的典型应用
- LT3470HDDB 5V 降压转换器的典型应用电路
- 使用 Diodes Incorporated 的 AZ7042ZTR-E1 的参考设计

现代雷达系统的信号设计
LMP8671MA/NOPB
BFR340T






京公网安备 11010802033920号