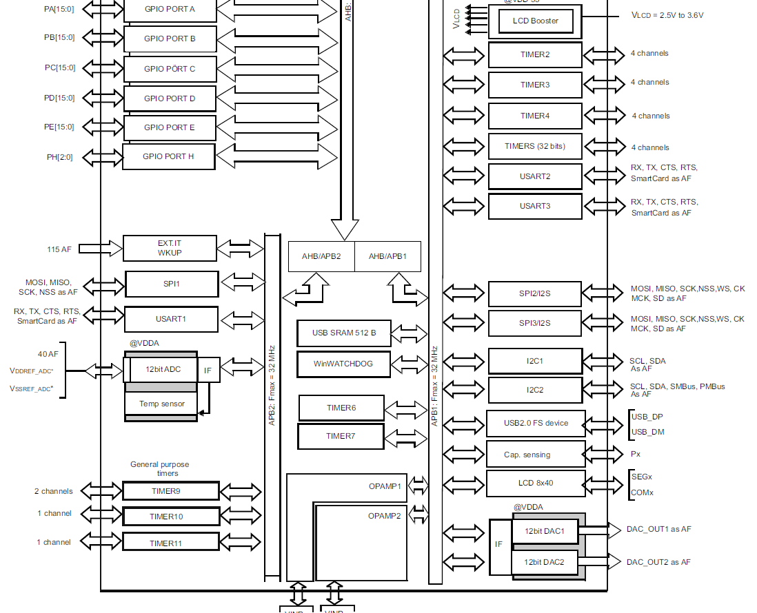
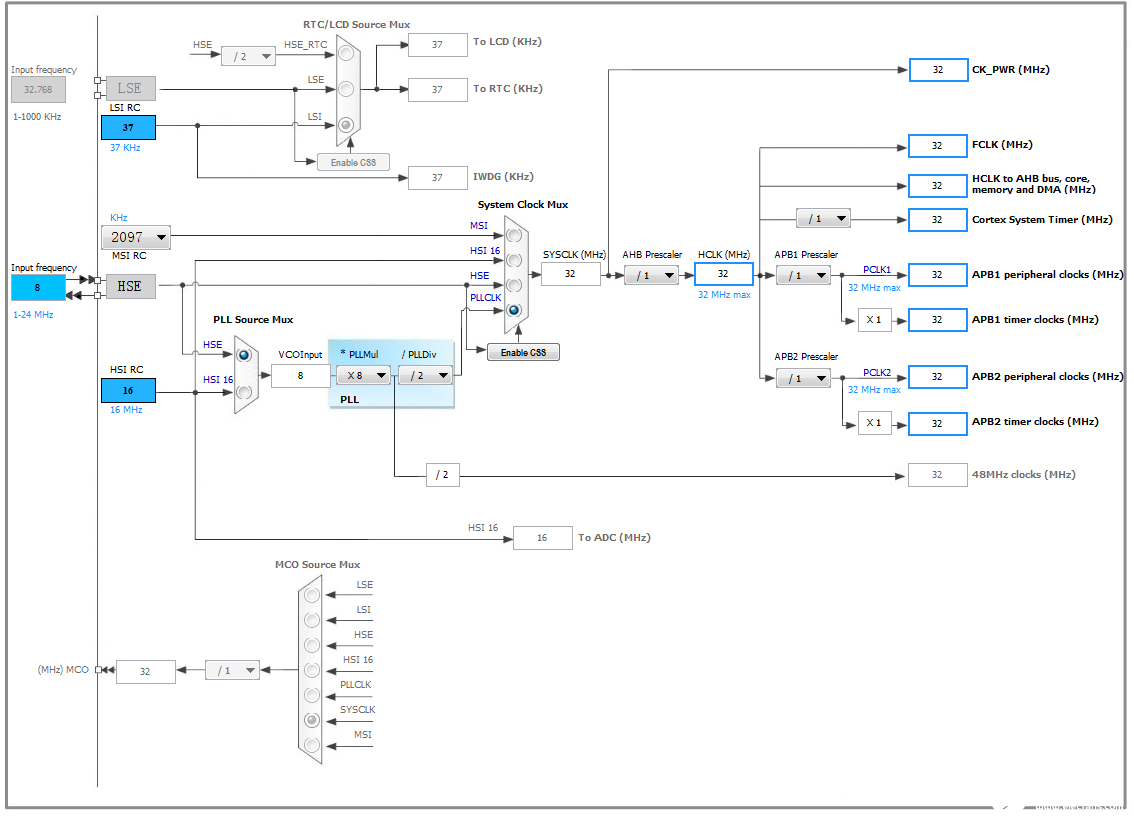
RCC:Reset and Clock Control,复位与时钟控制系统。系统复位有三种:系统复位、电源复位、RTC domain复位。本文重点详解Clock Control部分。下面看下STM32L152芯片的时钟框图和cubeMX软件中的时钟框图。



如上图所示,在STM32中,有五个时钟源,为HSI、HSE、LSI、LSE、PLL。
①HSI:High Speed Internal,高速内部时钟,RC振荡器;
②HSE:High Speed External,高速外部时钟,可接石英/陶瓷谐振器,或者接外部时钟源;
③LSI:Low Speed Internal,低速内部时钟,RC振荡器,频率为37kHz;
④LSE:Low Speed External,低速外部时钟,接频率为32.768kHz的石英晶体;
⑤PLL:Phase Locked Loop,锁相环倍频分频输出。
另外,STM32还具有双时钟机制,即时钟安全系统CSS(Clock Security System)。在外部晶振不工作时,转而使用内部RC振荡器作为自己时钟心跳保证系统正常运行。当外部晶振恢复正常后,重新使用外部晶振。
上图中也提到3种时钟,FCLK、HCLK和PCLK。简单介绍下三种时钟。
(1)FCLK:Free Running Clock,为CPU提供时钟信号,平时说的CPU主频,就是这个时钟信号,1/Fclk即为CPU时钟周期;
(2)HCLK:为AHB bus peripherals提供时钟信号,AHB:advanced high-performance bus;HCLK是高速外设时钟,一般给内存、flash提供时钟。
(3)PCLK:为APB bus peripherals供给时钟信号,APB:advanced peripherals bus;PCLK是低速外设时钟,一般给CAN、USB、I2C、USART、SPI、Timer、ADC和DAC提供时钟信号。下面结合Cubemx生成的系统时钟原程序进行分析。
void SystemClock_Config(void)
{
RCC_OscInitTypeDef RCC_OscInitStruct;
RCC_ClkInitTypeDef RCC_ClkInitStruct;
RCC_PeriphCLKInitTypeDef PeriphClkInit;
/**Configure the main internal regulator output voltage
*/
__HAL_PWR_VOLTAGESCALING_CONFIG(PWR_REGULATOR_VOLTAGE_SCALE1);//设置调压器输出电压级别1,用来设置调压器输出电压级别,器件未以最大频率工作,达到性能和功耗平衡
/**Initializes the CPU, AHB and APB busses clocks
*/
RCC_OscInitStruct.OscillatorType = RCC_OSCILLATORTYPE_HSI|RCC_OSCILLATORTYPE_LSI
|RCC_OSCILLATORTYPE_HSE;
RCC_OscInitStruct.HSEState = RCC_HSE_ON;
RCC_OscInitStruct.HSIState = RCC_HSI_ON;
RCC_OscInitStruct.HSICalibrationValue = 16;//HSI时钟16M
RCC_OscInitStruct.LSIState = RCC_LSI_ON;
RCC_OscInitStruct.PLL.PLLState = RCC_PLL_ON;
RCC_OscInitStruct.PLL.PLLSource = RCC_PLLSOURCE_HSE;//PLL时钟源为HSE
RCC_OscInitStruct.PLL.PLLMUL = RCC_PLL_MUL8;//8倍频
RCC_OscInitStruct.PLL.PLLDIV = RCC_PLL_DIV2;//2分频
if (HAL_RCC_OscConfig(&RCC_OscInitStruct) != HAL_OK)//初始化
{
_Error_Handler(__FILE__, __LINE__);
}
/**Initializes the CPU, AHB and APB busses clocks
*/
RCC_ClkInitStruct.ClockType = RCC_CLOCKTYPE_HCLK|RCC_CLOCKTYPE_SYSCLK
|RCC_CLOCKTYPE_PCLK1|RCC_CLOCKTYPE_PCLK2;
RCC_ClkInitStruct.SYSCLKSource = RCC_SYSCLKSOURCE_PLLCLK;
RCC_ClkInitStruct.AHBCLKDivider = RCC_SYSCLK_DIV1;//AHB 1分频
RCC_ClkInitStruct.APB1CLKDivider = RCC_HCLK_DIV1;//APB1 1分频
RCC_ClkInitStruct.APB2CLKDivider = RCC_HCLK_DIV1;//APB2 1分频
if (HAL_RCC_ClockConfig(&RCC_ClkInitStruct, FLASH_LATENCY_1) != HAL_OK)//初始化
{
_Error_Handler(__FILE__, __LINE__);
}
PeriphClkInit.PeriphClockSelection = RCC_PERIPHCLK_RTC;
PeriphClkInit.RTCClockSelection = RCC_RTCCLKSOURCE_LSI;//RTC时钟选择LSI
if (HAL_RCCEx_PeriphCLKConfig(&PeriphClkInit) != HAL_OK)
{
_Error_Handler(__FILE__, __LINE__);
}
/**Configure the Systick interrupt time
*/
HAL_SYSTICK_Config(HAL_RCC_GetHCLKFreq()/1000);//滴答定时器配置
/**Configure the Systick
*/
HAL_SYSTICK_CLKSourceConfig(SYSTICK_CLKSOURCE_HCLK);//滴答定时器选择HCLK 不分频
/* SysTick_IRQn interrupt configuration */
HAL_NVIC_SetPriority(SysTick_IRQn, 0, 0);//滴答定时器中断优先级
上一篇:为什么晶振不集成到芯片内部去?
下一篇:制作一个0-20mA的信号发生器,可以给很多仪器仪表做校准或测试
推荐阅读最新更新时间:2026-03-21 11:29
- LM2904DMR2G 函数发生器运算放大器的典型应用
- DEMO9RS08KA2: DEMO9RS08KA2 Demonstration Board
- MCP73871EV,MCP73871 锂离子电池充电器评估板
- STEVAL-IHM039V1,采用 STM32F415 微控制器的双电机控制演示板
- LTC1606CG 演示板、16 位、250ksps ADC
- RT8086B 3.5A、1.2MHz、同步降压转换器的典型应用
- TS4999EIJT 典型应用 免滤波器立体声 2.8 W D 类音频功率放大器,可选择 3D 音效
- LTM4615,采用 15mm-15mm 封装的完整双路和三路输出负载点模块稳压器
- LTC2415-1IGN 24 位 ADC 的典型应用电路使用电阻器阵列在励磁放大器中提供精确匹配
- 使用 Analog Devices 的 LTC1450LIN 的参考设计

嵌入式视频应用系统设计与实现 基于TI DaVinci DM355处理器
现代雷达系统的信号设计
BFR340T






京公网安备 11010802033920号