
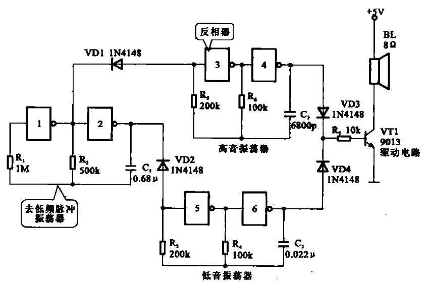
警笛信号发生器电路
所示是一个由六反相器集成电路CD4069组成的警笛信号发生器电路。反相器1、2组成
超低频脉冲振荡器,非门3、4组成高音振荡器.非门5、6组成低音振荡器。超低频脉冲振荡器的输出
通过二极管VDI、VD2控制高、低音振荡器轮流振荡,振荡信号分别经VD3、VD4由半导体三极管VT1
放大后推动扬声器发出的警笛声响。
这里还没有内容,您有什么问题吗?
电子电路资源推荐
- 电磁兼容(EMC)测试与整改超级经典

来源:下载中心
- 基于运算放大器和模拟集成电路的电路设计 第3版

来源:下载中心
- 电路理论基础

来源:大学堂
- 趣味电子技术史话:开关电源的早期历史

来源:大学堂
- 电路的基本物理量:电流,电压,电位,电动势,电功率

来源:电路图
- 常用的13种半导体功率器件介绍

来源:电路图
推荐帖子 最新更新时间:2026-03-21 15:33
- STM32的AD
- 有哪位大虾 知道 STM32的AD 的通道转换组分 规则组和注入组是什么意思啊 STM32的AD
爱好汽车电子
单片机
- 430下载电路
- 我手上现在又两片MSP430FG4618单片机,希望知道的能共享一下下载电路,我不知道430所有型号的下载电路是不是一样的。如果可以最好有整个最小系统的图。 464186204@qq.com 。 430下载电路 你好。 正好你手里的芯片型号和TI原厂的一个开发板是一样的。可以直接
学徒JY
微控制器 MCU
- 【M4学习之一】与TI的FAE聊M3/M4的区别
- 昨天成都地区TI的FAE到我们公司来推广M4,一样对我拿到M4开发板比较震惊,据说整个中国地区只有20块左右,他们培训完也全部上交了,其实开始拿到M4开发板,个人觉得和M3比较起来除了外设比较多外其他差别不是太大,但是昨天和FAE聊了一下发现TI推出的M4还是有它特殊的意义的,
fengzhang2002
微控制器 MCU
- DIY 直流电动机
- 所谓的直流电动机其实很简单,大家应该都做过吧。 2010-12-9 10:04 上传 下载附件 (52.76 KB) 如上图,直流电动机所需要的材料。里面比较特殊的应该是两个别针,设计者想象力真的很丰富。 2010-12-9
hanker510
DIY/开源硬件专区
- DM642的TIMER_config函数要怎么配置?
- 不知道是不是我没找对文档,在TMS320C6000 Chip Support Library API Reference Guide上没有找到详细的TIMER_Config()函数的配置,就只有以下一些内容: TIMER_Config Structure used to se
new82116
DSP 与 ARM 处理器
- 【低功耗】赛灵思新一代 28nm FPGA技术概览
- 【低功耗】赛灵思新一代 28nm FPGA技术概览
ddllxxrr
FPGA/CPLD
- USB-Blaster ep2c35
- 关于CMD里的OBJ及LIB问题
- 谁有AMPIRE128X64液晶数据手册,麻烦共享一下。
- 突然想起一个问题,电解电容能换成无极性的电容吗?
- 请问不会c++能做驱动吗
- 如何把方波转为正弦波?
- 我想不重烧NK,修改wince6开机画面,mini2440平台,求教
- 基于msp430f149串口通信(接收字符串)
- 求一个12832液晶的驱动程序
- 易电源LMZ12002模块试用报告1.2 总结 - winterschs
- sd卡启动uboot时按键不起作用
- 教你怎么读数据手册(中英文两个版本)
- 你好arm编程
- 【求助】达芬奇DSP算法封装?
- 用msp430芯片使用CCS开发,如何生成烧写代码?
- 关于nios烧写问题、求大神帮助
- ADC10多通道转换破解
- 吉时利3700系列主机——目标应用
- 求助啊,MSP430g2553怎么产生2路PWM波
- 请教关于函数传值的奇怪问题
- 使用 Analog Devices 的 LT1108CS8 的参考设计
- 使用具有 B 类 EMI 过滤功能的 RP10-123.3SA DC/DC 转换器(单输出)的典型应用
- NCP699SN33T1G 150mA、3.3 输出电压 CMOS 低 Iq LDO 的典型应用,在 TSOP-5 中启用
- LT6658AIMSE-2.5 驱动具有独立电压基准的 LTC2323-16 双通道 ADC 的典型应用电路
- 基于RSL10的智能穿戴设备
- LTC1046IS8 5V 至-5V 无电感器转换器的典型应用电路
- 使用 NXP Semiconductors 的 TDA8933 的参考设计
- NCP1250B40WGEVB:40 W 笔记本适配器演示评估板
- SC4215H 极低输入/极低压差 2 安培稳压器的典型应用
- EVAL-AD8003-3CPEZ,专门用于评估 AD8003 的评估板







京公网安备
11010802033920号