
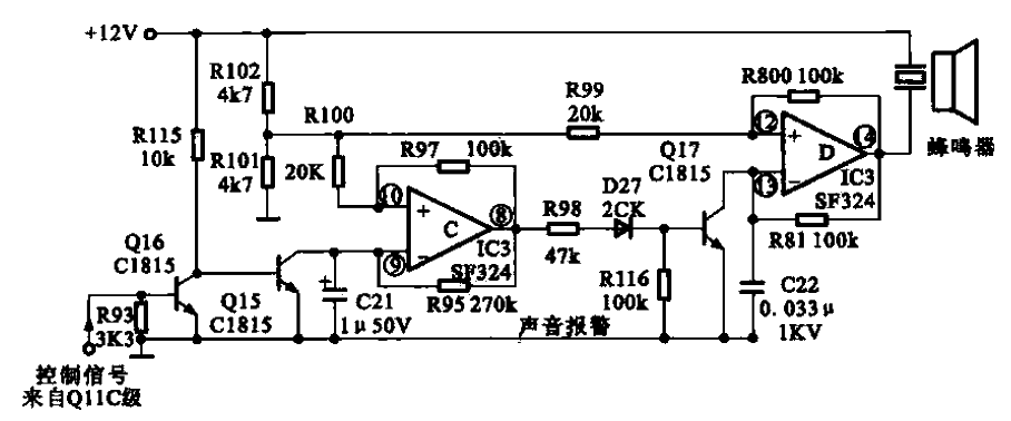
所示为电磁灶的报警电路。电磁灶在启动、停机或者保护状态下,为了提示用户,就要使蜂
鸣器发出声响。
该电路采用了一个电压比较器SF324。它实际上是一个运算放大器。这个运算放大器是根据◎、⑩
脚输入信号电平的高低变化,决定其⑧脚输出的信号变化。
12 V电压经过引线加到蜂鸣器的一端,蜂鸣器的另一端接在运算放大器SF324 (D)的@脚。由于
蜂鸣器的一端是12 V.若其另一端电压低于12 V,在蜂鸣器里就会产生电流,这样就会使蜂鸣器发出声
响。如果运算放大器SF324 (D)输出的是脉冲信号,蜂鸣器同样会发声,并且音调会发生变化,这就是
蜂鸣器的驱动方式。
蜂鸣器什么时候发声,什么时候不发声,主要是靠控制电路控制的。比如微处理器电路检测到过热、
过压等情况或者改换工作状态的时候,就会产生一个控制信号。该控制信号送入Q16反向控制晶体管。
如果送入Q16的控制信号是高电平,晶体管Q16就会导通.Q16导通后,晶体管集电极就会接地,同时
晶体管Q15的基极也随之接地,晶体管Q15截止;反之,晶体管Q16截止,晶体管Q15就会导通。晶体
管Q15导通后,运算放大器SF324 (C)的⑨脚就变成了低电压。如果晶体管Q15截止,运算放大器SF324
(c)的⑨脚就呈高电压,运算放大器SF324 (C)⑩脚的电压是电源经过分压电踌送来的,这个电压是
不变的。所以,控制信号的电压送到SF324(C)的◎脚,◎脚电平的高低就会改变运算放大器SF324 (C)
的输出,运算放大器SF324 (C)的输出又控制晶体管Q17。若运算放大器SF324 (C)输出的是高电平,
晶体管Q17就会导通,运算放大器SF324 (D)的@脚会变成低电平,若晶体管Q17截止,运算放大器
SF324 (D)的⑩脚就会变成高电平。若@脚的电平高于@脚t运算放大器SF324@脚的电压就会下降t
这时候蜂鸥器就会发声。所以,通过对电压的检测就会检测出是否有故障,即如果该发声的时候蜂鸣器不
响,就应该检测运算放大器的@脚的电压及晶体管Q17。运算放大器C、D都集成在SF324里面,当蜂鸣
器不报警了就应该检测SF324.重点检测输出端。如果@、@脚的输出不正常,可以先检测SF324电源供
电是否正常。因为供电不正常,就不能使运算放大器正常工作。如果电压不正常,输出又不对,那就表明
运算放大器SF324损坏,需要更换。
电子电路资源推荐
- Altium_Designer_原理图与PCB设计

来源:下载中心
- 汽车车载网络技术原理与应用

来源:下载中心
- FPGA内部结构简介(英特尔官方教程)

来源:大学堂
- 麻省理工公开课:电路和电子学

来源:大学堂
- 电阻和电阻定律以及0欧电阻和上、下拉电阻的作用

来源:电路图
- 单片机运行原理的一点点总结

来源:电路图
推荐帖子 最新更新时间:2026-03-25 15:15
- 每日几问?
- 在看夏老师的书的同时,看到课后有许多的思考题,由于没有给出标准答案,所以有些很好的问题我觉得是需要思考的,所以希望大家集思广益,发表自己的想法,能积极参与回答讨论,最后大家把问题搞明了。今天第一问,比较简单: 1、仿真是什么?仿真可以再那几个层面上进行?每个层面的仿真有什么意
奔跑的蜗牛
FPGA/CPLD
- VHDL的SDRAM控制
- ALTERA 公司IP核原代码,SDRAM 的控制器 程序,绝对实用 VHDL的SDRAM控制 好想下载看看 好想下载看看 卡卡卡卡卡卡 Re: VHDL的SDRAM控制 新手,试试看!
wenhuawu
FPGA/CPLD
- 小弟求助CC2420资料
- 小弟开始接触物联网开发,所用节点为Telosb,需要在节点上进行扩展,想了解下上面C2420模块~~小弟是新人,希望各位给予指导下~~ 谁能上传下关于CC2420的或者相关的资料啊~~ 小弟求助CC2420资料
鬼狼
无线连接
- 回归TI。。。
- 一直想买9B96的开发板,之前错过了一次绝好的机会!! 今个eeworld在搞团购!!eeworld好强大!!。回归TI。。。再学些。。。 回归TI。。。 嗷嗷~~ 支持了!!! 回复 楼主 yangtao0618 的帖子
yangtao0618
微控制器 MCU
- STM32 USB HID实现USB双向通信
- STM32 和USB HID实现USB双向通信有什么作用?? STM32 USB HID实现USB双向通信 楼主这个解决了么
meijianmao
stm32/stm8
- 对PC更深的理解
- 感觉不错,有空看看吧 对PC更深的理解 看不见捏 是什么捏?
jialilv
无线连接
- DDS常见问题综述
- 【征文】学习51单片机过时了吗?
- 我的人脸识别项目的视频
- 1602引脚设计的巧妙之处,意外收获!
- 信号接入问题
- 电烙铁头保养
- CCS4环境下可以直接编译生成HEX 或BIN文件吗?
- 怎么测量大的交流信号微小的幅值变化
- PIC96J60网络通信
- 关于DS1302的读数据时序
- 关于MSP430的时钟问题
- 【易电源试用】纳米模块LMZ10501
- 关于PVD进中断请教香主和各位大哥
- 想学学如何连接外接设备,应该看什么书?
- 请帮选个DC/DC电源IC,等用!
- Good to Great !概伦电子2012招聘职位!
- 请教一下推挽电路,有点晕。。。
- 求助:430单片机的热复位
- 请问:STM32F103ZET的外部输入复位脉冲的最小宽度是多大?
- GoodFET下载器







京公网安备
11010802033920号