本节将采用大规模集成电路DAC0831实现D/A转换,并介绍DAC0832引脚图及接口电路,采用ADC0809实现A/D转换。
(一) D/A转换器DAC0832
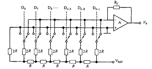
DAC0832是采用CMOS工艺制成的单片直流输出型8位数/模转换器。如图4-82所示,它由倒T型R-2R电阻网络、模拟开关、运算放大器和参考电压VREF四大部分组成。运算放大器输出的模拟量V0为:
图4-82
由上式可见,输出的模拟量 与输入的数字量( ) 成正比,这就实现了从数字量到模拟量的转换。
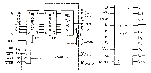
一个8位D/A转换器有8个输入端(其中每个输入端是8位二进制数的一位),有一个模拟输出端。输入可有28=256个不同的二进制组态,输出为256个电压之一,即输出电压不是整个电压范围内任意值,而只能是256个可能值。图4-83是DAC0832的逻辑框图和引脚排列。
图4-83
D0~D7:数字信号输入端。
ILE:输入寄存器允许,高电平有效。
CS:片选信号,低电平有效。
WR1:写信号1,低电平有效。
XFER:传送控制信号,低电平有效。
WR2:写信号2,低电平有效。
IOUT1、IOUT2:DAC电流输出端。
Rfb:是集成在片内的外接运放的反馈电阻。
Vref:基准电压(-10~10V)。
Vcc:是源电压(+5~+15V)。
AGND:模拟地 NGND:数字地,可与AGND接在一起使用。
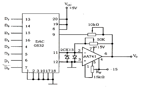
DAC0832输出的是电流,一般要求输出是电压,所以还必须经过一个外接的运算放大器转换成电压。实验线路如图4-84所示。
图4-85
IN0~IN7:8路模拟信号输入端。
A1、A2、A0 :地址输入端。ALE地址锁存允许输入信号,在此脚施加正脉冲,上升沿有效,此时锁存地址码,从而选通相应的模拟信号通道,以便进行A/D转换。
START:启动信号输入端,应在此脚施加正脉冲,当上升沿到达时,内部逐次逼近寄存器复位,在下降沿到达后,开始A/D转换过程。
EOC:转换结束输出信号(转换接受标志),高电平有效。
OE:输入允许信号,高电平有效。
CLOCK(CP):时钟信号输入端,外接时钟频率一般为640kHz。
Vcc:+5V单电源供电。 、
Vref(+),Vref(-):基准电压的正极、负极。一般Vref(+)接+5V电源,Vref(-)接地。
D7~D0:数字信号输出端。 由A2、A1、A0三地址输入端选通8路模拟信号中的任何一路进行A/D转换。
这里还没有内容,您有什么问题吗?
电子电路资源推荐
- 高频开关变换器的数字控制

来源:下载中心
- 机床电气PLC编程方法与实例 [高安邦,高家宏,孙定霞 主编] 2014年

来源:下载中心
- 数字电子技术基础

来源:大学堂
- PLC编程入门视频教程

来源:大学堂
- 叠加原理:概念及其求解过程

来源:电路图
- PCB板基础知识讲解

来源:电路图
推荐帖子 最新更新时间:2026-03-23 10:20
- 2011联想商用技术论坛在深圳即将召开
- 2011年11月1日,联想集团将在深圳举办2011联想商用技术发展论坛。本届论坛是联想举办的第四届联想商用技术论坛大会,以“赢在移动云计算时代”为主题,联想将携手全球顶尖IT厂商、知名合作伙伴和国内外专家,共同探讨如何成就云计算时代的移动互联商用价值。近年来,云计算已成为一种全新
fushuansang
PCB设计
- LaunchPad用户手册
- http://processors.wiki.ti.com/index.php/Getting_Started_with_the_MSP430_LaunchPad_Workshop LaunchPad用户手册 在 https://bbs.eeworld.com.cn/th
fskjhm
微控制器 MCU
- Quartus10之前自带的波形仿真的输入激励可以是testbench吗?
- Quartus自带的波形仿真可以支持testbench做输入激励吗? 看了下波形仿真的输入文件选择,文件后缀里面没有*.v这个一个。 Quartus10之前自带的波形仿真的输入激励可以是testbench吗? 没有这样用过,一般输入激励都是用波形文件. 我印象里Q2的波形仿真没
wstt
FPGA/CPLD
- 关于DS18B20的问题
- 我用的是TX-1C实验板,自己写的程序为什么读取温度时是一个不正确的数,而且不会随外界温度改变???? 关于DS18B20的问题 我看了你的程序,发现里面没有DS18B20应答判断;而且在启动温度转换12位精度最大需要750ms。以上观点属个人看法,不带政治特性,呵呵。说得不
sphshine
单片机
- 电路设计中基本问题求助
- 1电路原理图中电阻的注释为:0603-10K/J什么意思啊,我知道0603是封装。。。10K/J什么意思啊? 2 看电路原理图时,怎么知道电容是陶瓷电容还是钽电容呢? 电路设计中基本问题求助
liuxiaopei
微控制器 MCU
- 按键消抖 代码 为什么没有输出呢
- module sw_debounce(clk,res_n,sw1_n,sw2_n,sw3_n,led1_n,led2_n,led3_n); input clk,res_n; input sw1_n,sw2_n,sw3_n; output led1_n,le
leomeng
FPGA/CPLD
- 2602新型测试仪器如何缩短测试时间?
- 北京汉盾四邦科技有限公司 助理工程师招聘
- 精密多圈电位器
- 怎样将50M系统时钟输出到IO口上??
- TI LM3S8962开发板的PDF介绍文档
- 请教:关于MSP430中断嵌套问题
- 用汇编语言编程
- STM32使用以太网功能
- labview嵌入式移植
- 12864 液晶 按键输入数值
- 易电源试用贴01
- 求教!如何设计一阶或者二阶全通滤波器?
- 焊贴片用什么烙铁头比较好?
- Proteus 7.7汉化 破解版 免费下载
- msp430G2553 串口调试 波特率问题
- 明天就比赛了,大家准备的怎么样了···
- 我是新手问一下怎么往launchpad里下载程序
- 监测客车所载人数用什么传感器比较好?
- dm6467 程序开机启动问题
- Vishay发布业内首款在单片器件内集成了信号探测和处理功能的学习型遥控码IC
- 使用 NXP Semiconductors 的 MPC5604PEFML 的参考设计
- AM2G-4818SH30Z 18V 2 瓦 DC-DC 转换器的典型应用,用于开/关控制应用
- LIS2DH12 3轴加速度计适配器板,标准DIL 24插座,兼容STEVAL-MKI109V2
- 使用 ON Semiconductor 的 CS51024A 的参考设计
- 使用 Analog Devices 的 LTC3130EMSE-1 的参考设计
- 使用 Infineon Technologies AG 的 IRU1205 的参考设计
- AD8337-EVALZ,双电源同相评估套件,为 AD8337 VGA 的测试和评估提供平台
- LTC3207-1 演示板,600mA 通用多输出 LED/CAM 驱动器
- NCV78XXXBSTR1GEVB:NCV78xxx LED 虚拟助推器
- 适用于正负输入电压的高精度、低成本、单电源 ADC
- 【线上】就在明天!JasperGold Superlint和CDC App帮助设计者达成RTL Signoff等您参加!
- 拼多多回应双11未披露数据;天猫双11成交额2684亿;华为向员工发放20亿元奖金| 雷锋早报
- Cadence 推出面向硅设计的全新 Neo NPU IP 和 NeuroWeave SDK,加速设备端和边缘 AI 性能及效率
- 贸泽翻牌挑战赛|一键配齐的乐趣,它不香吗?
- 2021科技圈十大事件:CEO接连卸任、企业扎堆造车……
- IOTE 2023深圳·AIOT视觉物联产业生态大会顺利举行!
- 阅锦鲤| 谁是阅码场第70000个粉丝?
- 芯报丨博世将以15亿美元收购TSI半导体以促进芯片在美国生产
- 揭秘 | 转账的 0.1 秒,支付宝对你做了什么?
- 独家|理想汽车组织动刀:OKR升级为PBC,绩效考核周期延长至半年







京公网安备
11010802033920号