在典型的闭环电力电子系统中,栅极驱动器是控制系统(通常为 12V 等低压)和主功率级(通常为 400V DC等高压)之间的关键接口。栅极驱动器的目的是以干净、稳健和及时的方式将输入低压控制脉冲信号转换到功率晶体管(MOSFET、IGBT)。
在本文中,我将介绍两种驱动高压晶体管的方法:栅极驱动变压器和高压驱动 IC,并说明每种方法的优缺点。
定义栅极驱动器性能的关键规格是:
· 静态特性:功能电压(V CC/DD,自举函数)、峰值源/灌电流和 UVLO。
· 动态特性:传播延迟、延迟匹配、脉宽失真、共模瞬态抗扰度 (dv/dt) 和上升/下降时间。
我们还需要考虑安全标准和合规性——保护操作人员免受高于 42.4V pk AC 或 60V DC的危险电压/电流的影响。例如,在手机充电器中,低压直流输出与通用交流输入(85~265V AC)绝缘,在这种情况下,需要双重或加强绝缘,以消除对接地金属外壳和接地电源插头的需求。表 1 显示了 II 类过电压高达 300V 的主电路中固体绝缘的测试电压要求(IEC 61010-1 ed. 3.0)。
表 1:过电压类别 II 主电路中固体绝缘的试验电压
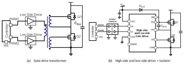
图 1 是一个简化的电路图,控制器位于次级侧(次级侧控制)。主功率级绝缘基于传统的电源变压器。我们可以使用两种主要类型的栅极驱动器来传输栅极驱动信号,并在次级侧和初级侧栅极驱动器中的反馈控制之间进行绝缘:
· 通过磁耦合实现绝缘的栅极驱动变压器(见图 2[a])。
· 具有信号隔离器接口的高侧和低侧栅极驱动器(参见图 2[b])。信号隔离器接口可以是光耦合器(光耦合)或数字隔离器(磁耦合或电容耦合)。
图 1:具有次级侧控制的简化电路图
栅极驱动变压器可以提供逻辑栅极驱动信号和所需的栅极驱动器所需的峰值电流/功率能力。
高侧和低侧栅极驱动器使用信号隔离器接口来提供所需的绝缘,并使用栅极驱动器 IC 来提供足够的栅极驱动功率/电流能力。
图 2:简化电路图 (a) 栅极驱动变压器 (b) 高端和低端驱动器 + 隔离器
表 2 列出了每个实施所需的关键组件。栅极驱动变压器使用UCC27324作为具有两通道 I pk =±4A 能力的低侧驱动器来驱动来自 Coilcraft 的栅极驱动变压器和具有增强绝缘的 GA3550。高侧和低侧栅极驱动器加隔离器使用ISO7520C双通道数字隔离器提供增强型隔离,UCC27714作为高侧和低侧栅极驱动器,Vishay MURS360 作为自举二极管。

UCC2732x 和 UCC3732x 系列高速双 MOSFET 驱动器提供 4A 拉电流和 4A 灌峰值电流,可有效驱动米勒高原地区最需要的 MOSFET。独特的 BiPolar 和 MOSFET 混合输出级并联还允许在低电源电压下进行有效的电流源和吸收。提供三种标准逻辑选项——双反相、双同相驱动器以及单反相和单同相驱动器。输入阈值基于 TTL 和 CMOS,独立于电源电压,具有宽输入迟滞,可提供出色的抗噪能力。UCC2732x 和 UCC3732x 系列采用标准 SOIC-8 (D) 或 PDIP-8 (P) 封装以及耐热增强型 -8 引脚 PowerPAD MSOP 封装 (DGN),可大幅降低热阻以提高长期可靠性。
UCC27714 是一款 600V 高侧/低侧栅极驱动器,具有 4A 拉/灌电流能力,专用于驱动功率金属氧化物半导体场效应晶体管 (MOSFET) 或绝缘栅双极晶体管 (IGBT)。 该器件包含一个接地基准通道 (LO) 和一个悬空通道 (HO),后者专用于自举电源操作。 该器件具有出色的稳定性和抗扰度,能够在 HS 引脚上的负电压高达 –8VDC 的条件下(VDD = 12V 时)维持逻辑正常运行。
看一下表 2 中所需的总 PCB 最小面积:Type II(高侧和低侧驱动器加上隔离器)仅占用 215mm 2 ,将比 Type I 节省超过 50% 的 PCB 空间。而且体积考虑到增强绝缘栅极驱动变压器的笨拙高度,节省的费用将更为显着。
此外,此计算仅计算主要组件。在考虑信号调理电路时,Type II 比 Type I 的节省会增加。
这里还没有内容,您有什么问题吗?
电子电路资源推荐
- 变压器设计原理 尹克宁编著

来源:下载中心
- 汽车协议LIN总线最新中文版 128页 23.0M

来源:下载中心
- FPGA内部结构简介(英特尔官方教程)

来源:大学堂
- LCR串联谐振电路

来源:大学堂
- 电工基础:电路的组成

来源:电路图
- 基尔霍夫定律:支路、节点、回路和网孔

来源:电路图
推荐帖子 最新更新时间:2026-03-24 06:05
- 【低功耗】低功耗FPGA电子系统优化方法
- 【低功耗】低功耗FPGA电子系统优化方法 谢谢,收下资料! 谢谢斑竹啊 回复 沙发 eeleader 的帖子
常见泽1
FPGA/CPLD
- 求教
- 请问对于初学者来说,适合买那个系列的pic开发板呢? 谢谢了先 求教
小兵张晨
Microchip MCU
- 如何操作U1和U2口
- LM3S9B90有3个串口。按照Stalleris给出的例程操作U0口毫无问题。但按同样的流程操作U1和U2串口就不行,根本不通。因为U0口默认是使用PA0和PA1脚,且只能使用这两个脚。但U1和U2就不同了,可以使用多个管脚。但如何把某个管脚明确地分配给某个串口,我没找到具体的
dlyltm
微控制器 MCU
- 如何比较程序运行时间
- Vxworks通过配置组件得到不同的操作系统环境,如何比较不同环境下运行的程序的运行时间?比如有内存保护和没有内存保护的情况下如何比较程序运行的开销?我用的是wind river 集成开发环境,vxworks版本6.6 如何比较程序运行时间 一个开始时间,一个结束时间不就行了。。
fengtheleaves
嵌入式系统
- 看到论坛卖9B96,很想要一个,说说学习计划吧
- 虽然M4也快出了了,但是好像不集成网络吧,9B96好像集成哦, 所以非常想学一学。 关于M3的认识很肤浅,但是大家都有一个初学的过程,希望论坛提供一个机会,俺卖个9B96去学学 学习目标: 主要是看看能不能使用到其网络和USB功能。 对于他的网络应用非常感兴趣。
wanqing
微控制器 MCU
- Fpga/Cpld的基本概念
- 推荐几种最基本的电路。模拟的 大家一起学习。。 Fpga/Cpld的基本概念
mybayzy
FPGA/CPLD
- 串口波特率问题
- 关于M3晶体的选择
- Altera也要出带ARM核的SoC FPGA了
- fpga dds生成信号过DAC的问题
- 触摸板收到了,但是里边的MSP430G2452的引脚断了一根。
- MPEG一4视频压缩编码算法研究(免费提供)!
- 9B92+SSD1963控制器8根数据线点24位RGBTFT
- LPC2131
- 我想用12位AD来同时采集p6.0和p6.1的电压但是A0抖动的厉害A1却一点都没有变化不知原因
- 基于msp430f149内部比较器程序详解
- 发布我们做的STM32F417/407开发板的原理图
- 是否有正极性的升降压电源电路
- 给大家分享一个正弦波建表的软件
- TI题下来了~~~~~~
- 据说明天开始比赛的题都一样
- 谁有做过简易电压表的
- 请高手帮忙
- 脉搏采集器:压电式传感器、蓝牙4.0、锂电池充电
- DIY 设计交流 LED 节能延时灯
- 很神奇的现象,大家来看下
- DN05045/D,基于用于 CCR 照明电路的 NSIC2030B 1-10 V PWM 调光
- AC320202,基于 MA320206 ATSAMC21 32 位 ARM Cortex-M0+ 电机控制 PIM 的 MCHV 隔离式 EDBG 嵌入式调试器卡接口
- NCP154MXTAGEVB:线性稳压器、300 mA、双输出、低 IQ、低压差评估板
- 使用 LTC2389CUK-18、18 位、2.5Msps SAR ADC 的典型应用
- FC-135,LPCxxxx 微控制器的 32.768kHz 晶体单元的振荡电路和选型指南
- 使用 California Eastern Laboratories 的 THC63LVDM83D 的参考设计
- NCV33163 2.5 A、升压/降压/反相开关稳压器的典型应用电路
- OP484ESZ 仅 5V、12 位 DAC 摆幅轨到轨运算放大器的典型应用
- 使用 Microchip Technology 的 TCL1117 的参考设计
- EVAL-RS485HDEBZ,用于 ADM3493 半双工 RS-485 收发器的评估板,采用 8 引脚 SOIC 封装







京公网安备
11010802033920号