
MOSFET 放大器
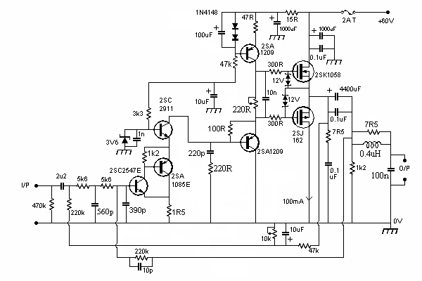
该放大器是从之前的6晶体管MOSFET放大器演变而来。那个设计已经非常好,似乎没有理由寻求改进,但在20kHz的高开环失真和提取出的三角‘误差电压’表明,非线性MOSFET电容应对几乎所有失真负责,尽管闭环失真保持在0.01%以下,这可以通过从较低阻抗驱动MOSFET来进一步降低,只需添加一个射极跟随器。
这里还没有内容,您有什么问题吗?
电子电路资源推荐
- 模拟电路的计算机分析与设计——Pspice程序应用

来源:下载中心
- BOSCH汽车电气与电子 [(德)莱夫 主编] 2014年版

来源:下载中心
- 数字电子技术基础

来源:大学堂
- 示波器的使用方法教学

来源:大学堂
- 单片机运行原理的一点点总结

来源:电路图
- 基尔霍夫定律:支路、节点、回路和网孔

来源:电路图
推荐帖子 最新更新时间:2026-03-24 16:08
- 找到一个关于团购的LM3S9B96的开发板的介绍视频
- EEworld太给力啊!在上一次组织了盛大的25元lunchpad的元购活动之后,又有了新的更加给力的团购活动, EE团--TI 原装DK-LM3S9B96开发板 348元(包邮)!!! 地址连接 https://home.eeworld.com.cn/my/link.p
小小白
微控制器 MCU
- 来看看这个串口通信程序
- 波特率9600 无效验位 停止位1位 数据8位 功能:串口通信发送:每次4个字节,格式如:55A1D1XX 8位LED根据XX的值来显示(比如计算机发送55A1D155,接受后LED偶数位亮) 单片机接受成功后并返回OK到计算机 #in
PINK123
51单片机
- 为何iPhone 4S采用蓝牙4.0而非NFC
- 之前有国外科技媒体声称,如果苹果的 iPhone 不支持 NFC ,那么 NFC 出头之日或会延迟。事实也正是如此,在美国 Apple 公司 10 月 14 日推出的 iPhone 4S 中采用的是蓝牙 4.0 ,而非 NFC 。 蓝牙 4.0 标准的推出时间为 2010
michael200800
无线连接
- 【低功耗】FPGA设计的低功耗问题
- 基于FPGA的 系统 设计 有4个主要的 功耗 组成部分: 浪涌功耗 配置功耗 编程后静态功耗 动态功耗 随着FPGA的密度越来越高,设计者们正在节能降耗方面取得越来越多的进展。出现降低功耗这一趋势的另一个原因是FPGA正在越来越广泛地 应用 于智能手机、媒体播放器、游戏机、
ddllxxrr
FPGA/CPLD
- 请教关于I2C的延时应该怎么计算?
- 各位用过I2C模拟通信的前辈,我刚学这个,有一些地方不明白,还望大虾指点: 用的是带有I2C接口的tea5990收音机芯片,它支持100KHZ和400KHZ, 在电路板上是使用主控(其主频是184MHZ)的IO口产生的模拟I2C与它连接, 我自己写的软件模拟I2C,数据通过I2C
saioooooo
嵌入式系统
- 惊喜+感谢,今天收到了EEWORLD补寄的触摸子板单片机MSP430G2452
- 国庆假期上班后收到了团购的Launchpad触摸子板,打开包装后发现由于快递原因附送的单片机断掉了两条腿无法使用,于是和EEWORLD联系了下,结果今天上午就收到了他们特意寄来的1块完好芯片,这下我的触摸子板实验就可以做了,哈 这里再次感谢EEWORLD工作人员为网友们的真诚服务
zhoupxa
微控制器 MCU
- exti9_5_irqhandler 谁能帮详细解释下
- vxworks下怎样修改网卡驱动程序fei82557end.c是网卡工作在混杂模式?
- 基于LabVIEW图形界面的TI LM3S8962的开发--开箱照片
- 一步一步完善LC测量小工具(即日起,持续更新)
- 恩智浦宣布推出针对非调光LED灯泡的GreenChip解决方案
- 新人来学习
- 谁帮忙把这个汇编语言改写成C语言的
- 转载不错的入门protel教程
- 关于STM32的FLASH操作
- 电压变化检测分析
- 2012 电子设计大赛 B题 频率补偿电路 交流群!
- F149比较器全攻1
- 定时器中断问题
- 烧程序求助
- 【TI 8 月份研讨会】Sitara-AM335x 南方6个城市,Motor Driver--北京
- 浴室代码(增加ZIGBEE串口通信模块)
- 用51做的4004语音,碰到小问题,前辈请进
- 哪位前辈用MSP430做过绝对式光电编码器的测试?
- stm32大家真正产品用什么操作系统呢?
- FreeRTOS demo for LM3Sxxxx 合集
- LT6656AIS6-3、3V 电压基准作为微功率稳压器的典型应用
- ADP2165 5.5V、5A/6A、高效降压直流至直流稳压器的典型应用,具有输出跟踪功能
- 带有外部 NPN 开关的 SC33063A 升压开关转换器的典型应用
- DC187A-A,基于 LT1374、4.5A、500kHz 降压型开关稳压器的演示板
- AM2F-2418SZ 18V 2 瓦 DC-DC 转换器的典型应用
- MIKROE-3487,用于 Kinetis MK64FX512VDC12 的 MCU 卡
- LT6657AHMS8-5 来自外部电路的灌电流的典型应用电路
- MC34PF3000A1EP PMIC 解决方案电源管理的典型应用
- Si7013USB-DONGLE,用于 Si7007、Si7022 和 Si7023 温度和湿度传感器的评估套件
- LTC2656BCFE-L16 八路、16 位数模转换器的典型应用







京公网安备
11010802033920号