0 引言
三相异步电机启动方式由其功率决定,一般规定,电动机功率在10KW以下,可直接启动(即电机全压启动,直接开启开关,将三相接入电源)。10KW以上,要根据电动机容量和电源变压器容量比值来确定,对于给定电动机功率,一般功率不大于变压器容量的20%--30%则可以直接启动,否则需降压启动以防止过大的起动电流会在线路上产生较大的压降,使电网电压波动很大,影响并联在电网上的其它设备的正常运行。
针对小功率三相异步电机的启停,当前国内外还较多地采用继电器、接触器等控制电器来实现自动控制。由于继电接触器控制系统是通过触点的机械运动来通断主、控回路,然而触点因为电、机械和化学的原因易于磨损,并且在高冲击、振荡的工作环境下,触点容易发生误动作。若主回路有感性负载,则易于产生触点燃弧及回跳,对外界的电磁干扰较大,并且控制系统中间环节多,必须确保每部分工作准确,系统才能正确工作,所以它存在不少缺陷,必须改进。本文介绍以三相交流固态继电器作为单片机和三相电机接口器件,使用PC上位机软件直接启动或停止三相异步电机,减少中间环节,确保控制系统稳定工作,同时可视化的电机控制系统应用前景广阔。
1 系统设计思想
1.1 系统概述:
该系统是一种基于PC机与AT89S51单片机串口通信的三相异步电机启停系统,PC机以VC6.0为开发环境,实现了上位机软件的编制。上位机软件通过串口通信发送控制命令给单片机AT89S51,AT89S51以交流固态继电器为接口器件,通过控制交流固态继电器输入端电平的高低来控制三相异步电机的三相是否接入电源,从而启动或停止电机。
1.2 系统硬件设计
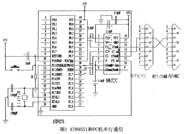
1.2.1 单片机与PC机串口通信电路
AT89S51是一个低功耗,高性能CMOS 8位单片机,片内含4k Bytes可反复擦写1000次的Flash只读程序存储器,器件采用ATMEL公司的高密度、非易失性存储技术制造,兼容标准MCS-51指令系统及80C51引脚结构,芯片内集成了通用8位中央处理器和ISP Flash存储单元。芯片可以在系统编程,大大缩短单片机应用系统的开发周期,此外,AT89S51设计和配置了振荡频率可为0Hz并可通过软件设置省电模式。空闲模式下,CPU暂停工作,而RAM定时计数器,串行口,外中断系统可继续工作,掉电模式冻结振荡器而保存RAM的数据,停止芯片其它功能直至外中断激活或硬件复位。功能强大的AT89S51可为许多嵌入式控制应用系统和工业控制系统提供高性价比的解决方案。
鉴于以上优点,并结合设计目标,特选用此款单片机。AT89S51单片机与PC机串口通信使用RS-232C串行通信标准接口,RS-232C总线接口芯片有很多,本系统使用MAXIM公司的MAX232芯片完成TTL和EIA之间的双向电平的转换,从而使PC机可以与AT89S51单片机通信。AT89S51单片机和PC机的串行通信连接电路如图1所示:该工作电路对电源噪声比较敏感,在电路设计中,要注意提高器件的抗干扰能力。应使用0.1uF或则1.OuF电容连接+5V电源去耦,选择1.0uF/16V钽电容作外接极性电容C1、C2、C3、C4,且让电容尽可能靠近芯片。
1.2.2 AT89S51和三相异步电机的接口器件:
当前国内外使用的电机控制系统电路如图2所示,这种控制系统称为继电接触器控制系统,它是一种有触点的断续控制,因为其中控制电器是断续动作的。


本系统采用三相交流固态继电器作作为AT89S51和三相异步电机的接口器件。
SSR(Solid state Relay)固态继电器是用分离的电子元器件、集成电路(或芯片)及混合微电路技术结合发展起来的一种具有继电特性的无触点式电子开关。具有寿命长、可靠性高、开关速度快、电磁干扰小、无噪声、无火花等特点。固态继电器按输出负载电源分,有交流固态继电器和直流固态继电器。交流固态继电器按开关方式分有电压过零导通型和随机导通型。过零导通型SSR是当负载电源电压过零区时才能导通,负载电流过零时才关断,这是为了避免使负载受到峰值电压的冲击和干扰;随机导通型SSR是只要输入端加入信号,便导通。本系统使用过零导通型SSR。
过零导通型SSR原理图和应用简图如图3所示:应用简图中1、2为控制端,加上一定大小的直流电压,输出端3、4便导通,负载便接入电源工作;当控制端电压低于一定大小时,输出端3、4立刻断开,负载停止工作。其小信号控制端和主回路在电气上是隔离绝缘的,所需控制功率极小,开关速度很快。

图3所示的交流固态继电器称为单相交流固态继电器,三相交流固态继电器是集三只单相交流固态继电器为一体,并以单一输入端对三相负载进行直接开关切换的固态继电器,它可方便地控制三相交流电机、加热器等三相负载。
本系统受控的三相异步电机功率为3KW,额定电流为* A,故选择山东淄博其特电子公司生产的型号为3SSR30的三相固态继电器。该产品过零触发,无火花,介质耐压2500V AC,每相输出交流电流有效值为30A(电机直接启动瞬间电流为额定电流几倍),每相相电压有效值为450V,工作频率为50HZ,控制端信号必须满足电压达到4-24V DC,电流达到50mA输出端才导通。则本系统AT89S51控制电机电路图如4所示:图4中线性光耦器件OPTOISO1工作在饱和和截止状态,其性能指标CTR范围为50%-200%。晶体管9013工作在放大区,为3SSR30的导通提供足够大的输入电流。由于电机是感性负载,所以在输出回路中必须附加过流、过压抑制元件RY820V压敏电阻,用于保护SSR,它的选用原则是220V选用500V-600V压敏电阻,380V时可选用800V-900V压敏电阻。

1.3 系统软件设计
1.3.1 PC机上位机软件设计
目前国内外大多通过使用单片机按键或则开关按钮来输入控制命令,而本系统却是在PC机上用VC6.0开发环境,使用微软公司提供的Windows操作系统串口编程Activex控件MSComm对PC的串行接口进行编程,编制出电机控制系统可视化软件,通过软件输入控制命令。PC机上位机软件界面如图5所示:

重要函数介绍:函数OnInitDialog()负责PC机串口的初始化和打开,函数OnMotoron(),OnMotoroff()是电机启动,电机停止按钮代码。函数OnComm()负责串口事件捕获和处理程。
1.3.2 PC机和AT89S51单片机串口通信软件设计
PC机和AT89S51单片机串口通信程序按它们之间的通信协议编写,协议如下:
PC:点击软件按钮,则将对应按钮值发给单片机,等待单片机回复。若单片机发来的数据与按钮值相同,PC向单片机发送0x00,指示其完成按钮值对应的任务;否则,PC向单片机发送0xff,指示单片机不进行任何操作,PC重新发送此按钮值。单片机:等待PC发来数据,接收后马上将其回发给PC,等待PC指示。若PC发来0x00,单片机完成先前接收的数据所对应的任务:若PC发来0xff,单片机不进行任何操作,等待PC重新发送数据。
2 结论
由于本系统使用组件模块化的三相交流固态继电器直接控制三相电机,因此使历来困难复杂的三相异步电机启停问题变得简单且实用,实践证明本系统性能稳定可靠。整个系统结构简单,实用性强,应用前景广阔。本文作者创新点:1.使用软件平台控制电机启停,对电机控制系统的可视化开发有参考意义。2.使用三相交流固态继电器直接控制电机启停,简化电机控制系统。
上一篇:电源反接制动的原理
下一篇:PWM技术的电动跑步机电源设计分析
- 热门资源推荐
- 热门放大器推荐
- 边缘计算主机盒选购指南:五大核心指标解析
- Arm AGI CPU 更多细节:台积电 3nm 制程、Neoverse V3 微架构
- Arm AGI CPU 重磅发布:构筑代理式 AI 云时代的芯片基石
- Arm 拓展其计算平台矩阵,首次跨足芯片产品
- 阿里达摩院发布RISC-V CPU玄铁C950,首次原生支持千亿参数大模型
- 边缘 AI 加速的 Arm® Cortex® ‑M0+ MCU 如何为电子产品注入更强智能
- 阿里达摩院发布玄铁C950,打破全球RISC-V CPU性能纪录
- VPU中的“六边形战士”:安谋科技Arm China发布“玲珑”V560/V760 VPU IP
- 利用锚定可信平台模块(TPM)的FPGA构建人形机器人安全
- ADR435B 5 Vout 超低噪声 XFET 电压基准的典型应用,具有灌电流和拉电流能力
- 使用 Analog Devices 的 ADP8140 的参考设计
- NCP699SN30T1G 150mA、3 路输出电压 CMOS 低 Iq LDO 的典型应用,在 TSOP-5 中启用
- ZTL431过压/欠压保护电路典型应用
- 使用 Microchip Technology 的 DVR2802B3 的参考设计
- 开源的浮游生物监测分析设备PlanktoScope
- STK503,旨在评估 AT90USB AVR MCU 的入门套件,通过 AVR Studio 支持 JTAGICE mkII 和 AVRISP mkII
- 使用 BittWare 的 XCVU190 的参考设计
- 远程声控参考设计
- NCP4354AADAPGEVB,用于 NCP4354、65W 适配器关闭模式控制器的评估板

现代雷达系统的信号设计
LTC6102HVHMS8

BFR340T






京公网安备 11010802033920号