自从1898年汽车首次采用电气照明以来,市场对于汽车电气特性和功能的需求日益增长。随着12V系统的局限性逐渐凸显,汽车行业正逐步转向48V系统。这一转变不仅是为了提供更大的电力容量,缩小电线和连接器的尺寸,也是为了支持更多先进的电气功能,并有效降低能耗。
在当前的轻度混合动力汽车(MHEV)中,通常会配备两块电池:一块48V电池和一块传统12V电池。其中,48V-12V DC-DC转换器起到了关键作用,它将这两块电池连接起来,确保电力系统的高效运行。48V电池主要用于支持车辆的高性能需求和节能特性,而12V电池则继续负责为诸如信息娱乐系统、发动机控制系统和安全模块等较低功率的设备供电。这种设计既保证了系统的兼容性,又促进了新技术的应用和发展。
本文为“48V-12V DC-DC 转换器”系统解决方案指南的第二部分,将重点介绍解决方案。
解决方案概览
基于非隔离降压 - 升压拓扑结构的 DC-DC 双向转换器

功率级
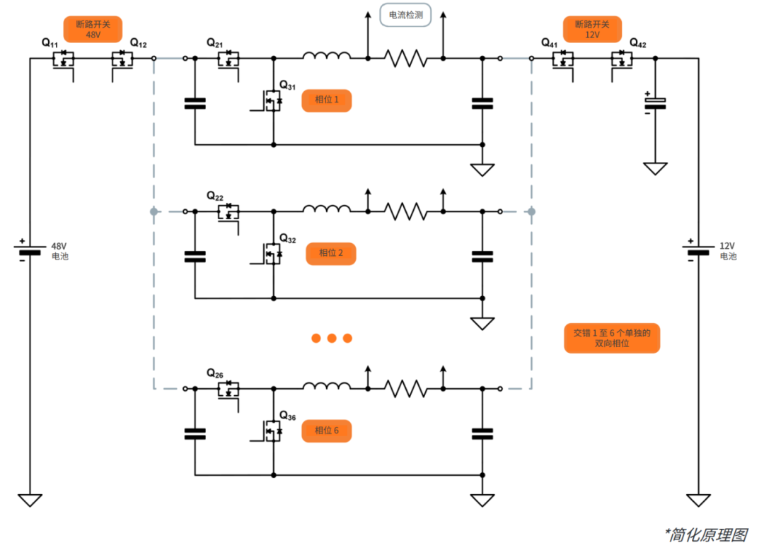
在此应用中,普遍采用的功率级拓扑结构是非隔离同步降压转换器。同步开关也便于双向电流流动, 从而实现升压模式运行。从48V侧来看,该配置可用作同步降压转换器;而从12V侧来看,其功能则转变为同步升压转换器。
在12V-48V车载系统中,电池连接到DC-DC转换器输出端,这有助于降低输出电压纹波。为了进一步减小升压模式下的输出电压纹波,在48V侧设置了一个L-C滤波器。另一种降低输出电压纹波的方法是将功率分散到更多交错相位上。需要注意的是,对于降压模式和升压模式,L-C滤波器都可能影响转换器的稳定性。此外,还需要考虑到电感器的饱和电流必须超过平均直流电流,而电容器在设计中也需满足相应的纹波电流要求。
双向功能对输入和输出电容器的选择有着重要影响。为了实现双向工作, 功率级内部的电容器会动态地转换功能。选择输出电容容量需要在减少输出电压纹波、过冲和系统成本之间进行权衡。过多的输出电容量也会反过来影响瞬态响应时间。
功率级:交错非隔离双向降压-升压拓扑结构

多相转换器
考虑采用多达 6 个交错(并联) 功率级(相位) 的多相 DC-DC 双向转换器。多相转换器是大功率应用的合理选择, 与单相转换器相比, 多相转换器具有输出纹波更低、 可使用更小的电容器、 瞬态响应更快等优点。其他优势还包括电感器尺寸更小, PCB 上的功率耗散得到改善。
功率级内部的MOSFET必须能承受高电流, 并对整个系统的效率产生显著影响。导通损耗和开关损耗共同构成了晶体管上的功率耗散。需要考虑的主要参数包括导通电阻RDS(ON)、 栅极电荷以及寄生元件等, 它们能在导通损耗和开关损耗之间取得平衡。
安森美用于低压和中压 MOSFET 的新型 T10 技术是理想的选择, 该技术采用屏蔽栅极沟道设计, 具有超低 QG 和RDS(ON) < 1m 的特性。
T10技术通过其行业领先的软恢复体二极管(Qrr, Trr) 减少了振铃、 过冲和噪声, 实现了性能与恢复特性之间的完美平衡。
48V 系统中的元器件冗余
48V 电力网络的元件冗余对于确保电力系统的可靠性和弹性至关重要。在单个元件发生故障时, 冗余元件可作为备份,防止整个系统中断。这对于控制制动、 转向和安全气囊等关键安全系统尤为重要。车载环境带来了各种挑战, 包括振动、 温度波动、 潜在的元件故障和短路风险。
冗余有助于提高车辆电气结构的整体稳健性, 确保在部件故障、 意外损坏的情况下实现连续和不间断的功能, 并降低与电气短路相关的风险。
转向 48V 架构能够加速采用 ADAS 和更高级别的自动驾驶功能, 例如线控转向和线控制动, 在这些功能中, 对冗余、容错和可靠性的要求至关重要。与 12V 系统相比, 48V 系统对这些高峰值负载设备的冗余驱动变得更轻便、 更具成本效益。
带有冗余开关的48V 冗余电力总线可防止故障从一条电力总线传播到另一条总线。这可确保在系统的某个部分发生故障时, 关键功能可无缝转移到未受影响的通路上。
表 1 展示了安森美的一些器件, 这些器件可通过构建冗余网络提高 48V 电气架构的稳健性和可靠性。本《系统解决方案指南》 的后续章节将介绍各个建议器件。
表 1:在 48V 系统中建立冗余的器件建议

电子保险丝(eFuse) NIV3071 可保护多达 4 个独立的 48V 下游负载免受输出短路、 过载和过流事件的影响。电源可安全地驱动 4 个受保护的独立负载, 每个负载的连续电流为 2.5A。此外, eFuse可配置成单通道模式, 用于驱动高达10A的单一连续负载电流。
用于 48V 和 MHEV 应用的集成式汽车电源模块(APM)
安森美提供了多种封装形式的汽车MOSFET模块系列, 专为 48V 系统、 MHEV 和低压牵引系统中的电源应用而设计。
APM21 模块的发布进一步丰富了安森美适用于汽车应用的高性能、 高可靠性压铸模(transfer-molded) 模块产品线。
APM系列提升了高度集成的紧凑型设计, 具有低杂散电感和更好的抗电磁干扰(EMI) 表现。高效的电流处理消除了PCB 中大电流通路的必要性。
NXV10V160ST1 APM21 集成了 6 个 100V MOSFET(3x 半桥) , 可处理如 48 V 逆变器、 电子压缩机和其他大功率辅助设备等3相典型应用。
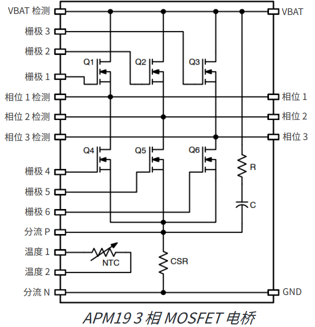
APM19 模块:FTC03V85A1 是一款 80 V 低 RDS(ON)模块, 具有一个经过优化的 3 相 MOSFET 电桥, 可用于构建 1.5kW 48V-12V 交错式DC-DC转换器。两个模块可组成一个 6 相 3kW 转换器。
NXV08V110DB1 是一款 80 V 低 RDS(ON)APM19 模块,经过优化可用作变速电机驱动的三相逆变桥。
APM19 模块包括一个用于电流检测的精密分流电阻、一个用于温度检测的 NTC 和一个 RC 缓冲器电路。




用于 48V 和 MHEV 应用的集成式汽车电源模块(APM)
APM12 是一款成熟可靠的 80V 单相逆变器模块(NXV08A170DB2) , 具有电流检测、 温度检测及缓冲电路功能。通过将n个APM12模块堆叠使用, 可以转换成n相电机逆变器。
APM17 模块配置为双半桥(两相模块) , 可方便地通过外部连接构成单半桥, 以适用于两倍相电流。
AMP17 示例:NXV08H250DT1、 NXV08H400EXT1。可将三个 APM17 模块配置在一起, 以驱动三相电机或六相电机( 48V 主逆变器) 。
✦杂散电感低:APM17 可使 25kW 48V 逆变器系统的总杂散电感小于 15nH。
✦结阱热阻最低。
✦设计紧凑, 模块总电阻低。
高效的大电流处理, PCB上无需大电流通路。
对于 20~25kW, 可将 24~36 个 MOSFET 减少到3 个 APM。
✦该系列提供绝缘陶瓷 DBC 基板选项, 以提供标准和优质的热性能。
✦多种 RDS(ON)额定值可满足最终用户的电流要求, 且有多种引脚输出选项可供不同系统设计选用。
封装种类:标准、 压接式、 PCB侧安装引脚。


APM17 - 用作电池和负载开关的背对背 MOSFET 模块
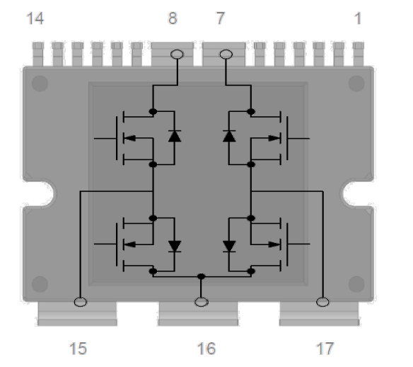
NXV08B800DT1 是汽车用双通道背对背 MOSFET 功率模块,80V, 0.58mΩ, 采用共源极连接。可在 48V MHEV 应用中作为电池或负载开关出色地工作(如下图所示) 。
电气隔离 DBC 基板, 实现低 Rthjc, 集成温度检测功能。
低结阱热阻。
优化的杂散电感与高度集成的紧凑设计。
适用于双向系统, 输入路径隔离。


DC-DC 转换器内的断路开关
DC-DC 转换器的每一侧都应具备通过断路开关(断路器) 与相应的电源轨断开连接的能力。最佳解决方案是采用双背靠背 N-MOSFET 配置, 尽管 48V 侧只需要单个 MOSFET。
安森美 MOSFET 具有较低的 RDS(ON), 额定电压范围为 40V 至 100V, 满足上述要求, 可将功率路径上的导通损耗降至最低。断路开关还应为转换器提供过压和过流保护。48V/12V 断路开关的受保护侧可作为电压检测电路的参考点。
12V 电池侧
用户通常可以直接接触到车辆中的 12V 电池, 这就对系统提出了严格的要求, 需要在用户误接电池正负极时提供反向极性保护。因此, 在断路开关中采用背对背 MOSFET 配置, 是为了在电池极性接反的情况下保护转换器不受损害。当系统关闭时, DC-DC 转换器必须从两个电源轨上断开连接, 以防止在非工作时段产生电流消耗。
MOSFET:低压和中压
安森美提供了广泛适用于 DC-DC 转换器、 电机控制及其它 48V 汽车应用的低压(LV) 和中压(MV) MOSFET 产品。
设计人员可以从提供不同特性的多种元器件技术中进行选择。80V 至 100V MOSFET 可用于转换器功率级、 48V 辅助设备和其他应用。而对于 12V 电源轨和传统的 12V 应用, 40V 低压 MOSFET 具有良好效能。
T10 屏蔽栅极沟槽技术
新型 T10 屏蔽栅极沟槽技术主要针对 DC-DC 转换应用(T10S 型号) 及电机控制、 负载开关(T10M 型号) 领域。该技术旨在优化效率, 降低输出电容及关键性能指标, 同时实现更低的导通电阻 RDS(ON)和栅极电荷 QG。其中, 出色的 40V沟 槽 技 术 产 品 NVMFWS0D4N04XM , RDS(ON)可 低 至 0.42mΩ , 采 用 小 巧 的 5x6 封 装 。而 对 于 80V 的 选 项NVBLS0D8N08X, RDS(ON)则可低至 0.79mΩ 。
顶部冷却封装(TCPAK)
MOSFET 因其功率大、 体积小而被广泛选用。然而, 传统表面贴装器件(SMD) 的散热效果并不理想, 因为热量主要通过PCB板传播。为了解决这一问题并进一步缩小器件尺寸, 我们开发了一种新型顶部冷却 (Top Cool) MOSFET 封装, 它将 MOSFET 的引线框架(漏极) 在封装的顶部外露。这一设计避开了通过 PCB 进行散热的方式。TCPAK57 是
5.1 x 7.5 mm的紧凑型封装。
NVMJST0D9N04C 40V 版本的最低 RDS(ON)为 1.07 mΩ。
NVMJST2D6N08H 80V 版本的最低 RDS(ON)为 2.8 mΩ。
Top Cool 技术使得 PCB 的两面均可利用,从而实现更高的功率密度。
降低 PCB 温度,延长系统使用寿命。
通过避开 PCB 的热传导路径,改善散热。
引脚封装(鸥翼形引脚)增强了板级可靠性。
铜夹(Cu clip)连接,最小化封装电阻。


T10 MOSFET 技术:中压 80V 和 低压 40V
新型 T10(S) 屏蔽栅极沟槽设计适用于 DC-DC 转换(开关应用),旨在优化效率、低输出电容和 FOM 系数。与传统的 T8 沟槽栅极技术相比, T10 实现了:
更低的 RDS(ON)和栅极电荷 QG, RDS(ON)< 1mΩ, QG <10 nC。
更低的 Rsp(RDS(ON)vs 面积)
改进了 FOM(Rdsx Qoss/QG/Qgd),提高了性能和整体效率。
业界领先的软恢复体二极管(Qrr、 Trr),减少了振铃、过冲和噪声。


用于 80V 、 100V MOSFET 和功率模块的栅极驱动器
FAD3151MXA和FAD3171MXA是 110V、 2.5A 单通道浮置汽车栅极驱动器, 适用于驱动高达 110 V 的高速功率MOSFET。这些驱动器采用 SOI 技术设计, 非常适合需要抗严重负瞬态和高达 -80 V 接地电压偏移等抗扰性的应用。
除DC-DC转换器外, 它们还可用于多种 48V 应用, 如电池开关、 辅助设备(暖通空调、 电子涡轮增压) 、 PTC 加热器、起动机-发电机。
特性:
具有软关断功能的漏极-源极去饱和检测
内置电荷泵,支持 100% 占空比操作(仅限 FAD3171MXA)
具备欠压锁定保护(UVLO)保护、双向故障指示引脚
可应对高达 -80V 的负瞬态电压,快速负载转换 dVs/dt 抗扰度超过 ± 50 V/ns
设计资源:
•应用笔记 AND90251/D:FAD3151MXA 和 FAD3171MXA 原理图、示例和电路分析
•教程:通用隔离和栅极驱动器概述

用于 DC-DC 转换的高压侧和低压侧驱动器
NCV51513和NCV51511是专为汽车应用设计的高压和低压侧栅极驱动器, 具有高驱动电流能力和多种配置选项, 特别针对 DC-DC 电源转换器和逆变器进行了优化。这些驱动器旨在驱动采用半桥或同步降压配置的 MOSFET。
NCV51513 在高频工作下具有同类极佳的传播延迟、 低静态电流和低开关电流。它有两个版本供选择, 分别对应不同的传播延迟时间。带滤波器版本的典型传播延迟为 50 ns, 而不带滤波器版本的典型传播延迟为 20 ns。它的 dV/dt 抗扰度高达 50 V/ns, 对于 1 nF 负载, 上升/下降时间分别为 9 ns 和 7 ns。
电子保险丝(eFuse) NIV3071NIV3071是 一 款 8V 至 60V 、 10A 电 子 保 险 丝(eFuse) , 采用 5x6mm 小型封装, 集成了 4 个独立通道(每个通道 2.5A) 。
可驱动 4 个独立的 2.5A 负载, 或将 eFuse 输出短接在一起, 48V内可承载独立 10A 连续负载电流。
保护 12V 和 48V 下游负载免受输出短路、 过载和过流事件的影响。
适用于汽车区域控制单元(区域控制架构) , 确保整个车辆各局部 ECU 得到保护并保持稳健。
保护 48V 汽车车身控制模块、 ADAS 域控制器、远程信息处理、 线束保护。
软启动、 可配置电流限制、 控制和状态监测引脚
评估板 NIV3071MTW4GEVB 支持原型设计和测试。

NCV12711 - 12V 辅助电源 - 峰值电流 PWM 控制器
NCV12711是一款固定频率、 峰值电流模式PWM控制器, 具有实施单端功率转换器拓扑结构(反激式、 正激式转换器)所需的必要性能。它具有 4-45V 宽输入范围, 可用作辅助电源的 DC-DC 控制器。
工作频率 100kHz 至 1MHz, 带斜率补偿(防止次谐波振荡, 改善 EMI) 。
1A 拉电流/灌电流栅极驱动器。无需辅助绕组。
输入电压支持欠压锁定(UVLO) 、 过功率保护、 可编程软启动。
评估板NCV12711FLOATGEVB:12V/1A 初级侧调节, 无需辅助绕组。
数字隔离器因其在温度和时间上的稳定性而广泛应用于汽车领域。NCIV9211、 NCIV9311、 NCIV9401 是具有 2/3/4 通道的高速双向陶瓷数字隔离器系列。它们采用安森美获得专利的片外电容隔离技术和优化的集成电路设计, 实现了高达 2kV 的绝缘和抗噪能力。片外陶瓷电容器既是隔离屏障, 也是使用开关键控(OOK) 技术进行信号切换的传输介质。
隔离的典型应用:PWM 控制、 MCU 接口、 可编程逻辑控制、 数据采集系统、 电压电平转换。
上一篇:节能攻略,AUTOSAR PN局部网络管理技术!
下一篇:康谋技术 | 高效环境感知:毫米波雷达数据采集、可视化及存储方案
- 热门资源推荐
- 热门放大器推荐
- 边缘计算主机盒选购指南:五大核心指标解析
- Arm AGI CPU 更多细节:台积电 3nm 制程、Neoverse V3 微架构
- Arm AGI CPU 重磅发布:构筑代理式 AI 云时代的芯片基石
- Arm 拓展其计算平台矩阵,首次跨足芯片产品
- 阿里达摩院发布RISC-V CPU玄铁C950,首次原生支持千亿参数大模型
- 边缘 AI 加速的 Arm® Cortex® ‑M0+ MCU 如何为电子产品注入更强智能
- 阿里达摩院发布玄铁C950,打破全球RISC-V CPU性能纪录
- VPU中的“六边形战士”:安谋科技Arm China发布“玲珑”V560/V760 VPU IP
- 利用锚定可信平台模块(TPM)的FPGA构建人形机器人安全
- ADR435B 5 Vout 超低噪声 XFET 电压基准的典型应用,具有灌电流和拉电流能力
- 使用 Analog Devices 的 ADP8140 的参考设计
- NCP699SN30T1G 150mA、3 路输出电压 CMOS 低 Iq LDO 的典型应用,在 TSOP-5 中启用
- ZTL431过压/欠压保护电路典型应用
- 使用 Microchip Technology 的 DVR2802B3 的参考设计
- 开源的浮游生物监测分析设备PlanktoScope
- STK503,旨在评估 AT90USB AVR MCU 的入门套件,通过 AVR Studio 支持 JTAGICE mkII 和 AVRISP mkII
- 使用 BittWare 的 XCVU190 的参考设计
- 远程声控参考设计
- NCP4354AADAPGEVB,用于 NCP4354、65W 适配器关闭模式控制器的评估板

现代雷达系统的信号设计
LTC6102HVHMS8

BFR340T






京公网安备 11010802033920号