在电动汽车驱动控制器中,逆变控制器是实现能量交直流转化的关键部件,用于电机的驱动或制动时的能量回收或是提供交流电源。市场对于逆变控制器的能量传输效率、功率密度、价格等方面的要求越来越高。而功率模块又是逆变器实现高传输效率、高功率密度的关键器件,目前电动汽车驱动逆变器绝大部分是基于传统Si(硅)器件IGBT(绝缘栅双极型晶体管)功率模块的设计,存在开关频率低、损耗大的缺点,外围配套滤波器体积大,质量重,制约了逆变控制器功率密度的提高。
SiC(碳化硅)与Si器件相比存在三方面优势:更高的击穿电压强度;更低的损耗;更高的热导率。这些特性意味着SiC器件可以用在高电压、高开关频率、高功率密度的场合。随着SiC模块功率制造水平的提高,SiC 将会是越来越适合车载逆变控制器的半导体器件,采用SiC器件+水冷散热是实现逆变控制器高功率密度的有效手段。
本文介绍一种基于SIC功率模块的200KW车载逆变控制器,以解决现有技术中车载逆变器体积大,超重量的问题。
控制器包括如下单元:
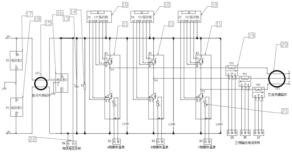
三相逆变单元:由3个SIC功率模块组成的三相逆变全桥,用于将直流电转化为供电机或交流负载使用的交流电;
功率驱动单元:两单元的隔离集成SIC模块驱动模块直接焊接在三相逆变单元上,再通过排线连接到控制单元,可将控制单元经过控制算法计算出来的占空比变化的脉冲信号转化为SIC模块的驱动信号;
可控制动单元:通过控制单元的母线电压采样,实时监控母线电压值,通过连接在直流母线与逆变单元之间的泄放电路,用于在带电机负载出现电流反灌时,避免因反灌能量导致母线电压过高而损坏逆变器;
采样反馈单元:包括三相电流采样模块、温度采样模块和直流电压采样模块,用于采集三相逆变单元的三相电流信号、功率模块温度信号、进出水口温度和逆变控制器内部温度、直流母线电压信号;


图1 结构示意图
系统控制单元:控制单元集成了DSP、FPGA和ARM三个控制芯片及外围扩展FLASH及RAM;控制单元与采样反馈单元及上位机连接,用于接收上位机指令并发送控制指令以及接收采样反馈单元采集的逆变单元的电流信号、电压信号和温度信号;
支撑电容单元:包括在3个SIC功率模块的正负端子与正负输入接口之间连接的大容量的薄膜电容,在每个SIC功率模块的正负端子之间连接的小容量的薄膜电容,以及在正负母排之间连接的放电电阻,用于滤波并储存电能,消除母线电压波动带来的影响;
电磁屏蔽单元:在输入接口安装了直流共模电感,在母排正负排之间连接了两个安规电容,在正母排与外壳地之间连接了一个安规电容板,在负母排与外壳地之间连接了一个安规电容板,用于处理因采用SIC功率模块,提高了开关频率导致的电磁干扰的问题;
水冷单元:逆变控制器在3个SIC功率模块背面的下方安装了一个水冷单元,包括一水冷散热器,所述水冷散热器上开设有有第一开孔和第二开孔,第一开孔设置在三相逆变单元的右侧下方以供冷却水的流入,第二开孔设置在三相逆变单元的右侧上方以供冷却水的流出,水冷单元用于整机三相逆变控制器进行降温保护;
温度保护单元:在每个SIC功率模块内置了NTC,用于采集功率模块的温度;在水冷散热器的第一开孔位置安装一个温度传感器,用于进水口温度的采集,在水冷散热器的第二开孔位置安装一个温度传感器,用于出水口温度的采集;在功率室安装一个温度传感器,用于逆变控制器内部环境温度的采集。

图2 电气原理示意图
逆变控制器由于采用了宽禁带材料的碳化硅半导体作为功率转换器件,与传统基于SI(硅)半导体IGBT的逆变器相比,具有以下优点:结构更加紧凑、体积更小、重量更轻、耐热温度更高、高阻断电压、低损耗、开关速度快,外围配套LC滤波器更小。综合以上优点,在相同的功率等级下,设备中功率器件的数量、散热器的体积、滤波元件体积均能大大减小,同时效率也有大幅度的提升。同时采用了优化的结构布局方式,使整个逆变控制器中的杂散电感大大减少,对于系统间各部件的干扰也相应减少。通过对逆变控制器的优化设计,逆变控制器所占用的空间体积变小、散热更好,所能提供的开关频率达到20kHZ,电流谐波更低;从而实现整机系统高功率密度、高频高效率、小型化、轻量化。
上一篇:汽车电子中各类传感器的优劣势及应用
下一篇:什么是直流快速充电?
推荐阅读最新更新时间:2026-03-19 19:24
- 边缘计算主机盒选购指南:五大核心指标解析
- Arm AGI CPU 更多细节:台积电 3nm 制程、Neoverse V3 微架构
- Arm AGI CPU 重磅发布:构筑代理式 AI 云时代的芯片基石
- Arm 拓展其计算平台矩阵,首次跨足芯片产品
- 阿里达摩院发布RISC-V CPU玄铁C950,首次原生支持千亿参数大模型
- 边缘 AI 加速的 Arm® Cortex® ‑M0+ MCU 如何为电子产品注入更强智能
- 阿里达摩院发布玄铁C950,打破全球RISC-V CPU性能纪录
- VPU中的“六边形战士”:安谋科技Arm China发布“玲珑”V560/V760 VPU IP
- 利用锚定可信平台模块(TPM)的FPGA构建人形机器人安全
- LTC2945IUD-1 在 -48V 系统中使用低侧检测进行电源监控的典型应用
- 用于 24V 汽车应用的 LTC4367IDD 过压电源保护控制器的典型应用
- LTC2635-HZ12 四通道、12 位数模转换器的典型应用
- 使用 ROHM Semiconductor 的 BU4821 的参考设计
- 使用 Analog Devices 的 AD9625 的参考设计
- LT1307CS8 高压反激式转换器的典型应用电路
- AD7858L 3V 至 5V 单电源、200ksps、8 通道、12 位采样 ADC 的典型应用
- AND8337/D、1.2V、1.5V DC 至 DC 单路输出电源参考设计
- DER-713 - 使用 InnoSwitch3-EP PowiGaN 和 MinE-CAP 的 65 W 高功率密度适配器
- LDK120C11R 1.1V低压降稳压器典型应用(可调版)电路

IGBT模块:技术、驱动和应用(上海海事大学 PPT课件)
现代雷达系统的信号设计
BFR340T






京公网安备 11010802033920号