PWM 比较器的功能
还是以本系列文章中,用到的三相两电平逆变器为控制对象。下图是正弦波调制(SPWM)的三相两电平逆变器的波形。
输入的是三相的正弦波信号,三角载波与正弦信号波进行比较,当正弦信号波的值大于三角载波的值,输出“1”,否则,就输出“0”;PWM比较器一共生成6个PWM信号,控制6个IGBT的开通和关断。PWM比较器输出“1”控制IGBT开通,“0”信号IGBT关断。控制逆变器输出的三相相电压和三相线电压如下图所示。
对于三相两电平逆变器,为了防止上下桥臂同时导通而短路,PWM比较器还需要插入死区时间。
此外,为了让电流、速度和位置采样与PWM占空比的更新同步,以及控制器算法模型的触发运行,必须还有中断触发信号生成功能。
因此整个PWM比较器包括四部分:
(1) 三角载波生成;
(2) 信号比较,生成PWM控制信号;
(3) 插入死区时间;
(4) 中断触发信号生成;

正弦波调制(SPWM)的三相两电平逆变器的波形
三角载波生成
因为三角载波生成的模型是在FPGA中运行的,因此数据类型需要整型。
最方便的方法就是使用Simulink的HDL Coder模型库中的HDL Counter模块。通过控制输入端口dir控制HDL Counter模块的计数方向。

HDL Counter模块
示例模型如下:

三角载波生成的Simulink模型
仿真步长为1e-8,Relay 模块的Switch on point为10000,Switch off point为0,输出“0”或者“1” 控制HDL Counter模块的计数方向,生成0~10000的三角波,频率为5kHz。

三角载波信号
PWM 信号生成
三角载波与信号波进行比较,当信号波的值大于三角载波的值,输出“1”,否则,就输出“0”;PWM比较器一共生成6个PWM信号,控制6个IGBT的开通和关断。
此功能的Simulink模型如下:

PWM信号生成的Simulink模型
死区时间
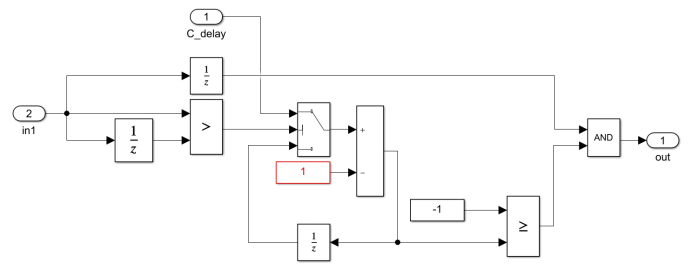
通常死区时间的插入通过增加PWM信号的开通延时实现的。
简单说就是:如果PWM信号由“1”变“0”,即由开通变为关断,则马上关断;如果PWM信号由“0”变“1”,即由关断变为开通,则延时T_delay再开通;此功能的Simulink模型如下,C_delay端口为输开通延时计数值。

死区时间的Simulink模型
中断触发信号生成
此功能比较简单,Simulink模型如下图所示,在三角波的底点和顶点都产生中断,如果只在底点或者只在顶点,可以根据需要修改即可。

中断触发信号生成的Simulink模型
以上模型皆可以通过Simulink的HDL Coder工具生成HDL代码,部署至Speedgoat的FPGA板卡。
上一篇:SVPWM算法的Simulink模型介绍
下一篇:多速率仿真、同步和异步、永磁同步电机控制器模型概述
推荐阅读最新更新时间:2026-03-24 00:52
- 边缘计算主机盒选购指南:五大核心指标解析
- Arm AGI CPU 更多细节:台积电 3nm 制程、Neoverse V3 微架构
- Arm AGI CPU 重磅发布:构筑代理式 AI 云时代的芯片基石
- Arm 拓展其计算平台矩阵,首次跨足芯片产品
- 阿里达摩院发布RISC-V CPU玄铁C950,首次原生支持千亿参数大模型
- 边缘 AI 加速的 Arm® Cortex® ‑M0+ MCU 如何为电子产品注入更强智能
- 阿里达摩院发布玄铁C950,打破全球RISC-V CPU性能纪录
- VPU中的“六边形战士”:安谋科技Arm China发布“玲珑”V560/V760 VPU IP
- 利用锚定可信平台模块(TPM)的FPGA构建人形机器人安全
- LTC2172CUKG-12、12 位、65Msps 低功耗四通道 ADC 的典型应用电路
- 使用 ROHM Semiconductor 的 BD5339 的参考设计
- 使用 Diodes Incorporated 的 PT8A3517 的参考设计
- LT5527 400MHz 至 3.7GHz 高信号电平下变频混频器的典型应用
- AD5340 并行接口、单电压输出、12 位 DAC 的典型应用
- 30W、-27V、5.8V、5.8V、15V、24V、33V交流转直流多路输出电源
- OP213FSZ-REEL7 低噪声运算放大器电压基准的典型应用
- LT3579/LT3579-1 演示板,升压 / 反相 DC/DC 转换器
- L7815A 光控制器稳压器的典型应用 (Vo(min) = Vxx + VBE)
- 具有关断功能的 LT1086CT-5 5V 稳压器的典型应用

Follow me第三季第4期任务
现代雷达系统的信号设计
ALD2701Z
BFR340T






京公网安备 11010802033920号