铅酸电池一直以来是户外移动中大功率音响的主要供电方式。铅酸电池电压高,输出电流大,直供音频功放可输出2×20W功率。但铅酸电池供电也有其弊端:体积大、不环保、循环充电次数不高。随着锂电池的技术进步,重量轻体积小、循环充电次数高、绿色环保等优势得以广泛应用。针对户外蓝牙音响便携移动的特性,基于体积重量、使用寿命、环保等因素考虑,双节串联7.4V锂电池是未来一个时期的户外蓝牙音箱理想供电电源(3节锂电因为电池之间的差异要考虑平衡、充电成本等限制其应用普及)。但是两节18650锂电串联的电压是6V-8.4V,在电池直供的情况每个声道只能提供7W/4欧的功率输出,音量偏小。
深圳市永阜康科技有限公司总结市场应用痛点,现在大力推广一颗两节锂电池7.4V供电内置升压双声道D类功放IC-CS85711,可以广泛应用于中高端广场舞音箱、智能音箱、便携式蓝牙音响等产品领域,同时搭配5V输入升压开关型两级锂电充电管理芯片CS5090,可以省掉适配器。其高效率、大功率、外围简单等特性,加速实现在拉杆音箱等领域锂电池替换铅酸电池成为主流供电方式。
CS83711在7.4V锂电池供电内置升压到11.05V,能提供2×20W/3欧峰值输出功率。并且CS83711整体效率高达90%,保证了输出功率恒定、整机要求的播放时间、以及温升在正常范围之内。CS83711另一个亮点是可以支持外接12V电源直供,方便整机预留外置12V电源线夹接口。CS83711还有其他丰富的功能以及性能:两种防破音可选、扩频模式、过流保护、短路保护、过热保护等;简洁的EQA-28封装生产也非常方便。
CS83711应用特性
1. CS83711 7.4V供电对比普通音频功放12V直供输出功率,实测CS83711功率足2×20W。


2. CS83711整机效率测试,实测90%以上。

3. CS83711脚位图

4. CS83711管脚说明

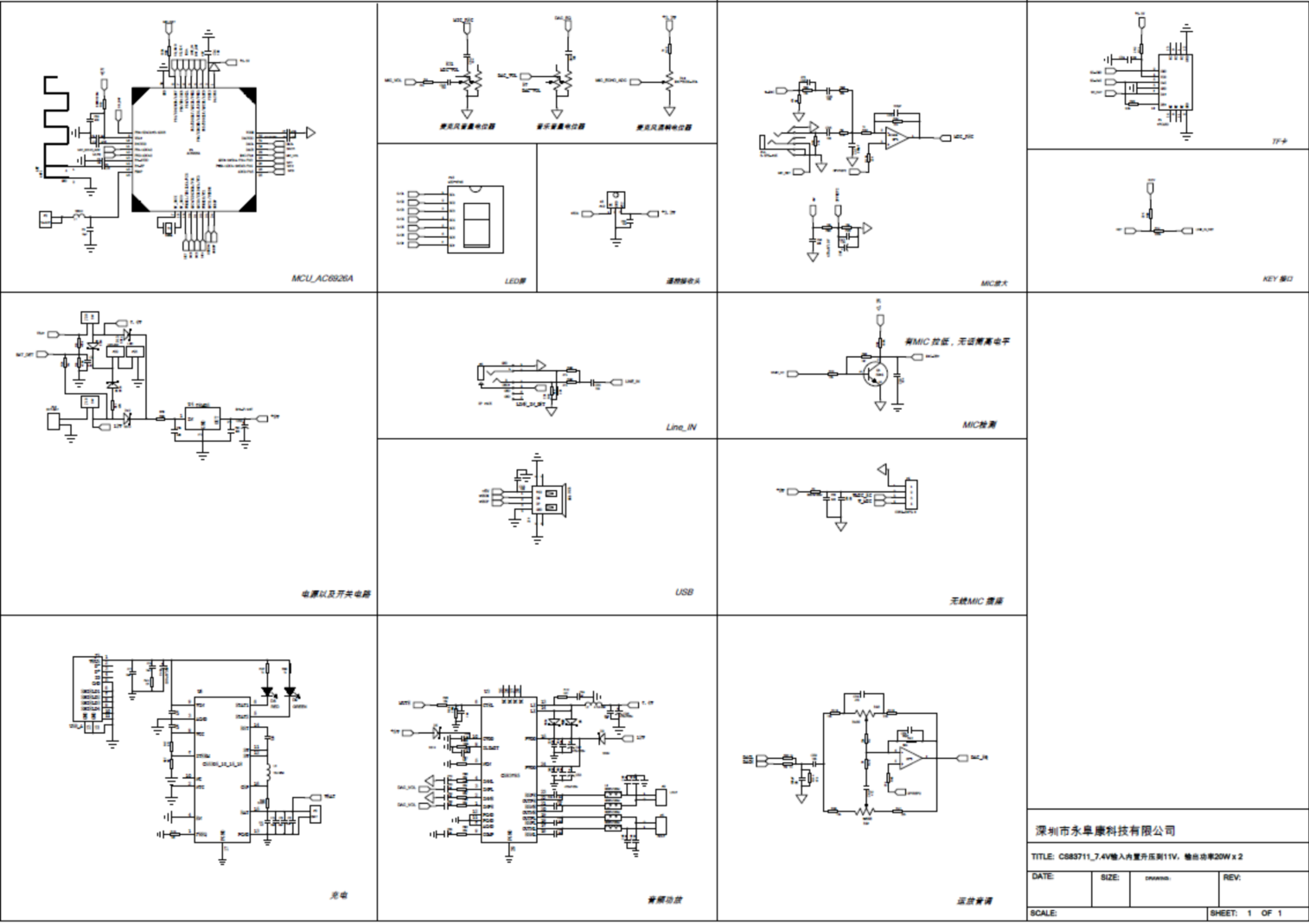
5. 基于CS83711 两节锂电内置升压2×20W蓝牙户外音箱方案原理图

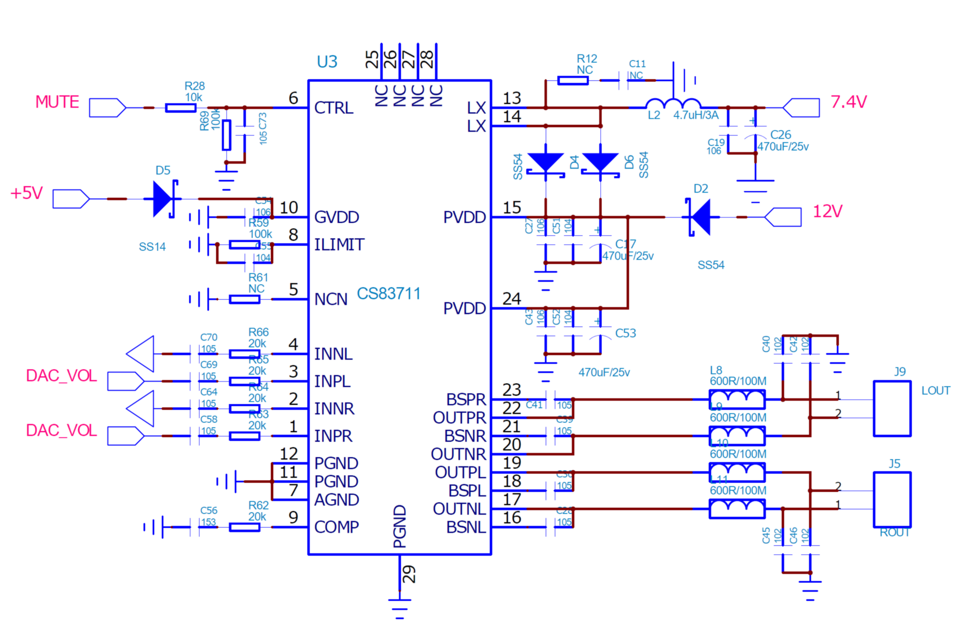
6. CS83711 功放部分原理图

7. 基于CS83711 两节锂电内置升压2×20W蓝牙户外音箱方案DEMO PCB顶层设计图

8. 基于CS83711 两节锂电内置升压2×20W蓝牙户外音箱方案DEMO PCB底层设计图

9. 基于CS83711 两节锂电内置升压2×20W蓝牙户外音箱方案DEMO贴片图

10. 基于CS83711 两节锂电内置升压2×20W蓝牙户外音箱方案 DEMO板实物图

11.整体板DEMO BOM表

上一篇:视频终端降低功耗技术的研究
下一篇:我们为什么要关注蓝牙LE Audio标准?
- 热门资源推荐
- 热门放大器推荐
- 边缘计算主机盒选购指南:五大核心指标解析
- Arm AGI CPU 更多细节:台积电 3nm 制程、Neoverse V3 微架构
- Arm AGI CPU 重磅发布:构筑代理式 AI 云时代的芯片基石
- Arm 拓展其计算平台矩阵,首次跨足芯片产品
- 阿里达摩院发布RISC-V CPU玄铁C950,首次原生支持千亿参数大模型
- 边缘 AI 加速的 Arm® Cortex® ‑M0+ MCU 如何为电子产品注入更强智能
- 阿里达摩院发布玄铁C950,打破全球RISC-V CPU性能纪录
- VPU中的“六边形战士”:安谋科技Arm China发布“玲珑”V560/V760 VPU IP
- 利用锚定可信平台模块(TPM)的FPGA构建人形机器人安全
- 使用 ON Semiconductor 的 FAN2518S 的参考设计
- LTC1530S8、3.3V/3A 稳压器
- 使用 ON Semiconductor 的 ADP3167 的参考设计
- 使用 Analog Devices 的 LT3420EDD 的参考设计
- 基于Kinetis® M的低成本单相电表参考设计
- LTC3708、具有上升/下降轨跟踪功能的 2.5V/15A 和 1.2V/15A 稳压器
- NXQ1TXH5插件板
- 应变仪仪表放大器
- WRL-13287,基于 ESP8266 802.11 无线局域网的 SparkFun Wi-Fi Shield
- 4.1W、3-LED 通用 LED 照明驱动器

现代雷达系统的信号设计
LTC6102HVHMS8

BFR340T






京公网安备 11010802033920号