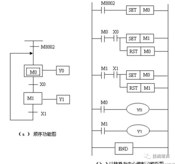
顺序功能图是一种描述顺控系统过程、功能和特性的一种图形表示方法。主要由步、有向线段、转换(包括转换条件)和动作组成。要画好顺序功能图,理解并掌握它的每个组成至关重要。

顺序功能图的组成
1、步
将顺序控制系统种的一个工作周期分成若干个阶段,这个阶段就叫做步。当步处于活动状态时,相应的动作被执行;当步处于静步状态时,相应的非存储型动作被停止执行。

2、有向线段
把步与步之间连接起来的线段(有方向)。

3、转移
转移就是由一个步过渡到另外一个步时的切换条件,两个步之间的切换可用一个有向线段表示,代表向下转移的有向线段的箭头可以忽略。

转移的实现必须同时满足的两个条件:
1、该转移所有的前级步都是活动步。
2、相应的转移条件得到满足。
4、动作
动作就是该步要执行的任务,可以是输出,也可以是定时和计数。

注意事项
1、两个步绝对不能直接相连,必须用一个转换将它们隔开。
2、两个转换绝对不能直接相连,必须用一个步将它们隔开。
3、初始步必不可少,否则无法表示初始状态,系统也无法返回停止状态。
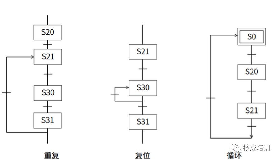
4、自动控制系统应能多次重复执行同一工艺过程,应组成闭环,即最后一步返回初始步,(单周期)或下一周期开始运行的第一步(连续循环)。
5、只有当前一步是活动步,该步才可能变成活动步。一般采用无断电保持功能的编程元件代表个步时,进入 RUN 工作方式时,它们均处于断开状态,系统无法工作。必须使用初始化脉冲 N M8002的常开作为转换条件,将初始步预置为活动步。
关键字:plc
引用地址:
plc顺序功能图由什么组成
推荐阅读最新更新时间:2026-03-25 05:42
PLC顺序功能图(SFC)编程深入解析
当流程需要顺序控制时,顺序功能图 (SFC) 是一个很好的工具,但事情很快就会变得复杂。以下是创建更好的 SFC 程序和应用程序的一些方法。 称为顺序功能图 (SFC) 的图形编程语言由 IEC 61131-3 标准化。该图表从上到下阅读,块用于表示步骤、转换和功能。这种编程风格类似于功能框图,并且具有一些相同的缺陷,这些缺陷会产生复杂性并降低编程效率。 图 1.顺序功能图 (SFC) 编程示例布局。图片由施耐德电气提供 首先要做的事情:奠定基础 就像任何编程语言一样,花时间做基础工作、布局和构建代码,从长远来看会节省你的时间。SFC 程序非常适合使用序列的应用程序。SFC 是一种多功能解决方案,非常适合自动化装配线或依赖
[嵌入式]
PLC顺序功能图的画法、组成及释义
顺序功能图是一种描述顺控系统过程、功能和特性的一种图形表示方法,主要由步、有向线段、转换(包括转换条件)和动作组成。要画好顺序功能图,理解并掌握它的每个组成至关重要。 一、顺序功能图的组成及释义 蓝色部分为组成,黄色部分为注释 1、步 将顺序控制系统的一个工作周期分成若干个阶段,这个阶段就是步。 一般用编程元件(位存储器M(如西门子PLC)、顺序控制继电器S(如三菱))代表各个步。 步可以分为初始步(系统初始状态)和活动步(系统运行到这一步)。 2、有向线段 把步与步之间连接起来的线段(有方向)。 3、转换与转换条件 由一步到另一步地转移,称为转换。 能使系统从一步到另一步的 信号 为转换条件。 二、顺序功能图的画法(以三
[嵌入式]
智能工厂中PLC物联网网关的功能与应用
随着工业4.0浪潮的深入推进,传统制造业正面临生产线数据孤岛、人工巡检效率低下、故障响应延迟等挑战,尤其是在多品牌设备并存的车间中,协议不兼容导致的数据互通障碍已成为制约数字化升级的核心瓶颈。因此,突破设备壁垒,实现生产全流程的可视化与智能化管控,对于制造企业降本增效至关重要。
物通博联(Wide)提出的PLC物联网网关,为制造业生产线数字化转型提供了高效解决方案,它如同工业设备的“智能翻译官”与“边缘大脑”,轻松破解多品牌PLC协同难题。无论是S7系列、三菱FX系列,还是NJ系列等主流PLC,网关都能通过内置的多协议解析引擎,实现协议无缝转换,让不同品牌设备“开口对话”,无需二次开发即可完成全生产线数据采集。
[单片机]
PLC工程师经验--RS485总线知识汇总
做工程很多时候会提到RS485控制线,它到底是什么呢?今天我聊聊RS485相关的应用,深入了解RS485,你会发现里面的知识确实有很多,那么我们就选择一些平时在弱电中会考虑到的问题供大家了解。 一、什么是RS485总线 工业现场经常要采集多点数据,模拟信号或开关信号,一般用到RS485总线,RS-485采用半双工工作方式,支持多点数据通信。RS-485总线网络拓扑一般采用终端匹配的总线型结构。即采用一条总线将各个节点串接起来,不支持环形或星型网络。 RS485无具体的物理形状,根据工程的实际情况而采用的接口,RS485采用差分信号负逻辑,+2V~+6V表示 0 ,- 6V~- 2V表示 1 。 RS485有两线制和四线制两种接
[嵌入式]
plc编程器的作用是什么
编程器用于用户程序的编制、编辑、调试,以及监控、显示plc的一些系统参数和内部状态,是开发、维护和设计PLC控制系统的必要工具。主机内存中的用户程序就是由编程器通过通信接口输入的。对于已设计、安装好的PLC控制系统,一般都不带编程器而直接运行。不同系列PLC的编程器互不通用。 PLC编程器是一种用于编写、调试和下载PLC(可编程逻辑控制器)程序的工具,它的主要作用是实现对工业生产设备和系统的自动化控制。 PLC编程器通常由硬件和软件两部分组成。硬件部分包括编程器本身、数据线等,用于连接PLC控制器和计算机;软件部分则提供了一个编程环境,支持不同的编程语言和工具,用户可以在该环境中编写、调试和下载PLC程序。 PLC编程
[嵌入式]
10款常用PLC型号简介
1、西门子 LOGO和S7-200是超小型化的PLC,适合于单机控制或小型系统的控制,适用于各行各业,各种场合中的自动检测、监测及控制等。 S7-300是模块化小型PLC系统,可用于对设备进行直接控制,可以对多个下一级的可编程序控制器进行监控,还适合中型或大型控制系统的控制,能满足中等性能要求的应用。 s7-300针对的是中小系统,他的模块可以扩展多达32个模块,背板总线也在模块内集成,它的网络连接已比较成熟和流行,有mpi、工业以太网,使通讯和编程变得简单,选择性也比较多,并可借助工具进行组态和设置参数。 s7-400:同300的区别主要在于热启动(wrst)这一部分,其他基本一样。它还有一个外部的电池电源接口,当在线更换电池时
[嵌入式]
PLC控制电动机正反转电路原理分析和接线方法
一个PLC控制电动机正反转电路可以实现电动机的正反转控制。其主要包括以下三个部分: 1.电源电路:包括电源开关和各种控制元件(例如接触器、继电器等)。 2.控制电路:由PLC进行控制的电路,包括输入模块、CPU、输出模块等。 3.电动机电路:用于控制电动机的正反转,包括方向控制开关、电动机接线板等。 在实际应用中,当需要控制电动机正转时,PLC会通过控制电路给电动机的正转继电器发送信号,使其闭合,电动机便可以正向运行;当需要控制电动机反转时,PLC会通过控制电路给电动机的反转继电器发送信号,使其闭合,电动机便可以反向运行。通过这样的方式,即可实现电动机的正反转控制。 PLC控制电动机正反转电路原理分析 PLC控制电动机正反转电
[嵌入式]
如何选择PLC?关于PLC基础知识汇总
大家都知道,工业生产和科技的发展都离不开PLC的自动化控制,PLC可以广义的理解为:集中的继电器延伸控制柜,实际的生产应用中,PLC大大的节省了工业控制的成本,加强了设备的集中管理和自动控制,想要学好PLC,首先PLC的基础需要扎实。 1、从PLC的组成来看,除CPU,存储器及通信接口外,与工业现场直接有关的还有哪些接口?并说明其主要功能。 1)输入接口:接受被控设备的信号,并通过光电耦合器件和输入电路驱动内部电路接通或断开。 2)输出接口:程序的执行结果通过输出接口的光电耦合器件和输出组件(继电器、 晶闸管、晶体管)输出,控制外部负载的接通或断开。 2、PLC的基本单元由哪几个部分组成?各起什么作用? 1)CPU:PLC的核
[嵌入式]