在我们工作当中经常会遇到设备需要点动控制和连续控制,我们可以通过三个简单的方式来实现对设备的控制。

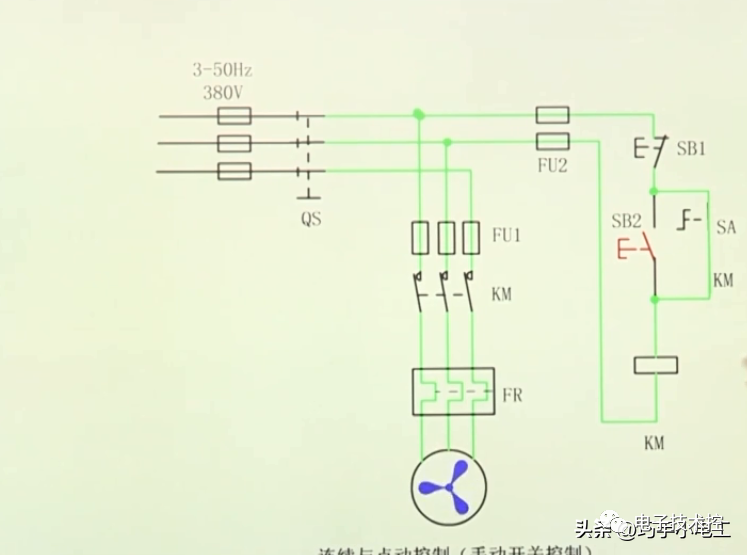
点动和连续控制电路图 第一种方式是开关切换:在电路图1中,开关SA处于常态(断开),按按钮SB2电路通电交流接触线圈吸合但形不成自锁,电动机转动,松开按钮SB2线圈失电,电机转动停止。在电路图2中,开关SA处于闭合状态,按按钮SB2电路通电交流接触线圈吸合形成自锁,电动机转动。
复合开关

1

2

连续控制 第二种方式是按钮切换:很多复合按钮开关都是有常开和常闭触点,在电路图3中SB3处于常态,常开点断开,常闭点和SB2,KM常开点进行并联,SB2按钮闭合kM线圈得电,线圈形成自锁,电机进行持续运转。当SB3常开触点闭合,常闭触点断开线圈失电,形不成自锁,电机形成点动控制。

按钮开关

3

连续控制

点动控制

第三种方式是中间继电器切换:中间有多个常闭和常开触点,在电路图4中SB3处于常态,常开点断开,常闭点和KM常开点进行串联,SB2按钮闭合kM线圈得电,线圈形成自锁,电机进行持续运转。当SB3常开触点闭合,KA线圈得电,中间继电器常开点闭合,常闭点断开。按下按钮SB1电动机形成点动控制。

中间继电器

4

点动控制
关键字:电动机 点动
引用地址:
3种电动机点动和连续控制实现方式的区别
推荐阅读最新更新时间:2026-03-21 18:17
经典电路-电动机点动控制线路介绍
经典电路-电动机点动控制线路 在生产实践中,机械设备有时需要长时间运行,有时需要间断工作,因而控制电路要有连续工作和点动工作两种状态。 当电源开关QS合上时,按下按钮SB1,接触器线圈得电吸合,KM的主触点吸合,电动机MI启动运行。 当松开按钮SB1,接触器KM的线圈断电释放,KM的主触点断开,电动机M1断电停止转动。这个电路不能实现连续运转。
[嵌入式]
时间继电器控制点动、自锁电路讲解
时间继电器控制点动、自锁电路 我们今天了解下如何通过利用时间继电器控制电路实现点动、自锁的电路 首先,接通电源后 失电延时动作时间继电器KT,线圈吸合。 时间继电器KT,常闭触点立即断开。 此时,按住启动按钮SB2,接触器KM线圈吸合。 当按住启动按钮SB2时间超出时间继电器KT设定延时时间时。 失电延时时间继电器KT,延时动作闭合常闭触点,形成自锁。 如果想要实现点动,只需按动启动按钮SB2时间不超过延时时间继电器KT延时动作时间即可。
[嵌入式]
基于WinAC的橡胶连续硫化机组的控制系统设计
1 设计背景 橡套电线电缆是我国煤炭、矿产、铁路、海底通信等传输的主干线,其生产工艺极其复杂,最为关键的一个工艺便是将混炼好的生橡胶挤制在电线电缆上,作为电线电缆的绝缘或外护套(俗称挤橡工艺)。这一工艺需要在一定的温度和压力下,经过一定的时间硫化,因此,在这一工艺中温度、压力、时间这三个工艺参数需要根据工艺特性实时控制。以往,电线电缆生产厂家挡车师傅们主要根据以往经验加以控制,硫化效果往往欠佳,导致电线电缆存在欠硫或过硫等质量问题,极大影响了其使用寿命。为了提高其工艺执行率,我们采用SIEMENS公司的S7-300型PLC、分布式测控模块ET-200M以及基于PC的测控系统WinAC为山东韩誉电线电缆股份公司(中韩合资)
[嵌入式]
三相异步电动机控制电路的工作原理
三相异步电动机按钮接触器互锁正反转拖动控制电路 下图所示为按钮、按触器双重互锁的正反转控制线路这种线路是在按钮互锁的基础上,又增加了接触器互锁,故兼有两种互锁控制一线路的优点,使线路操作方便,工作安全可靠。 因此,在电力拖动中被广泛采用。 如 z3050 型摇臂钻床立柱松紧电动机的正反转控制及 X62W 型万能铣的主轴反接制动控制均采用这种控制线路。 按钮接触器互锁正反转拖动控制电路图 三相异步电动机多地拖动控制电路 三相异步电动机多地控制电路原理图与说明 多地拖动控制电路图 工作原理如下: SB1 与 SB2 在甲地,SB3 与 SB4 在乙地,两地均可以对电动机 M1 进行启动与停止控制,这样对于需要多地控制的场合就会
[嵌入式]
电动机保护器的的工作原理
是经典的电机星三角启动方式,主要是保护热继电器,若使用热继电器对大型电机作保护,就会使大电线出现断点,也就是进出热继电器的螺丝接线问题,容易出现发热点和故障点。如果不用熔断器和热继电器,而采用电机综合保护器来实现,因为保护器是穿心式,就可以减少大电线的断点,从而减少发热点和故障点。 使用电动机保护器时必须注意控制线路的接线问题,以确保机器的正常运行,它可以代替断路器、接触器、热继电器、熔断器等低压电器的一项产品。 电动机保护器的安装步骤如下: 1、根据安装部位要求方式和保护功能的需要,合理选择电动机保护器型号及其各项保护动作参数设置; 2、按产品使用说明书要求正确安装,应按各接线端子用途正确无误连接,工作电源应接在控制回路
[嵌入式]
电动机绕组崩烧的原因有哪些
有关电动机的知识,电动机在运行过程中绕组崩烧,一般是什么原因引起的,是缺相运行还是轴承损坏的原因,或者是绕组短路导致绕组崩烧,下面具体来看下。 电动机绕组崩烧的原因 一、缺相运行 1、电源故障 电动机定子回路如电源、控制开关、接触器等缺相,将会使电动机三相绕组中的电流严重不平衡,电流过大的绕组会迅速发热。 2、绕组故障 电动机绕组或引线一相开路,将会导致另外两相绕组电流急剧增大。当发现运行中的电动机缺相时,必须立即停机,否则会很快导致绕组崩烧。 二、轴承损坏 1、质量缺陷 电动机安装有假冒伪劣轴承或轴承有麻点,生锈等缺陷,运行时轴承易损坏。 2、润滑不良 电动机轴承使用了牌号不对的润滑油,或者润滑油变质、过少都会造成轴承发热损
[嵌入式]
分析汽车转向电动机工作原理及转向系统
汽车上配置的转向系统,大致可以分为三类:(1)一种是机械式液压动力转向系统;(2)一种是电子液压助力转向系统;(3)另外一种电动助力转向系统。 一、电动助力转向系统(EPS) 1、英文全称是Electronic Power Steering,简称EPS,它利用电动机产生的动力协助驾车者进行动力转向。EPS的构成,不同的车尽管结构部件不一样,但大体是雷同。一般是由转矩(转向)传感器、电子控制单元、电动机、减速器、机械转向器、以及畜电池电源所构成。 2、主要工作原理:汽车在转向时,转矩(转向)传感器会“感觉”到转向盘的力矩和拟转动的方向,这些信号会通过数据总线发给电子控制单元,电控单元会根据传动力矩、拟转的方向等数据信号,向电动机
[嵌入式]
电动机绕组崩烧的原因及预防
1、 电动机长期过载运行,电流过大使绕组过热而发生崩烧。预防措施是严禁电动机长期过载运行,并加强过载保护,经常监视电动机的电压、电流不得过高。 2、电压过高使电流过大,导致铁芯内的磁通增加,损耗增大而发热;电压过低,使负载较大的电动机过热。解决办法是调整电源电压,使电压在允许的范围内。 3、电动机单相运行,三相电源有一相断线,使电动机两相绕组过热而崩烧,一旦发现三相电动机单相运行,应立即切除故障电动机电源,并找出原因予以排除。 4、电动机转子与绕组发生摩擦,使绕组绝缘损伤,造成电动机短路崩烧。预防办法是应经常检查电动机的绕组绝缘情况,有无短路现象。若发现电动机绕组受潮,需进行烘干处理。 5、接线错误。电动机的接线出现差错,使一相绕
[嵌入式]