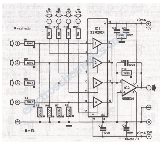
我们在这里提出的这个混音器电路原理图是围绕四个放大器构建的,这些放大器是电流控制的,所有这些放大器都集成在由精密单片公司(PMI)生产的IC SSM2024中。为了获得小失调和高抑制,四个混频器入口必须具有200 Ω阻抗。这些阻抗由电阻R5-R8获得,R<>-R<>属于每个音频输入的分压器。
使用图中的值,输入信号为1V (0 dBV)。在这个水平上,扭曲约为1%,在较低水平上不超过0.3%。
电流控制放大器(CCA)的增益由控制输入的电流供应决定。R10-R1的电阻为4 kΩ时,如果控制电压低于200 mV,CCA将被阻塞。控制电流为 500 uA 可获得最大增益,在这种情况下,输入电压增加 0,5 V。
电流消耗在5.。..9毫安。信噪比为90 dB,带宽为130 kHz。SSM2024的运行良好,电源电压在+9 V至+18 V之间,但在+-15 V时获得最佳性能。
SSM2024调音台电路图

上一篇:吉他音效电路图讲解
下一篇:lm386引脚排列图,lm386音频放大电路图讲解
- 热门资源推荐
- 热门放大器推荐
- 边缘计算主机盒选购指南:五大核心指标解析
- Arm AGI CPU 更多细节:台积电 3nm 制程、Neoverse V3 微架构
- Arm AGI CPU 重磅发布:构筑代理式 AI 云时代的芯片基石
- Arm 拓展其计算平台矩阵,首次跨足芯片产品
- 阿里达摩院发布RISC-V CPU玄铁C950,首次原生支持千亿参数大模型
- 边缘 AI 加速的 Arm® Cortex® ‑M0+ MCU 如何为电子产品注入更强智能
- 阿里达摩院发布玄铁C950,打破全球RISC-V CPU性能纪录
- VPU中的“六边形战士”:安谋科技Arm China发布“玲珑”V560/V760 VPU IP
- 利用锚定可信平台模块(TPM)的FPGA构建人形机器人安全
- LM2904DMR2G 函数发生器运算放大器的典型应用
- DEMO9RS08KA2: DEMO9RS08KA2 Demonstration Board
- MCP73871EV,MCP73871 锂离子电池充电器评估板
- STEVAL-IHM039V1,采用 STM32F415 微控制器的双电机控制演示板
- LTC1606CG 演示板、16 位、250ksps ADC
- RT8086B 3.5A、1.2MHz、同步降压转换器的典型应用
- TS4999EIJT 典型应用 免滤波器立体声 2.8 W D 类音频功率放大器,可选择 3D 音效
- LTM4615,采用 15mm-15mm 封装的完整双路和三路输出负载点模块稳压器
- LTC2415-1IGN 24 位 ADC 的典型应用电路使用电阻器阵列在励磁放大器中提供精确匹配
- 使用 Analog Devices 的 LTC1450LIN 的参考设计

现代雷达系统的信号设计
5962L0052401VPA

BFR340T






京公网安备 11010802033920号