LM3886基础知识
LM3886是一款带静音功能的高性能150W音频功率放大器。音频功率LM3886(例如NS)利用其自身峰值瞬时温度(°Ke)(SPIKe)保护电路,通过提供固有的动态保护安全工作区(SOA),其性能高于分立式和混合放大器。
LM3886T采用11(交错)引线非隔离TO220封装。出于测试目的,放大器的原型由稳定的±35V电源供电。在63Vrms的驱动电平下,在8欧姆的驱动电平下获得了约1瓦的最大不失真输出功率。将负载阻抗降至4欧姆,将输出功率推高至不低于108瓦。实际上,这些功率水平可以理解为“音乐功率”,但请记住,放大器通常不会由稳压电源供电!
LM3886放大电路
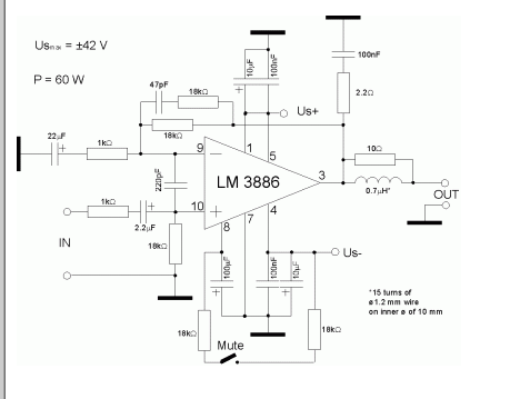
该电路需要一个经过良好调节和滤波的28V双电源。
如果您需要更多冲孔,请将电源电压扩展到35V。
开关S1用于静音功能,打开它使放大器静音。
LM3886电路版本1

LM3886原理图版本2
按照原理图和PCB构建放大器。与往常一样,在测试它时,请使用损坏的廉价扬声器进行测试,更换成本不会很高。
如果您的信号源始终连接(例如,前置放大器始终连接到放大器),则可以通过在PCB上焊接跳线来代替C2。如果可能的话,我强烈建议这样做以减少信号路径并提高音频质量。但是,如果您的源可能断开连接(例如CD播放器),建议您包括C2。如果不这样做,断开电源会将较大的直流电流发送到扬声器中,并且很可能会损坏扬声器。(从)

上一篇:什么是主动降噪?主动降噪如何工作?
下一篇:立体声音频开关电路图详解
推荐阅读最新更新时间:2026-03-24 02:08
- 边缘计算主机盒选购指南:五大核心指标解析
- Arm AGI CPU 更多细节:台积电 3nm 制程、Neoverse V3 微架构
- Arm AGI CPU 重磅发布:构筑代理式 AI 云时代的芯片基石
- Arm 拓展其计算平台矩阵,首次跨足芯片产品
- 阿里达摩院发布RISC-V CPU玄铁C950,首次原生支持千亿参数大模型
- 边缘 AI 加速的 Arm® Cortex® ‑M0+ MCU 如何为电子产品注入更强智能
- 阿里达摩院发布玄铁C950,打破全球RISC-V CPU性能纪录
- VPU中的“六边形战士”:安谋科技Arm China发布“玲珑”V560/V760 VPU IP
- 利用锚定可信平台模块(TPM)的FPGA构建人形机器人安全
- REF196 精密微功率、低压差堆叠电压基准的典型应用电路
- LTC4367IMS8 用于滞后调节的过压电源控制器的典型应用
- CLRC663非接触式读写器IC的典型应用
- 使用 ON Semiconductor 的 CS-5621 的参考设计
- RSO-0515S 15V、67mA输出DC/DC转换器典型应用电路
- NCP51200 3 Amp VTT 终端稳压器 DDR1、DDR2、DDR3、LPDDR3、DDR4 的典型应用
- LR645大电流SMPS启动电路典型应用
- ADR420 可编程电流源的典型应用
- DC417B,使用 LT1806CS8 多尺寸单运算放大器原型的演示板
- DM300019,用于评估 dsPIC30F 和 dsPIC33F MCU 系列器件的 dsPICDEM 入门开发板

电子技术学习方法和分析思路轻松入门 (胡斌)
非常经典的关于LLC的杨波博士论文
ASM10DTBD-S664






京公网安备 11010802033920号