一、前言
车载逆变器(电源转换器、Power Inverter)是一种能够将 DC 12V直流电转换为和市电相同的 AC 220V交流电,提供给一般电器使用,是一种方便的车用电源转换器。
随着汽车产品技术发展进步,汽车拥有的电子技术也在不断提高,以车载逆变器为重要组件的电动汽车、插电混合动力汽车的发展正迅速加快,车载逆变器市场发展前景将会很广阔。车载逆变器的普及速度的提高也促进了MOS管在车载逆变器中的使用。

二、产品应用及工作原理
车载逆变器可以做到20W、40W、80W、120W直到500W的功率规格,应用范围为:手机、笔记本电脑、数码摄像机、照相机、照明灯、电动剃须刀、CD机、游戏机、掌上电脑、电动工具、车载冰箱等 。
一般的车载逆变器主要由逆变桥、滤波电路、控制电路、振荡器等构成,其工作原理是先通过高频PWM (脉宽调制)开关电源技术,将汽车电瓶所提供的12V直流电转换成30kHz-50kHz、220V左右的交流电。然后再利用桥式整流、滤波、脉宽调制及开关功率输出等技术,将30kHz~50kHz、220V左右的交流电转换成50Hz、220V的交流电。
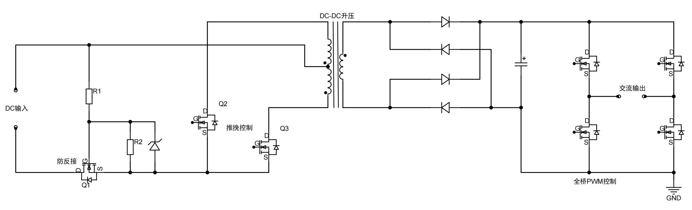
三、产品应用拓扑图

四、 线路选型推荐
针对上图逆变电路的DC-DC升压电路+控制电路(推挽式)和DC-AC逆变电路提供两个系列的MOS方案:
DC-DC升压电路(防反接)+控制电路(推挽式)
在DC-DC升压电路中,选用MOSFET作为开关器件,场效应管所需承受的最大电压约为20-30V左右,选型时MOS管的最大耐受电压应留有余量一般会选择40V以上的MOS。MOS管推荐使用瑞森半导体低压MOS系列,选型如下:

DC-AC逆变电路(全桥PWM控制)
DC-AC逆变电路的主回路采用的是全桥式结构,和开关管并联的二极管起到保护作用。MOS管推荐使用瑞森半导体高压MOS系列。瑞森半导体高压MOS系列,超小内阻,结电容适中,散热性能好,高温漏电小,高温电压跌落小,广受市场好评。

上一篇:自动驾驶行车&泊车过程的纵向控制算法解析
下一篇:双极霍尔开关AH501可替代HAL1501用于汽车刹车灯
- 热门资源推荐
- 热门放大器推荐
- 边缘计算主机盒选购指南:五大核心指标解析
- Arm AGI CPU 更多细节:台积电 3nm 制程、Neoverse V3 微架构
- Arm AGI CPU 重磅发布:构筑代理式 AI 云时代的芯片基石
- Arm 拓展其计算平台矩阵,首次跨足芯片产品
- 阿里达摩院发布RISC-V CPU玄铁C950,首次原生支持千亿参数大模型
- 边缘 AI 加速的 Arm® Cortex® ‑M0+ MCU 如何为电子产品注入更强智能
- 阿里达摩院发布玄铁C950,打破全球RISC-V CPU性能纪录
- VPU中的“六边形战士”:安谋科技Arm China发布“玲珑”V560/V760 VPU IP
- 利用锚定可信平台模块(TPM)的FPGA构建人形机器人安全
- LM2904DMR2G 函数发生器运算放大器的典型应用
- DEMO9RS08KA2: DEMO9RS08KA2 Demonstration Board
- MCP73871EV,MCP73871 锂离子电池充电器评估板
- STEVAL-IHM039V1,采用 STM32F415 微控制器的双电机控制演示板
- LTC1606CG 演示板、16 位、250ksps ADC
- RT8086B 3.5A、1.2MHz、同步降压转换器的典型应用
- TS4999EIJT 典型应用 免滤波器立体声 2.8 W D 类音频功率放大器,可选择 3D 音效
- LTM4615,采用 15mm-15mm 封装的完整双路和三路输出负载点模块稳压器
- LTC2415-1IGN 24 位 ADC 的典型应用电路使用电阻器阵列在励磁放大器中提供精确匹配
- 使用 Analog Devices 的 LTC1450LIN 的参考设计

现代雷达系统的信号设计
EL5624IRE-T13

BFR340T






京公网安备 11010802033920号