MPS的Raghu Nathadi写的这篇文章很不错,进行摘录。

●HPC 控制器的电源设计
自动驾驶和高性能计算(HPC)化转型在逐渐升温,车企和一级供应商(Tier 1s)正在与芯片企业(SoC)供应商合作,提供算力,推动汽车行业的发展。中央计算机将由功能强大的SoC驱动。这些SoC具有先进的CPU和GPU功能,可以处理大量数据,并执行允许车辆实时做出决策的复杂计算。这些SoC需要先进的电源管理解决方案,特别是对于核心电压轨道。
SoC核心轨道需要数百安培的电流,并且具有严格的瞬态性能和效率要求。服务器、数据中心和人工智能(AI)应用程序已经使用了几代强大的SoC和先进的电源管理解决方案,汽车电源解决方案还面临其他挑战,例如提供AEC-Q100认证和ASIL-D功能安全,同时保持与企业SoC解决方案相同的高效率、快速瞬态响应、可配置性、可扩展性、监测和系统保护功能。
汽车SoCs
汽车SoCs的典型电源树包括电池、电池保护和多个电源轨道。低功率轨道可以使用功率管理集成电路(PMICs)或离散的点对点(PoL)转换器。高功率核心轨道需要专门的解决方案,因为它们具有严格的规格,以提供嵌入到SoC中的CPU和GPU所需的电源。此外,根据其架构和性能规格,SoC可能需要超过一个核心轨道。本文将重点介绍SoC核心轨道的电源解决方案。

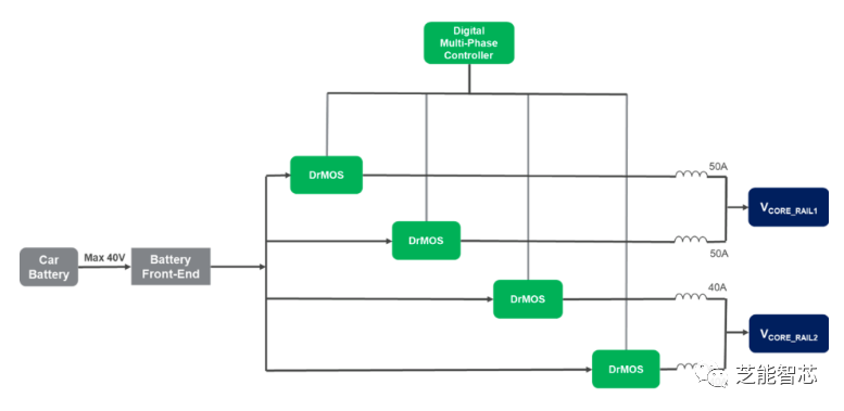
传统的SoC核心轨道解决方案使用模拟脉宽调制(PWM)控制器、离散MOSFET和离散电流和温度传感电路,需要许多外部组件,会提高成本,降低汽车应用的可靠性,并需要更大的PCB面积。使用数字多相控制器和单片式DrMOS功率级的SoC核心电源解决方案。DrMOS集成了门极驱动IC、电流传感电路和温度传感电路;这使得解决方案更简单,消除了传统解决方案所需的几个外部组件。

DrMOS是一种单片电源设计,具有高功率密度、精确的电流感应和精确的芯片内温度感应,数字控制器提供了灵活性和可扩展性,可以根据给定SoC核心轨道的电流等级配置相数。数字控制器不需要任何外部反馈环路补偿,这简化了设计工作,缩短了开发时间。DrMOS还具有非易失性内存(NVM),可以配置和重新配置寄存器设置,最多可达1,000次,控制器和DrMOS提供了各种监测和保护功能,可用于实施系统级遥测。

汽车SoC和电池
现代汽车有两种12V电池选择:铅酸电池或锂离子电池。锂离子电池的最大输出电压(VOUT)高达20V,铅酸电池在瞬态时可以达到40V的最大VOUT。

使用22V额定DrMOS产品的单级电源转换实现,锂离子12V电池的车辆可以直接在电池上使用22V的DrMOS,而无需预调节器将电池电压转换为SoC核心轨道电压。这对于提高效率、减小PCB面积、降低成本和优化电气性能是一种理想的实现。
对于使用铅酸电池的车辆,在负载转储或双电池情况下,最大电压可能达到40V。在这种情况下,将使用预调节器来限制DrMOS上的输入电压(VIN)的最大值为20V,以保护DrMOS在瞬态时期。可以使用预调节器作为电压限制器。该预调节器可以以100%占空比运行,在正常工作条件下,它只是一个提供>99%效率的传递,这意味着在电池电压(VBATT)超过预设20V限制时,预调节器在电压瞬变时限制DrMOS的VIN为20V的几毫秒。
在电气性能方面,使用预调节器的实现与单级电源转换类似,因为预调节器仅在VBATT瞬变超过20V时的瞬态期间处于活动状态。此外,在具有预调节器的情况下,总PCB面积仍然可以小于传统实现,后者使用高电压离散FET和模拟PWM控制器进行单级转换。

使用两级电源转换的12V铅酸电池供电汽车应用的实现,第一级将VBATT转换为5V或3.3V的中间总线电压。第二级将中间总线电压转换为SoC核心轨道电压,使用6V额定DrMOS设备。
两级转换需要额外的半导体器件,但与单级解决方案相比,对于低至中功率SoC核心轨道来说,总体SoC电源解决方案可能更小、更便宜。系统设计师必须权衡所有因素,例如12V电池化学成分和SoC核心轨道功率规格,以选择设计的最佳电源架构。

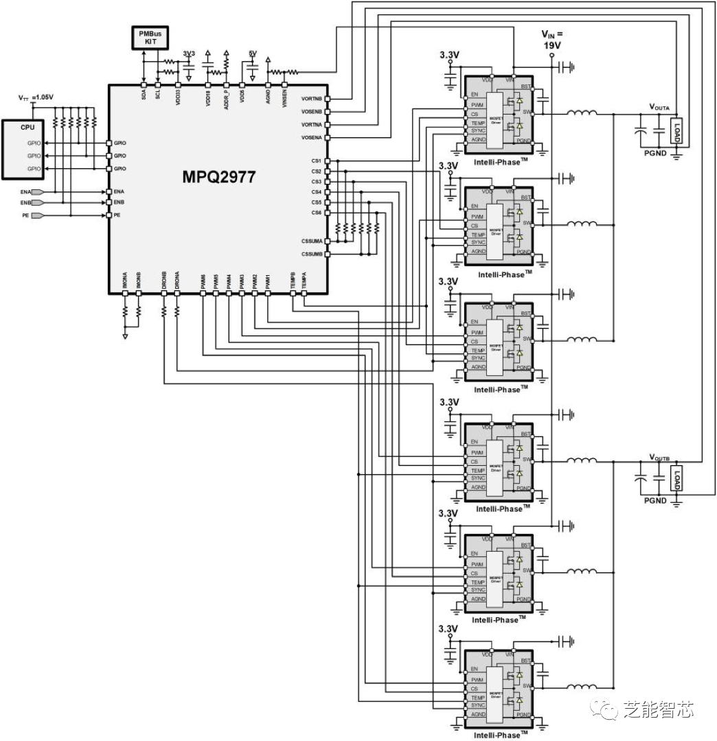
使用数字多相控制器和单片式DrMOS功率级的简化应用原理图。MPQ2977-AEC1数字,6相控制器配置为两个输出轨和每个轨的三个相。实施了一些监测和保护功能,例如过电流保护(OCP)、过电压保护(OVP)和过温保护(OTP)。
●汽车分布式架构供电
汽车计算架构正在从分布式架构演变为由强大的SoC驱动的集中式架构。在中央计算中使用的SoC需要先进的电源管理解决方案,特别是用于核心电压轨道。传统的电源解决方案不再适用于下一代中央计算功率应用。在汽车SoC核心电源应用中使用的电源管理解决方案、数字多相控制器和DrMOS功率级可以提供可扩展、灵活、紧凑的高效电源解决方案和快速瞬态响应。本文解释了如何实现具有单级或两级电源转换的电源架构。
上一篇:DoIP网络逻辑图介绍
下一篇:浅谈GAN在汽车里面的应用案例
推荐阅读最新更新时间:2026-03-21 08:23
- 边缘计算主机盒选购指南:五大核心指标解析
- Arm AGI CPU 更多细节:台积电 3nm 制程、Neoverse V3 微架构
- Arm AGI CPU 重磅发布:构筑代理式 AI 云时代的芯片基石
- Arm 拓展其计算平台矩阵,首次跨足芯片产品
- 阿里达摩院发布RISC-V CPU玄铁C950,首次原生支持千亿参数大模型
- 边缘 AI 加速的 Arm® Cortex® ‑M0+ MCU 如何为电子产品注入更强智能
- 阿里达摩院发布玄铁C950,打破全球RISC-V CPU性能纪录
- VPU中的“六边形战士”:安谋科技Arm China发布“玲珑”V560/V760 VPU IP
- 利用锚定可信平台模块(TPM)的FPGA构建人形机器人安全
- LM2904DMR2G 函数发生器运算放大器的典型应用
- DEMO9RS08KA2: DEMO9RS08KA2 Demonstration Board
- MCP73871EV,MCP73871 锂离子电池充电器评估板
- STEVAL-IHM039V1,采用 STM32F415 微控制器的双电机控制演示板
- LTC1606CG 演示板、16 位、250ksps ADC
- RT8086B 3.5A、1.2MHz、同步降压转换器的典型应用
- TS4999EIJT 典型应用 免滤波器立体声 2.8 W D 类音频功率放大器,可选择 3D 音效
- LTM4615,采用 15mm-15mm 封装的完整双路和三路输出负载点模块稳压器
- LTC2415-1IGN 24 位 ADC 的典型应用电路使用电阻器阵列在励磁放大器中提供精确匹配
- 使用 Analog Devices 的 LTC1450LIN 的参考设计

稳压电源电路图
开关电源的PFC基础
中小功率隔离型开关电源设计概要-MPS
1K纯正弦波逆变电源原理图及PCB
非常经典的关于LLC的杨波博士论文
XC6406PP60DL






京公网安备 11010802033920号