
ROHM的RGS系列是符合AEC-Q101标准、且具有1200V 和650V宽耐压范围的IGBT产品。该系列具有更低的传导损耗,有助于提高应用产品的效率并实现小型化,是电动压缩机的逆变器和高压加热器的更佳选择。
前言
与使用内燃机的传统汽车相比,电动汽车的能效要高得多,但这也带来一个问题:来自电机的废热不再足以满足车内的取暖需求。要想满足取暖需求,必须将电池中存储的部分电能转换为热能。为了实现不依赖于工作温度或电池电压的可调加热功率,在新一代高压加热器中使用了功率半导体,来控制从电池到加热元件的能量流。由加热元件加热冷媒,并通过热交换器将冷媒输送到车辆的空调系统中,最后由鼓风机将暖风输送到车内。参见图1原理图。

图1. 电动汽车中高压加热器的工作模式
普通的电动汽车需要5kW~7kW的加热功率来满足取暖所需。如果汽车的加热系统仅通过负载电阻(加热元件)进行加热,则该功率范围会相应地缩小。但是,也有一些加热系统不仅仅依靠电阻来发热,而是使用了热泵原理:通过外部提供能量的方式将热能从冷源(环境)传递到热源(车内)。热泵的能量平衡性优于负载电阻加热的方式,并且对功率范围的影响较小。然而,使用这种加热系统时,造车成本会增加,并且其实用性取决于环境温度。在冬季非常寒冷的地区,这种系统无法产生足够的热量,在这些地方,传统的电阻加热器是必不可少的。
加热系统不仅能够确保乘坐者的舒适性,还具有重要的安全功能。例如,为车窗除霜或进行车内除湿,从而使驾驶员可以清晰地看到外面的路况。电池需要一定的工作温度,而加热器可以确保电池始终处于正常的工作温度范围内。如果出现高压峰值,加热器还可以充当放电电阻;如果汽车电气系统的电压异常升高,则该系统能够吸收异常能量,从而限制过电压的程度。这些功能可以保护电池以及与汽车电气系统相连接的其他系统。
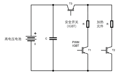
简易的电阻加热器如图2所示。开关的占空比可调,能够使功率输出始终与设定值匹配。几个(通常是两个或三个)加热支路并联,以更好地进行热量分散。为了在发生故障时能够安全地关断加热系统,需要配置安全开关,并在正常运行期间确保安全开关始终处于接通状态。如果发生故障,这些开关将关断,从而断开加热元件与车辆的高压电气系统的连接。

图2. 具有两个加热元件的高压加热器的基本电路
ROHM的 RGS IGBT产品系列符合AEC-Q101标准
该案例中使用的断路器只有IGBT。这种IGBT技术在大电流条件下具有非常好的传导特性。虽然与MOSFET相比开关损耗较高,但基本可以忽略,因为开关频率通常在几十赫兹(两位数)至几千赫兹的范围之间。此外,产品阵容中包括650V和1200V两种电压级,都是普通加热系统中常用的电压级。表1中列出了ROHM提供的符合AEC-Q101标准的分立封装RGS系列IGBT,非常适用于这类应用。这些IGBT具有非常高的可靠性,能够满足加热器的典型要求,下面进一步进行详细介绍。

表 1 ROHM IGBT RGS系列的产品阵容
大多数为400V电池设计的系统通常使用650V的IGBT。然而,近年来,为了提高加热器的耐压能力,越来越倾向于使用1200V的解决方案。如果从电池到加热器的电源突然中断,则汽车电气系统中的线路会产生明显的过电压,甚至可能会损坏开关。因此,可以利用功率半导体具有较高的击穿电压这一特性来防止加热器损坏。1200V IGBT支持800V的电池系统,并且可以通过串联的方式来增加过压负载能力。
该应用的另一个特点是开关速度(dVCE / dt,dIC / dt)。开关速度取决于系统。与其他大部分旨在实现高速开关频率的应用相反,在该应用案例中,开关速度通常被限制在较低水平。究其原因,一方面是受制于EMC(电磁兼容性)的局限性,另一方面是由于不使用滤波器或尽可能地减少滤波器以节省成本的设计思想。一种简单的方法是降低IGBT在开关过程中的速度,以减少开关上升沿和下降沿的高次谐波成分。虽然这种解决方案会导致IGBT在开关过程中的损耗增加,但并不需要为此增加任何元器件。可以通过降低开关频率来补偿增加的损耗。开关时间在几微秒(个位数)的范围内。在极少数情况下,可以达到十几微秒(较小的两位数)的程度。图3为栅极电阻在千欧范围内的IGBT导通过程示例。由于是阻性负载,而不是常见的感性负载,因此电压曲线和电流曲线在开关过程中会交叉。

图3. 具有阻性负载且RG = 1.1kΩ的IGBT(RGS80TSX2DHR)的导通过程
尽管这种处理IGBT的方式对于有经验的设计人员来说似乎不太常见,但也并不是完全不可行。不过,也不要把开关时间降得太慢。应避免IGBT在每次开关期间出现过大的温度尖峰,以免损害功率循环能力。另外,极慢的开关时间对于IGBT来说可能也存在风险,因为它在开关过程中会以较低的栅极电压工作。根据ROHM的经验,适当减缓开关速度并不会引发问题。凭借从各种项目中获得并积累的宝贵经验,ROHM能够为客户的评估提供有效的建议,以帮助客户找到更好的解决方案。
IGBT还有一个不容忽视的特点,即短路耐受能力(确保在出现故障时关断)。通常,短路检测需要几微秒的时间才能做出反应。ROHM RGS系列IGBT中,650V级产品的短路耐受时间为8μs,1200V级产品的短路耐受时间为10μs。出色的短路耐受能力有助于成功地实施故障处理对策。
选择功率半导体的另一原因是封装。在该应用案例中,主要使用采用通孔插装技术(THT)的元器件。将它们连接到外部散热器,可以轻松地实现冷却。但是,由于通孔插装技术需要额外的工序,因此在生产过程中存在其缺点。而采用表面贴装技术(SMT)的元器件(例如常见的TO-263封装产品)可以直接与其他元器件焊接在一起,更具成本优势。尽管该技术必须通过PCB散热,对散热的要求更高,但这并不妨碍当今的一些制造商考虑使用该技术。ROHM一直致力于相关研究,以便及时做出反应。目前,正在开发采用SMT技术的产品,不断地扩充RGS系列IGBT的产品阵容。图4为ROHM RGS系列IGBT采用的不同封装规格。

图4. RGS系列IGBT的封装阵容
当然,除了IGBT,ROHM的产品群中还有其他很多产品也适用于高压加热器。其中包括栅极驱动器IC、分流电阻、比较器、运算放大器和稳压器。在IGBT领域,ROHM是能够提供符合AEC-Q101标准的全系列IGBT产品。这些产品采用TO-247封装,额定电流为30~50A,分是/否内置二极管两种。此外,还计划在2020年在RGS系列中新增SMD产品:650V电压级、TO-263-3L封装、15~40A、是/否内置二极管的IGBT;产品阵容还将新增采用TO-247封装、额定电流更大的产品,即650V电压级、将50A的额定电流提高到75A的产品。丰富的产品阵容将使客户的选择范围更广,客户可以根据加热器的工作条件从中选择更佳产品。
【关于罗姆(ROHM)】
罗姆(ROHM)成立于1958年,由最初的主要产品-电阻器的生产开始,历经半个多世纪的发展,已成为全球知名的半导体厂商。罗姆的企业理念是:“我们始终将产品质量放在第一位。无论遇到多大的困难,都将为国内外用户源源不断地提供大量优质产品,并为文化的进步与提高作出贡献”。
罗姆的生产、销售、研发网络遍及世界各地。产品涉及多个领域,其中包括IC、分立式元器件、光学元器件、无源元器件、功率元器件、模块等。在世界电子行业中,罗姆的众多高品质产品得到了市场的许可和赞许,成为系统IC和先进半导体技术方面的主导企业。
上一篇:联合电子首款功率模块批产
下一篇:车载信息系统概述以及未来发展趋势
推荐阅读
史海拾趣
FTDI的创立可以追溯到1992年3月13日,由弗雷德·达特(Fred Dart)领导创建。初期,公司专注于为个人电脑市场提供服务,特别是针对主板芯片组的解决方案。FTDI的首发产品就得到了IBM等知名企业的青睐,这些芯片被成功应用于AMBRA和PS/2系列个人电脑中,为当时快速发展的计算机技术贡献了重要力量。这一早期成功奠定了FTDI在电子行业中稳固的基础。
FTDI的创立可以追溯到1992年3月13日,由弗雷德·达特(Fred Dart)领导创建。初期,公司专注于为个人电脑市场提供服务,特别是针对主板芯片组的解决方案。FTDI的首发产品就得到了IBM等知名企业的青睐,这些芯片被成功应用于AMBRA和PS/2系列个人电脑中,为当时快速发展的计算机技术贡献了重要力量。这一早期成功奠定了FTDI在电子行业中稳固的基础。
EDC一直将产品质量视为企业的生命线。为了确保产品质量,公司建立了严格的质量管理体系,从原材料采购到生产过程中的每一个环节都进行严格的质量控制。
此外,EDC还注重售后服务,为客户提供全方位的技术支持和解决方案。这些举措让EDC赢得了客户的信赖和好评,也为公司赢得了更多的市场份额。
随着技术的不断成熟,Eurofarad公司开始积极拓展市场。公司不仅在欧洲市场取得了良好的销售业绩,还通过与国际知名电子制造商建立战略合作关系,成功打入亚洲和北美市场。这些合作不仅让Eurofarad公司的电容器产品得到了更广泛的应用,还为公司带来了宝贵的市场经验和技术支持。
为了满足市场需求和降低成本,东晶电子不断进行产能扩张和自动化升级。公司引进了国际先进的生产设备和技术,提高了生产效率和产品质量。同时,公司还加大了对自动化设备的投入,减少了人力成本,提高了生产效率。这些措施不仅提升了公司的竞争力,也为公司的长远发展奠定了基础。
随着产品质量的不断提升和市场份额的逐步扩大,东晶电子开始将目光投向国际市场。公司积极参与国际展会,与全球知名电子企业建立合作关系,产品出口到欧洲、北美、东南亚等多个国家和地区。同时,东晶电子还与国际知名厂商进行技术交流和合作研发,不断提升自身技术水平,以适应全球市场的竞争需求。
|
意法半导体(STMicroelectronics)今天推出一个性能空前的而成本极具竞争力的新系列光电鼠标IC。该产品是ST自主开发的新的标准光电鼠标IC系列产品的第一款产品,ST新光电鼠标IC将给客户带来高集成度、优秀的导航性能、低功耗等好处,同时成本结构严 ...… 查看全部问答∨ |
|
|
(五)偶遇一好东东,不忘与大家分享: 分析笔记本电池及节能技术 个性化的电源管理技术和软件 ■ IBM PM Device和Battery MaxiMiser 图7 此外,该软件还能显示出电池的详细情况,如电压、容量、充电次数等参数。为了更有效地节电,除了CPU之外,Battery MaxiMiser还提供了PCI总线及CD-ROM的运行 ...… 查看全部问答∨ |
|
|
目前在调一款rtc的芯片,通过iic进行读写的,目前采用的是模拟的方式。 现在的问题是,我用普通的io口进行模拟的话,读写都没有问题,但是如果换成了接了上拉电阻的io口的话,读写都不正常了 个人感觉不可理解 希望各位帮忙分析查找原因… 查看全部问答∨ |
|
|
最近公司让我用isp1581和一个stc单片机开发一个驱动,现在一点头绪都没有,忘高手指教一下。 最近公司让我用isp1581和一个stc单片机开发一个驱动,现在一点头绪都没有,忘高手指教一下。… 查看全部问答∨ |
|
|
大家好,本人初学VHDL,不能理解为什么需要用ModelSim进行仿真,因为我看在Quartus II中有“Processing->Start Simulation”功能,然后自己设计输入.vwf文件,运行以后就可以看输出的波形了。希望有知道的朋友可以告诉我,谢谢了。… 查看全部问答∨ |
我的配置如下,但是我用信号发生器产生信号输入,根本就不进中断,但是我要是直接用导线给输入引脚引入高电平(相当于一个脉冲信号),就可以进中断,下面是我的程序,实在不明白原因!int void void ICapture_Configuration(void) ...… 查看全部问答∨ |


XC6406PP60DL






京公网安备 11010802033920号