1.本设计采用STC89C51/52(与AT89S51/52、AT89C51/52通用,可任选)单片机作为主控制器
2.采用霍尔传感器非接触式测电机转速
3.LCD1602液晶显示当前的转速,转速单位为转/分(RPM)。和显示当前的pwm占空比0~100%。
4.电机的速度可以通过按键调整,也可以开始暂停,正转和反转。
注意:磁铁和霍尔元件最近距离在2mm左右,太近可能会在电机转动时碰到霍尔元件,太远霍尔元件可能会检测不到磁铁。
使用说明:
液晶屏第一行显示电机转速,第二行显示占空比,占空比数值越大,电机转速越快。
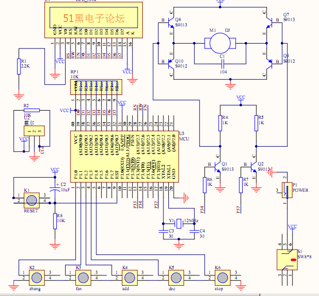
系统一共有6个按键,单片机附近的独立按键是系统的复位按键,按下单片机会复位。
下面一排是控制按键:
1键:加速键,可以短按,占空比加1,也可长按,占空比连续加;
2键:减速键,可以短按,占空比减1,也可长按,占空比连续减;
3键:正转切换键,按下后电机正转;
4键:反转切换键,按下后电机反转;
5键:开始暂停键,按一下开始,再按一下暂停。
电路原理图如下:

PCB图+布局图+焊接图:
单片机源程序如下:
#include #define uchar unsigned char #define uint unsigned int void displaym(); void displayj(); sbit en=P2^5; //1602 6管脚 sbit rs=P2^7; //1602端口 4管脚 sbit rw=P2^6;//lcd1602控制端口 5管脚 sbit num1=P1^0; //占空比加1 sbit num2=P1^1; //占空比减一 sbit num3=P1^2; //正传 sbit num4=P1^3; //反转 sbit num5=P1^4; //开始停止切换 sbit beep=P2^4; sbit out=P3^4; //PWM输出用于正传 sbit out1=P3^7; //PWM输出用于反转 uint zhuansu,flag,z1,z2,m,flag_1,zheng,fan,kai,j,su,qian,bai,shi,ge; void delay(uint z)//延时1ms函数 { uint x,y; for(x=0;x } void write_com(uchar com)//向1602写一字节(控制指令) { rs=0; P0=com; delay(5); en=1; delay(10); en=0; } void write_data(uchar date)//向1602写一字节(数据) { rs=1; P0=date; delay(5); en=1; delay(5); en=0; } void init()//初始化函数 { en=0; rw=0; write_com(0x38); //5X7显示 write_com(0x0c); //关闭光标 write_com(0x01); //lcd初始化 TMOD=0x11; //定时器方式1 TH0=0xdc; TL0=0x00; //定时器装入初值 EA=1; //开总中断 ET0=1; //定时器0开中断 TR0=1; EX1=1; IT1=1; //定时器启动 TH1=0xfc; TL1=0x66;//定时100us ET1=1; //定时器1开中断 TR1=1; write_com(0x80); write_data('V'); write_data(':'); write_com(0x87); //第一行显示转速 write_data('m'); write_data('/'); write_data('m'); write_data('i'); write_data('n'); write_com(0xc0); write_data('z'); write_data('k'); write_data('b'); write_data(':'); displaym(); write_com(0xc8); write_data('s'); write_data('d'); write_data(':'); displayj(); } void keyscan() //键盘扫描函数 { if(num1==0) { delay(5); //消除抖动 if(num1==0) { if(m<=199) m++; displaym(); //设定占空比加一 } } if(num2==0) { delay(5); if(num2==0) { if(m>=1) m--; displaym(); //设定占空比减一 } } if(num3==0) { delay(5); if(num3==0) { j=j+1; displayj(); } } if(num4==0) { delay(5); if(num4==0) { j=j-1; displayj(); } } if(num5==0) { delay(5); if(num5==0) { while(num5==0) ; kai=1-kai; } } } void display() { write_com(0x82); zhuansu=zhuansu*30; //将两秒内的计数乘以30得到转每分 su=zhuansu*0.01*2*3.14/2; qian=(su/1000)%100; write_data(qian+0x30); bai=(su/100)%10; write_data(bai+0x30); shi=(su/10)%10; write_data(shi+0x30); write_data('.'); ge=su%10; write_data(ge+0x30); write_com(0xd0); } void displaym() { write_com(0xc4); if(m/200%10!=0) write_data(m/200%10+0x30); //如果占空比百位不为0则显示百位否则显示空格 else write_data(' '); if(m/200%10==0&&m/20%10==0) write_data(' '); else write_data(m/20%10+0x30); //如果占空比小于10 十位正常显示 否则显示空格 write_data(m/2%10+0x30); //显示个位 } void displayj() { write_com(0xcb); if(j/100%10!=0) write_data(m/100%10+0x30); else write_data(' '); if(j/100%10==0&&j/10%10==0) write_data(' '); else write_data(j/10%10+0x30); write_data(j/1%10+0x30); write_com(0xd0); } void main() { flag_1=0; m=100; //占空比为100
上一篇:超详细的单片机交通信号灯控制程序
下一篇:基于51单片机的红外智能风扇程序
推荐阅读
史海拾趣





XC6406PP60DL






京公网安备 11010802033920号