(1)单片机系统键盘原理
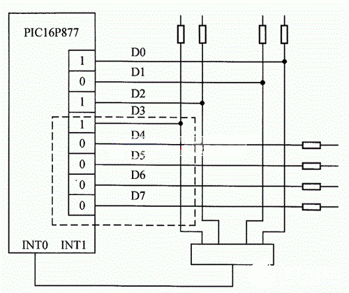
行列式键盘的接法比独立式键盘的接法复杂,编程实现上也会比较复杂。但是,在占用相同的I/O端口的情况下,行列式键盘的接法会比独立式接法允许的按键数量多,其原理图如图1所示。

图1 4×4行列式键盘的原理图
实际的工程中,可能会使用PIC16C5X这种通用的可编程的键盘、显示接口器件,使用PIC16C5X单片器件就能够完成键盘输入和显示控制两种功能。
行列式键盘的工作方式是先用列线发送扫描字,然后读取行线的状态,查看是否有按键按下。键盘部分提供一种扫描的工作方式,可以和具有64个按键的矩阵键盘相连接,能对键盘不断扫描、自动消抖、自动识别按下的键,并给出编码,能对双键或n个键同时按下的情况实行保护。
在显示部分,它可以为发光二极管、荧光管及其他显示器提供按扫描方式工作的显示接口,而且为显示器提供多路复用信号,可以显示多达16位的字符或数字。
键盘中有无按键按下是由列线送入全扫描字、行线读入行线状态来判断的,其方法是将列线的所有I/O线均置成低电平,然后将行线电平状态读入累加器A中,如果有键按下,总会有一根行线被拉至低电平,从而使行输入不全为1。
键盘中哪一个键按下可由列线逐列置低电平后,检查行输入状态来判断,其方法是依次给列线送低电平,然后检查所有行线状态,如果全为1,则所按下的键不在此列,如果不全为1,则所按下的键必在此列,而且是在与0电平线相交的交点上的那个键。
(2)单片机键盘扫描法
pic单片机键盘系统的设计方案
扫描法是在判定有键按下后逐列果行(或列)的状态出现非全1状态,如果(或列)的状态出现非全1状态,这时0状态的行、列交点的键就是所按下的键。
扫描法的特点是逐行(或逐列)扫描查询,这时相应行(或列)应有上拉电阻接高电平。行列式键盘扫描程序就是采用扫描法来确定哪个键按下的,图1中行线上拉电阻接+5V,列线逐列扫描。
①逐行(或列)扫描查询法。
确定矩阵式键盘上哪个键被按下时运用扫描法,又称为逐行(或列)扫描查询法,是一种最常用的按键识别方法,过程如下。
· 判断键盘中有无键按下,将全部行线Y0~Y3置低电平,然后检测列线的状态。只要有一列的电平为低,则表示键盘中有键被按下,而且闭合的键位于低电平线与4根行线相交叉的4个按键之中。若所有列线均为高电平,则键盘中无键按下。
· 判断闭合键所在的位置,在确认有键按下后,即可进入确定具体闭合键的过程。其方法是:依次将行线置为低电平,即在置某根行线为低电平时,其他线为高电平,在确定某根行线位置为低电平后,再逐行检测各列线的电平状态,若某列为低,则该列线与置为低电平的行线交叉处的按钮就是闭合的按键。
②反转法。
扫描法要逐列(行)扫描查询,当按下的键在最后行(列),要经过多次扫描才能获得键值/键号。而反转法只要经过两个步骤就可获得键值。

图中硬件采用中断方式工作,用一个8位I/O口构成4&TImes;4键盘。假定图中虚线为所按下的键,其反转法的步骤如下。
· 将D3~D0设为列输入线,D7~D4设为行输出线,并使I/O输出信号D7~D4为0000。若有键按下,与门的输出端变为低电平,向CPU申请中断,表示键盘中有键按下。与此同时,D3~D0的数据输入到内存中的某一单元中,其中0位对应的是被按下键的列位置。
· 将第一步中的传送方向反转过来,即将D7~D4设为输入线,D3~D0设为输出线。使I/O口输出数据为N单元中的数(即D3~D0为按下键的列位置),然后读入I/O口数据,并送入内存N+1单元中存放,该数据的D7~D4位中0电平对应的位是按下键的行位置。最后,将N单元中的D3~D0与N+1单元中的D7~D4拼接起来就是按下键的键值。
单片机应用系统中,任何I/O口或扩展I/O口均可构成行列式键盘。由于带有行列式键盘的应用系统中通常都有显示器,为节省I/O口线,往往把显示器电路与行列式键盘做在一个接口电路中。
上一篇:基于PIC单片机的4×4行列式键盘系统设计方案解析
下一篇:PIC单片机对机器人的控制程序设计
推荐阅读
史海拾趣
- ADI生命体征技术助力高性能便携和穿戴医疗设备,答题有好礼
- TI有奖直播|如何进行更加快速、简单且成本更低的AI 摄像头应用的开发
- 安森美半导体重磅推出超低功耗蓝牙芯片 RSL10 — 观视频答题送样片 更有丰富礼品等你拿!
- 【颁奖礼】摸黑抢楼赢大礼!
- 2024 DigiKey 应用说:树莓派 5 在视频直播中的应用
- 【边分享,边成长,11月有奖】EEWORLD优秀主题/回复第16期活动开始拉
- TI 培训推荐有礼活动
- 2021 STM32全国巡回研讨会!
- 下载有礼:多通道高精度信号生成必杀器--最新AWG5200信号发生器
- 是德科技有奖直播:元宇宙测试系列研讨会之VR/AR 数字接口测试的挑战



XC6406PP60DL






京公网安备 11010802033920号