STM32有三种不同的时钟源可被用来驱动系统时钟(SYSCLK):
1:HSI振荡器时钟(内部时钟)
2:HSE振荡器时钟 (外部时钟,即晶振所提供)
3:PLL时钟(锁相环时钟)
这些设备有以下2种二级时钟源:
(1)40kHz低速内部RC,可以用于驱动独立看门狗和通过程序选择驱动RTC。RTC用于从停机/待机模式下自动唤醒系统。
(2)32.768kHz低速外部晶体也可用来通过程序选择驱动RTC(RTCCLK)。
当不被使用时,任一个时钟源都可被独立地启动或关闭,由此优化系统功耗。
1:常用配置如下
使用HSE作为PLL的输入源,将PLL的输出配置为72MHZ,然后将PLL作为系统时钟,最后将其他时钟配置为系统时钟的分频输出。
2:配置过程
-将所有和时钟相关的寄存器进行复位;
-启动HSE并等待其稳定;
-配置HCLK和SYSCLK相等;
-配置PCLK1为HCLK的2分频;(由参考手册上的时钟树得知PCLK1为低速外设时钟,最大不超过36MHZ,所以,PLL倍频不建议超过72MHZ)
-配置PCLK2和HCLK相等;(PCLK2为高速外设时钟,最大不超过72MHZ)
-根据是否使用AD及其输入信号的频率配置ADCLK为PCLK2的若干分频;
-根据是否使用USB设备接口,配置USB的时钟为48MHZ;
-配置HSE为PLL的输入,并设置两个分频比使PLL输出72MHZ频率,等待其稳定;
-将PLL输出作为系统时钟;
-根据需要来决定是否启用时钟安全系统。
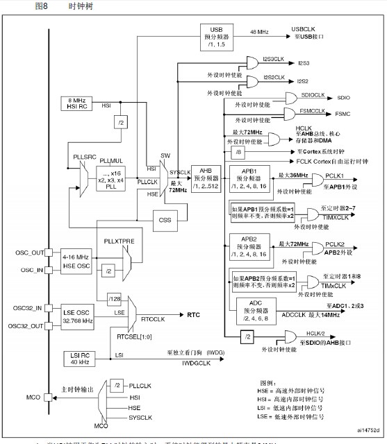
在写系统时钟初始化代码之前可以先看《STM32参考手册》的系统时钟树:

STM32PLL时钟配置函数:
void Stm32_Clock_Init(u8 PLL)
{
unsigned char temp=0; //当前系统时钟状态标志
MYRCC_DeInit(); //复位并配置向量表
RCC->CR|=0x00010000; //外部高速时钟使能HSEON
while(!(RCC->CR>>17));//等待外部时钟就绪
RCC->CFGR=0X00000400; //APB1=DIV2;APB2=DIV1;AHB=DIV1;
PLL-=2;//抵消2个单位 //这里PLL减去2是因为倍频系数从2开始,但倍频寄存器值从 0000开始,即如果是9倍频,则倍频寄存器应写0111。
RCC->CFGR|=PLL<<18; //设置PLL值 2~16
RCC->CFGR|=1<<16; //由软件置’1’或清’0’来选择PLL输入时钟源。该位只有在PLL关闭时才 可以被写入。
FLASH->ACR|=0x32; //FLASH 2个延时周期
RCC->CR|=0x01000000; //PLLON
while(!(RCC->CR>>25));//等待PLL锁定
RCC->CFGR|=0x00000002;//PLL作为系统时钟
while(temp!=0x02) //等待PLL作为系统时钟设置成功
{
temp=RCC->CFGR>>2;
temp&=0x03;
}
}
MYRCC_DeInit函数原型:
void MYRCC_DeInit(void)
{
RCC->APB1RSTR = 0x00000000;//复位结束
RCC->APB2RSTR = 0x00000000;
RCC->AHBENR = 0x00000014; //睡眠模式闪存和SRAM时钟使能.其他关闭.
RCC->APB2ENR = 0x00000000; //外设时钟关闭.
RCC->APB1ENR = 0x00000000;
RCC->CR |= 0x00000001; //使能内部高速时钟HSION
RCC->CFGR &= 0xF8FF0000; //复位SW[1:0],HPRE[3:0],PPRE1[2:0],PPRE2[2:0],ADCPRE[1:0],MCO[2:0]
RCC->CR &= 0xFEF6FFFF; //复位HSEON,CSSON,PLLON
RCC->CR &= 0xFFFBFFFF; //复位HSEBYP
RCC->CFGR &= 0xFF80FFFF; //复位PLLSRC, PLLXTPRE, PLLMUL[3:0] and USBPRE
RCC->CIR = 0x00000000; //关闭所有中断
//配置向量表
#ifdef VECT_TAB_RAM
MY_NVIC_SetVectorTable(NVIC_VectTab_RAM, 0x0);
#else
MY_NVIC_SetVectorTable(NVIC_VectTab_FLASH, 0x0);
#endif
}
时钟控制寄存器:

时钟控制寄存器:

上一篇:STM32、ESP8266与MQTT连接阿里云物联网的串口通信异常解析
下一篇:2、STM32学习笔记——定时器
推荐阅读最新更新时间:2026-03-22 11:51
- RDR-142 - 35W电源
- i.MX RT1060 Evaluation Kit
- 使用 Embedded Planet 的 5CEFA9U27 的参考设计
- DC1369A-D、LTC2258-14 演示板、14 位 65 Msps ADC、LVDS 输出、5-170MHz
- LT3990EMSE-5 12V 降压转换器的典型应用
- 使用 Analog Devices 的 LTC1148 的参考设计
- LT1377IS8 具有直接反馈的正负转换器的典型应用
- 使用 NXP Semiconductors 的 TL431AI 的参考设计
- LT8304IS8E 18V 至 80Vin、5Vout 隔离反激式转换器的典型应用电路
- LT3512EMS 演示板,单片式高压隔离反激式转换器 36V VIN 75V,VOUT = 5V @ 500mA

stm32驱动屏IC rm68042
STM32 PMSM FOC 简介
基于STM32G031的测试测量训练平台完成虚拟仪器实现
非常经典的关于LLC的杨波博士论文
XC6406PP60DL






京公网安备 11010802033920号